Что-то не так?
Пожалуйста, отключите Adblock.
Портал QRZ.RU существует только за счет рекламы, поэтому мы были бы Вам благодарны если Вы внесете сайт в список исключений. Мы стараемся размещать только релевантную рекламу, которая будет интересна не только рекламодателям, но и нашим читателям. Отключив Adblock, вы поможете не только нам, но и себе. Спасибо.
Как добавить наш сайт в исключения AdBlockРеклама
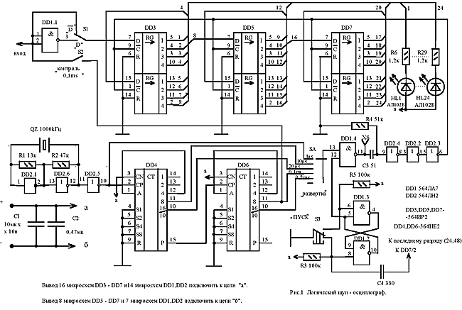
Логический щуп - осциллограф
Логический щуп - осциллографИзвестно большое количество логических щупов. Каждому, кто работает с логическими микросхемами, хотелось бы иметь простой, надёжный и с повышенными метрическими характеристиками прибор для проверки и настройки логических схем. К этому хотелось бы добавить дешевизну и удобство в обращении. Именно такую цель преследовал автор при разработке своего логического щупа. Известный "Импульсный матричный осциллограф" [1] имеет большие размеры, громоздкую схему и неудобен в работе. Преимущество упомянутого прибора перед предлагаемым, только в наличии функции измерения амплитуды. Необходимость измерения размаха импульсов в пределах 0,5:30 В, в широко распространенной логике, сомнительна. Прибор, названный автором: логический щуп - осциллограф (далее для краткости - щуп), имеет следующие возможности.
Схема щупа изображена на рисунке 1. Функционально щуп состоит из следующих блоков. Задающий кварцевый генератор собран на элементах DD2.1; DD2.6; DD2.5. Делитель частоты - на микросхемах DD4 и DD6. Блок управления, состоящий из триггера пуска и ключа, собран на элементах DD1.2 - DD1.4. Формирователь короткого импульса - C3; R4; DD2.2 - DD2.4. Входной формирователь - DD1.1. Последовательные регистры развертки собраны на микросхемах DD3; DD5; DD7. Индикатор - на светодиодах HL1 - HL24 и резисторах R6 - R29. Идея прибора заключается в том, чтобы запоминать последовательно во времени логический уровень входного сигнала и отображать его на индикаторе. Точность измерения таким способом не может превышать (по критерию Нейквиста) половины времени квантования. Проще говоря, если мы измеряем импульс длительностью 1 микросекунда на пределе развёртки 1 микросекунда, то результат получим с точностью 50 процентов. Если длительность импульса 100 миллисекунд, на том же пределе получим точность 0,5 процента. Поэтому автор стремился к увеличению количества точек квантования. Схема показана на 24 разряда, хотя мною изготовлен щуп на 48 разрядов и все данные, приведенные выше, относятся к последнему варианту. Увеличение разрядности достигается увеличением числа микросхем регистров, о чем мы поговорим ниже. Кварцевый генератор собран по известной схеме, многократно описываемой в журнале Радио, поэтому в описании не нуждается. Импульсы с частотой 1мГц, с вывода 10 DD2.5, поступают на вход 2 пятиразрядного, двоично-десятичного счетчика DD4. Счетчик включен по схеме десятичного делителя с использованием пятого разряда для увеличения диапазона развертки. Таким образом, счетчик делит исходную частоту на 10 и 20. Включение счетчика по известным и рекомендуемым [2] схемам вызвало неустойчивую работу. Поэтому управляющий вывод А (вывод 1) подключен к выходу третьего разряда (вывод12). При такой схеме включения временная диаграмма работы микросхемы соответствует рисунку 16 книги С.А.Бирюкова [2]. Микросхема работает устойчиво. Импульсы с длительностью периода 1, 10, 20, 100, 200 микросекунд подаются на переключатель SA (развертка), откуда, выбранная длительность развертки поступает на ключ DD1.4(13). Второй вывод ключа (12) подключен к RS-триггеру блока управления. Триггер управляется кнопкой S3 (пуск). При нажатой кнопке S3 на вывод 12 ключа будет подаваться логическая единица, разрешающая прохождение импульсов. На выходе ключа DD1.4(11) импульсы дифференцируются цепочкой C3,R4 формируются инверторами DD2.2-DD2.4 и подаются на синхронизирующие входа регистров. Обострение импульсов происходит по фронту и необходимо для того, чтобы исключить неоднозначность при сохранении данных в регистрах. Входные импульсы поступают на инвертор DD1.1 и, в зависимости от положения переключателя S1, проходят на вход регистра в прямом или инвертированном виде. При поступлении импульса синхронизации на вход С, в первый разряд регистра записывается логическое состояние присутствующее в этот момент на входе D. В последующих разрядах информация сдвигается в сторону увеличения на один разряд. Каждая микросхема ИР2 состоит из двух четырехразрядных секций сдвигающих регистров. Поэтому информационный вход D(15) следующей секции подключен к выходу (10) четвертого разряда предыдущей секции. Таким образом, три корпуса дают 24 разряда квантования входного сигнала. Поскольку все микросхемы ТТЛ и КМОП имеют больший выходной ток в состоянии логического нуля, то и светодиоды HL подключены так, чтобы зажигались при логическом нуле на выходах регистров. Привычнее видеть в горящем светодиоде уровень логической единицы, поэтому на кнопке S1 входной сигнал обозначен как инверсный. При нажатой кнопке S3 (пуск) информация записывается в регистры, при отпущенной - сохраняется. При просмотре индикатора необходимо учитывать то, что каждый светодиод соответствует длительности установленной развертки. Если развертка установлена на "1" и подряд горит 5 разрядов, то длительность импульса равна 5 микросекундам. Если горят все разряды, то надо переключиться на большее время развертки. Собственно, выбором времени развертки щуп и оправдывает свою приставку - осциллограф. Конденсатор С4 и резистор R3 образуют дифференцирующую цепочку, через которую, по спаду импульса с последнего разряда, опрокидывается триггер. Низкий уровень с выхода 10 DD1.2 закроет елемент DD1.4 для прохождения импульсов записи на регистры. Низкий уровень на выходе регистра включает светодиод. Таким образом, начало инвертированного исследуемого одиночного (периодического) импульса всегда будет наблюдаться на последнем разряде. Т.е. последний разряд всегда будет светиться. Для контроля работоспособности прибора введен дополнительный переключатель S2 (контроль 0,1ms). Этот контроль был выбран потому, что импульс с выхода 11 счетчика ИЕ2 имеет скважность 5. 20ms длительность логической единицы и 80ms длительность логического нуля. Гнездо XS, в варианте щупа 24 разряда, используется для выдачи импульсов на проверяемые микросхемы при нажатой кнопке "пуск". При наличии на переключателе SA свободного положения кнопка "пуск" будет задавать на XS единичные импульсы, что бывает необходимо при проверке триггерных схем. Вариант щупа 48 разрядов может использоваться как двух лучевой по 24 разряда и как однолучевой на 48 разрядов. Увеличение числа разрядов, как говорилось выше, дает увеличение точности измерения длительности импульса. Схематически 48 разрядов получается добавлением трех регистров ИР2, подключенных идентично регистрам DD3, DD5, DD7, но без входного инвертора. При подключении обоих входов щупа на просмотр одного сигнала и при включении одного луча на просмотр прямого сигнала, а второго луча - инверсного сигнала, на индикаторе высвечивается импульс, как на экране осциллографа. При подключении входа дополнительного блока регистров к 24 разряду получаем 48 разрядов, причем, импульс наблюдается в полярности, определенной переключателем S1. Для работы с ТТЛ логикой необходимо снизить питающее напряжение до 5 В. При этом яркость свечения индикатора уменьшится. В щупе используются резисторы МЛТ 0,125, конденсаторы: C2 - КМ6, С3 - КМ5б, С1 - малогабаритный импортный. Переключатель SA - МПН-1 на одно направление и 10 положений. Кварц - РГ-06 1000кГц. Кнопки S1-S3 - МП7. Светодиоды - АЛ102БМ в металлическом корпусе. Гнездо XS - малогабаритное, диаметром 1мм. Микросхемы 564 серии с планарными выводами. Возможны любые замены деталей с подходящими характеристиками, что повлияет на размеры печатной платы и корпуса. При замене микросхем желательно выбирать 164 серию. Микросхемы серии 561 не имеют в своем составе счетчиков ИЕ2 и, их придется менять серией 176. Хотя многие микросхемы из этой серии могут работать при напряжении питания 5В, появится необходимость подбора на устойчивость работы при пониженном напряжении. При замене кварца максимальная частота составляет 8мГц, т.к. паспортная частота КМОП - микросхем - 5мГц. При этом необходимо помнить о неудобстве подсчета длительности импульса и ориентироваться на стоящие перед вами задачи. Скажем, если приходится часто измерять импульсы большой длительности, то частоту кварца можно соответственно уменьшить и наоборот. Печатная плата представлена на рис.2, а схема расположения элементов - на рис.3. Красным цветом обозначены соединительные линии и элементы расположенные с обратной стороны установки микросхем. Плата изготовлена из двухстороннего фольгированного стеклотекстолита толщиной 1мм. Переходные отверстия просверлены сверлом диаметром 0,6мм. Два отверстия в передней части платы имеют диаметр 3мм. Первое отверстие - крепежное, второе необходимо для прохождения конца гнезда. Само гнездо крепится к верхней крышке корпуса. 4 отверстия диаметром 1мм предназначены для крепежа кнопок МП7, который осуществляется заклепками из медной проволоки. Кнопка S1 установлена с обратной стороны платы напротив кнопки S2. Два ползунка для фиксирования кнопок S1,S2 выточены надфилем из подходящей пластмассы. Пружинка для кнопки S3 сделана из контактной пластины реле типа РПУ, кнопка пуска - из текстолита. Конденсаторы С1, С2 установлены с обратной стороны. Резистор R4 расположен под микросхемами, а резисторы R1, R2 запаиваются после установки кварца. На рис. 4 дана печатная плата индикатора и расположение элементов на ней. Сначала устанавливаются светодиоды так, чтобы их корпуса не соприкасались, затем, со стороны печатной платы, запаиваются резисторы. Корпус склеен эпоксидной смолой из стеклотекстолита. В корпусе проделаны отверстия для крепления щупа, ползунков, переключателя и три отверстия для стяжных винтов. Винты устанавливаются следующим образом: один в центре впереди и к нему прикручивается плата с элементами, два других - по краям сзади. В месте крепления платы с элементами имеется корпусная площадка, поэтому на винт подается отрицательное питающее напряжение. Под гайкой этого винта прикрепляется провод с зажимом "крокодил" для соединения с минусом исследуемой схемы. Монтаж выполнен проводом МГТФ-0,07. Плата с элементами устанавливается в корпус элементами вниз, сверху кладется без крепежа плата индикации и прижимается верхней крышкой. Крышка имеет отверстия под светодиоды и крепежные отверстия. На ней установлено также гнездо XS. С блоком питания щуп соединен проводом МГТФ-0,07. Литература:
Источник -
|
