LAB599.RU — интернет-магазин средств связи
EN FR DE CN JP
QRZ.RU > Каталог схем и документации > Схемы наших читателей > Компьютерные технологии > Подключение звуковой карты к телефонной линии

Подключение звуковой карты к телефонной линии

Подключение звуковой карты к телефонной линии

Mark-Jan, E-mail: mbast (at) xs4all.nl
(замените (at) на @)

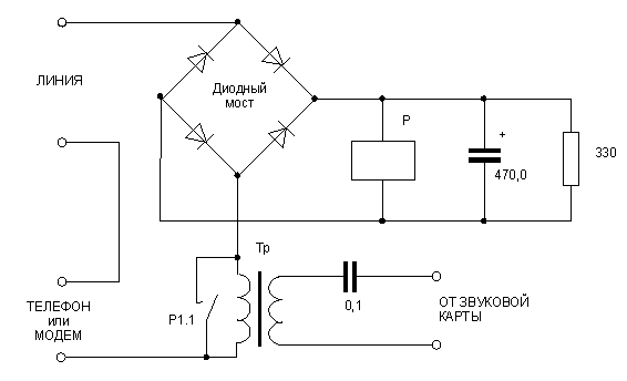
Приведенная простая схема позволяет подключить выход звуковой карты (Sound Blaster) для вывода информации через телефонную линию. Трансформатор - малогабаритный с коэффициентом трансформации 10:1.

Рис.1. Схема подключения звуковой карты к телефонной линии



 

Партнеры