Что-то не так?
Пожалуйста, отключите Adblock.
Портал QRZ.RU существует только за счет рекламы, поэтому мы были бы Вам благодарны если Вы внесете сайт в список исключений. Мы стараемся размещать только релевантную рекламу, которая будет интересна не только рекламодателям, но и нашим читателям. Отключив Adblock, вы поможете не только нам, но и себе. Спасибо.
Как добавить наш сайт в исключения AdBlockРеклама
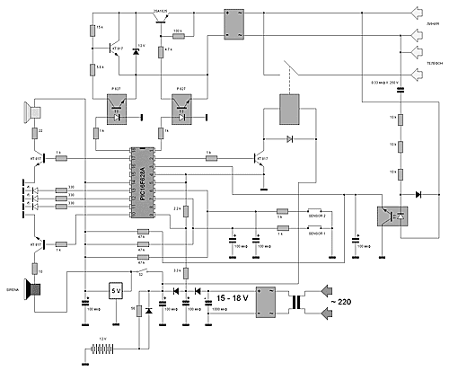
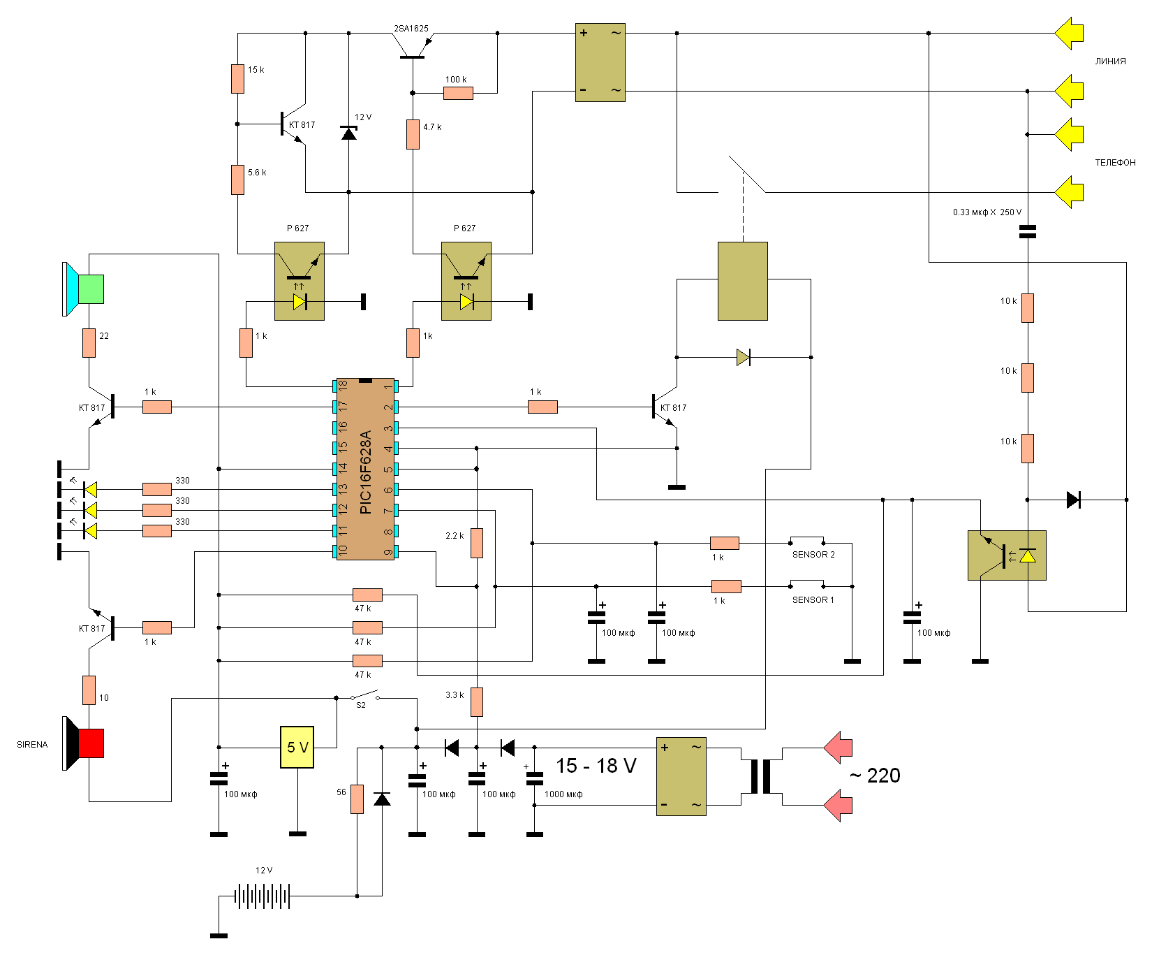
Охранное устройство с оповещением по телефонной линии
Охранное устройство с оповещением по телефонной линии
Устройство предназначено для охраны помещения (магазин , квартира ) с применением датчика движения и датчика открывания двери (нормально замкнутые контакты). Если предусматривается применение нескольких датчиков их необходимо соединить последовательно.
Алгоритм работы .Сразу после включения питания устройство начинает отсчет времени,( при этом один светодиод мигает ) позволяя выйти из помещения без поднятия тревоги . В течении 30 секунд звучит местный динамик, подавая короткие звуковые сигналы . Затем устройство дозванивается на запрограммированный номер телефона и определенным звуковым сигналом сообщает о том , что оно переходит в режим охраны . После этой процедуры начинается контроль датчиков . Светодиодная индикация .Один светодиод мигает ( указатель наличия сети 220 в ) , один горит постоянно . Три светодиода одновременно светятся только во время тревоги . После отработки тревожных сообщений ( если датчики вернулись в нормальное состояние ) останутся мигающими 2 светодиода указывая на то , что ранее происходило срабатывание . Это состояние сохранится до первой переустановки на охрану ( выключение и включение устройства ). Светодиоды устанавливаются вне охраняемой зоны на дверной коробке снаружи . При размыкании датчика открывания двери начнется отсчет времени , в течении которого охранник или хозяин помещения должен выключить устройство при помощи потайного выключателя . Если этого не произойдет через минуту, включится сирена и начнется дозвон на запрограммированный номер ( или несколько номеров ) со звуком тревоги. Если же зафиксируется движение внутри помещения ( датчик движения ), тревога поднимется мгновенно ( подразумевается ,что злоумышленник проник не через двери ) и начнется дозвон со звуком тревоги . В устройстве также предусмотрен режим ответа на входящий звонок . Ответ будет одного тона , если не было тревоги и другого , если было срабатывание датчика . Эта функция полезна в том случае , если хозяин квартиры находился некоторое время вне зоны покрытия своего мобильного телефона и не имел возможности принять тревожный звонок . Проще говоря , семья находящаяся , например , на отдыхе всегда сможет по телефону узнать все ли у них в порядке дома .
Работой всего устройства управляет микроконтроллер 16F628A .
|


