Что-то не так?
Пожалуйста, отключите Adblock.
Портал QRZ.RU существует только за счет рекламы, поэтому мы были бы Вам благодарны если Вы внесете сайт в список исключений. Мы стараемся размещать только релевантную рекламу, которая будет интересна не только рекламодателям, но и нашим читателям. Отключив Adblock, вы поможете не только нам, но и себе. Спасибо.
Как добавить наш сайт в исключения AdBlockРеклама
Трансивер «Аматор-КФ-160»
Трансивер «Аматор-КФ-160»
В [6] был опубликован простой в изготовлении и несложный в настройке трансивер на интегральных микросхемах «Аматор-160», в котором в качестве фильтра основной селекции использован ЭМФ. Однако многие радиолюбители испытывают трудности с его приобретением. В данной статье описан несложный трансивер с кварцевым фильтром, изготовленым из одиночных резонаторов на частоту 8,867238 мГц. Такие резонаторы применяются в промышленных телевизионных ПАЛ-СЕКАМ декодерах и не являются большим дефицитом. Используя основную плату трансивера «Аматор-КФ-160», несложно изготовить трансивер на основные любительские диапазоны. Параметры трансивера следующие: -диапазон рабочих частот 1830…2000 кГц; -род работы …………………………...SSB; -чувствительность при отношении сигнал/шум 12 дБ, не хуже…………………..1 мкВ; -избирательность по соседнему и другим побочным каналам приёма, не хуже….60 дБ; -диапазон действия системы АРУ, не менее……………………………………… 60 дБ. -пиковая выходная мощность на нагрузке 50 Ом, не менее…………………………5 Вт; -подавление побочных каналов в режиме передачи, не хуже …………………….40 дБ; -ток потребления, не более…………………………………………………………….0,6 А. Обратимый тракт трансивера реализован на двух микросхемах К174ХА2. Эти микросхемы уже более 20 лет применяются в бытовых радиоприёмниках. Структурная схема ИМС приведена на рис.1. ИМС содержит усилитель сигналов радиочастоты А1 с системой АРУ А2, смеситель UZ1, усилитель промежуточной частоты А4 с системой АРУ А5, гетеродин G1 и стабилизатор А3 [1]. Регулируемый УПЧ микросхемы обладает большим коэффициентом шума, его усилительные свойства на частотах свыше 1 мГц значительно ухудшаются. Поэтому из состава микросхемы автором использованы только регулируемый УРЧ, смеситель и УПТ.
Благодаря использованию интегральных микросхем появилась возможность создать компактный трансивер, не имеющий дефицитных комплектующих и простой в настройке. Конечно, такой простой аппарат не обладает высокими динамическими параметрами и его можно рекомендовать как трансивер начинающего радиолюбителя либо как вспомогательный мобильный трансивер. За основу этого трансивера взята конструкция, опубликованная в [5]. Автор статьи надеется, что в описываемом ниже варианте учтены все недостатки, присущие предыдущей конструкции, а новых не появилось. В статье описывается базовый вариант трансивера на диапазон 160 М. Используя основную плату «Аматора-КФ-160», нетрудно изготовить трансивер на все любительские диапазоны. Функционально трансивер разбит на три узла : основная плата, ГПД и блок усилителя мощности.
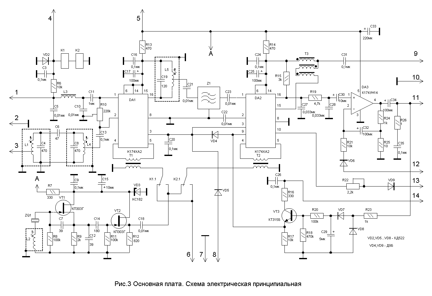
В режиме приёма сигнал с антенного входа через контакты реле , расположенного в блоке УМ, поступает на вывод 3 основной платы. На элементах L1C4C6C8L4 собран двухконтурный полосовой фильтр (ДПФ). Радиочастотный сигнал, пройдя через ДПФ, поступает в микросхему DA1. В этой микросхеме осуществляется усиление сигнала и его преобразование в частоту ПЧ. Сигнал ГПД подаётся на 6 контакт основной платы и через контакты реле К1.1, трансформатор Т1 поступает на микросхему. Контур C19L5 , подключенный к выходу преобразователя, настроен на частоту ПЧ. Кварцевый фильтр Z1 подключается к отводу индуктивности L5, чтобы обеспечить оптимальное согласование. Схема фильтра приведена на рис.4. С выхода кварцевого фильтра сигнал ПЧ поступает на микросхему DA2. Сигнал опорного генератора поступает в микросхему через контакты К2.1 и трансформатор Т2. На резисторе R15 выделяется сигнал звуковой частоты. Фильтр низкой частоты, собранный на элементах C27R19C28, ослабляет высокочастотную составляющую продетектированного сигнала. Усилитель звуковой частоты собран на интегральной микросхеме К174УН14 в типовом включении. Коэффициент усиления её равен 40Дб (100 раз). С контакта 11 основной платы сигнал ЗЧ через регулятор громкости R1 поступает в головные телефоны. Приёмный тракт охвачен системой АРУ. Сигнал для работы системы снимается с выхода УЗЧ через и через резистор R23 поступает на детектор .Детектор АРУ собран на диодах VD7 и VD8. Быстродействие системы определяется величиной ёмкости конденсатора С29. С выхода эмиттерного повторителя VT3 напряжение АРУ поступает на усилитель постоянного тока (УПТ) S-метра и через диод VD4 на управляющие входы микросхем DA1 и DA2. Диод установлен для того, чтобы в режиме передачи управляющее напряжение не воздействовало на S-метр. Генератор опорной частоты собран на полевом транзисторе КП303Г (VT1). Подстройкой индуктивности L2 производится смещение частоты колебаний генератора относительно полосы пропускания кварцевого фильтра. Истоковый повторитель VT2 установлен для того, чтобы исключить влияние нагрузки на частоту колебаний генератора. Переключение трансивера в режим передачи производится при включении переключателя S1 «Упр.». При этом срабатывает реле К3 в блоке УМ. Это реле в зависимости от режима работы подключает антенну либо ко входу приёмного тракта, либо к выходу передатчика и одновременно коммутирует необходимые напряжения питания узлов трансивера. В режиме передачи напря жение +12В подаётся на контакты 4 и12 основной платы А1. При подаче напряжения на контакт 4 основной платы срабатывают реле К1,К2 и происходит переключение сигналов ГПД и опорного генератора , подаётся напряжение питания на электретный микрофон. Сигнал микрофона поступает в на микросхему DA1 через ФНЧ C5L3C10. Этот фильтр предотвращает проникание высокочастотных наводок в на вход передающего тракта. Микросхема в этом случае работает как балансный модулятор. Сигнал опорного генератора подаётся через трансформатор Т1.На выходе модулятора формируется двухполосный (DSB) сигнал с подавленой несущей. Максимальное подавление несущей происходит при точной балансировке модулятора резистором R10. С выхода модулятора DSB-сигнал подаётся на кварцевый фильтр. В фильтре происходит подавление побочных продуктов преобразования. Микросхема DA2 преобразует однополосный сигнал ПЧ в радиочастотный сигнал необходимого любительского диапазона. Нагрузкой DA2 по высокой частоте служит широкополосный трансформатор Т3, который согласует высокое выходное сопротивление смесителя с низким сопротивлением нагрузки. Радиочастотный сигнал с контакта 9 основной платы поступает в блок УМ. Регулировка коэффициента передачи тракта производится резистором R3 «Уров. ТХ». Максимальному коэффициенту передачи соответствует минимальное напряжение на выводе 8 основной платы. Шелкните мышкой для получения большего изображения. В режиме передачи на контакт 12 основной платы подаётся +12В. Это напряжение прикладывается к инверсному входу микросхемы УЗЧ DA3, она блокируется и не пропускает сигнал.В блоке УМ сигнал проходит через двухконтурный полосовой фильтр L7C53C54C55L8, усиливается предоконечным усилителем на VT6, VT7 и оконечным каскадом на VT8. В качестве оконечного транзистора выбран импортный 2SC2078. Этот транзистор обычно используется в оконечных каскадах СИ-БИ радиостанций и в диапазоне 27 мГц развивает мощность не менее 4 Вт при напряжении питания 12 В. Как оказалось, его несложно приобрести на радиорынках в крупных городах. В диапазоне 160 м с этого транзистора можно без труда получить 5Вт пиковой мощности. Цепочка R37VD11R38 задаёт начальный ток смещения транзистора в режиме передачи, чтобы он работал в линейном режиме. Усиленный сигнал через контакты реле К3 поступает в антенну. С делителя R39R40 часть выходного сигнала отводится на детектор уровня. Выпрямленное детектором напряжение подаётся на индикатор РА1. ГПД трансивера собран на двух транзисторах. На транзисторе VT4 собран задающий генератор по схеме ёмкостной трёхточки. VT5 – буферный каскад. Перестройка по частоте производится КПЕ с воздушным диэлектриком. При использовании в кварцевом фильтре резонаторов на частоту 8.867238 мГц диапазон перестройки ГПД составит 10664-10864 кГц. Трансивер запитывается стабилизированым напряжением 12В. Стабилитрон VD1 применяется в защитных целях: при переполюсовке или превышении питающего напряжения ток через стабилитрон значительно возрастает и перегорает предохранитель FU1.
В трансивере использованы: -постоянные резисторы типа С1-4, С2-23, МЛТ;-подстроечные резисторы СП3-38Б; -переменные резисторы СП4-1А; -неэлектролитические конденсаторы К10-17; -электролитические конденсаторы К50-35; -подстроечные конденсаторы – КТ4-23. В качестве конденсатора настройки использован КПЕ от лампового радиоприёмника. Катушки индуктивности L1,L2,L4,L5,L7,L8 намотаны на полистироловых каркасах диаметром 5мм. Автор применил каркасы от УКВ радиостанции «Лён» производства Болгарии..L1 и L7 содержат 10 + 40 витков (считая от заземлённого конца), L2 и L8 – 50 витков, L4 –25+25 витков провода ПЭВ-2 0.15, L5 –8+8 витков ПЭВ-2 0.25. Катушка ГПД L6 намотана на каркасе диаметром 12 мм и содержит 12 витков провода ПЭВ-2 0.45. Широкополосные трансформаторы Т1-Т3 намотаны на ферритовых кольцах К7х4х2 проницаемостью 600-1000НН. Т1 и Т2 содержат 2х20 витков ПЭВ-2 0.25, Т3 содержит 3х20 витков такого же провода. Трансформатор Т4 изготавливается на кольце К10х6х3. Первичная обмотка содержит 20 витков ПЭВ-2 0.25, вторичная –5 витков того же провода. Обмотки L9-L11 расположены на ферритовом кольце К25Х12Х7 ВЧ50. L9 содержит 3 витка, L10 –25 витков, L11 –5 витков провода ПЭВ-2 0.6. Ферритовые кольца перед использованием необходимо обмотать лакотканью, чтобы предотвратить пробой обмоток на корпус кольца. L3 – стандартный дроссель ДМ-0.1-100мкГн, L12 Д-0.6-20мкГн. Реле К1 и К2 - РЭС49 с сопротивлением обмоток 270 Ом . Реле К3 – типа РЭС9 с сопротивлением обмоток 500 Ом. ВМ1 - импортный двухвыводной электретный микрофон. РА1 – микроамперметр с током полного отклонения 50-100 мкА. В качестве ZQ1 – ZQ7 применены кварцевые резонаторы в малогабаритных корпусах на частоту 8.867238 мГц. При отсутствии таковых можно применить любые малогабаритные резонаторы на частоту 7-12 мГц, скорректировав частоту ГПД. Вместо микросхем К174ХА2 целесообразно применить импортные ТСА440, микросхему К174УН14 можно заменить на TDA2003.
Основная плата и блок УМ трансивера изготавливаются из двухстороннего стеклотекстолита. Верхний слой металлизации служит экраном. Отверстия под выводы радиоэлементов, не соединённые с экраном, рассверливаются. Плата ГПД выполняется из одностороннего стеклотекстолита. Конденсаторы С4,С8,С19,С53,С55 припаиваются непосредственно к выводам катушек с верхней стороны, которая находится под экраном (рис. 7).
Корпуса кварцевых резонаторов ZQ1-ZQ7 каплей припоя на одном из торцов припаиваются к верхнему слою металлизации. Чертежи печатных плат представлены на рис.10-12, расположение элементов на платах – на рис.13 – 15.Трансивер собран в корпусе, изготовленном из двух п-образных пластин дюралюминия. Блок УМ прикреплён к задней стенке корпуса. Отсек, в котором находится УМ, отделён от остальных узлов трансивера экранирующей перегородкой (рис.9). Транзистор VT8 изолируется от корпуса с помощью слюдяной прокладки.
Настройку трансивера начинают с укладки частот ГПД. На плату ГПД подают номинальное напряжение питания, к выходу (контакты 4,5) – частотомер.При полностью введённом роторе КПЕ вращением подстроечного сердечника катушки L6 устанавливают нижнюю границу перестройки 10690 кГц, после этого ротор КПЕ устанавливают в минимальное положение и проверяют верхнюю границу 10870 кГц. Если диапазон перестройки окажется недостаточным, увеличивают ёмкость С2 , если диапазон перестройки велик, значение ёмкости С2 уменьшают. При настройке основной платы в первую очередь проверяют УЗЧ. О его работоспособности можно судить, если прикоснуться отвёрткой к «плюсовому» выводу конденсатора С30. В головных телефонах при этом слышны щелчки. После этого проверяют работу опорного генератора.Подключив частотомер к правому (по схеме) выводу конденсатора С18, убеждаются в работоспособности генератора и подстройкой сердечника катушки L2 устанавливают генерируемую частоту на 200…300 Гц ниже, чем значение частоты в точке –6 дБ на АЧХ фильтра Z1. Так как при первом включении основной платы не известно точное значение параметров фильтра, эту настройку выполняют ориентировочно. Затем отключают систему АРУ, отпаяв один из выводов резистора R23. В режиме приёма подают на вход трансивера немодулированый сигнал ГСС уровнем около 100 мкВ в рабочем диапазоне , добиваются появления в телефонах звукового сигнала. Вращением сердечника L5 настраивают контур ПЧ по максимальной громкости приёма. Уровень принимаемого сигнала можно контролировать либо на слух, либо с помощью милливольтметра или осциллографа, подключенного к выходу усилителя ЗЧ. Для настройки входного ДПФ удобно воспользоваться измерителем АЧХ (при его наличии). Также настроить ДПФ можно с использованием ГСС. На вход трансивера подают сигнал с уровнем около 10 мкВ . Перестраивая ГСС в рабочем диапазоне частот, контролируют уровень выходного ЗЧ сигнала. Вращением сердечников катушек L1 и L4 добиваются максимальной громкости принимаемого сигнала. Система АРУ при этом должна быть отключена. В крайнем случае ДПФ можно настроить по громкости сигналов любительских станций. Дальнейшие настройки выполняют, преключив трансивер в режим передачи. К выходу 9 основной платы подключают милливольтметр и без подачи на вход трансивера звукового сигнала подстройкой резистора R10 добиваются минимума показаний. После этого отпаивают один из выводов резистора R6, чтобы отключить подачу напряжения питания микрофона. На микрофонный вход трансивера подают сигнал генератора ЗЧ амплитудой 5-10 мВ. Генератор перестраивают по частоте с шагом 100…200 Гц. В таком режиме удобно снимать АЧХ кварцевого фильтра и корректировать его параметры. Подбором конденсаторов фильтра и, возможно, резонаторов добиваются минимальной неравномерности в полосе пропускания. Уровень выходного сигнала контролируют на 9 выводе основной платы милливольтметром. Регулятор «Уров. ТХ» устанавливают в среднее положение, чтобы не допустить перегрузки передающего тракта. Нижний предел передаваемых частот должен быть в пределах 300…500 Гц, верхний – 2900…3100 Гц. Сдвиг полосы передаваемых частот в сторону повышения или понижения осуществляется подстройкой частоты опорного генератора. При этом надо иметь в виду, что при сдвиге АЧХ передатчика вверх в передаваемом сигнале снижается уровень низкокочастотных составляющих – тембр голоса оператора становится «сухим». При сдвиге АЧХ вниз тембр голоса становится более «сочным», но может ухудшиться подавление побочных продуктов преобразования. Контроль качества выходного сигнала можно осуществить с при помощи контрольного приёмника. Блок УМ настраивают отдельно от основной платы. Без подачи напряжения питания на оконечный транзистор VT8, настраивают ДПФ передатчика. Методика настройки аналогична методике настройки приёмного ДПФ, описаной выше. Сигнал для контроля выходного уровня можно снять с базы оконечного транзистора. После этого подают напряжение питания на транзистор VT8, к выходу блока подключают согласованую нагрузку 50 Ом. Сначала без подачи на вход блока высокочастотного сигнала устанавливают ток покоя оконечного каскада. Миллиамперметр можно подключить в разрыв цепи питания оконечного транзистора , например, отпаяв одну из ножек дросселя L12. Ток покоя должен быть в пределах 200…220 мА. Его величину можно регулировать подбором резистора R37. При подаче на вход блока УМ сигнала ГСС настраивают контур выходного каскада так, чтобы максимум передачи был в центре рабочего диапазона - примерно на частоте 1915 кГц. Настройка осуществляется подбором ёмкости С62. Заключительный этап настройки – соединение всех узлов трансивера и проверка выходной мощности. При подаче на микрофонный вход трансивера сигнала частотой 400…1000 Гц уровнем 10 мВ выхолная мощность трансивера на нагрузке 50 Ом должна быть не менее 2 Вт. Величину R4 подбирают так, чтобы при максимальном коэффициенте усиления передающий тракт не перегружался. Подстройкой R41 добиваются, чтобы на пиках передачи стрелка индикатора выходного уровня не выходила за пределы шкалы. О том, как настроить S-метр трансивера в режиме приёма, подробно списано в [2]. Выходной каскад трансивера расчитан для работы на нагрузку 50 Ом. При работе на антенну с неизвестным входным сопротивлением (наклонный луч неизвестной длины, Г-образная антенна и т.д.) необходимо будет подобрать количество витков L11 по максимуму излучаемого сигнала, контролируя его по индикатору. Для того, чтобы основную плату трансивера «Аматор-КФ-160» использовать в многодиапазонном трансивере, её необходимо доработать. Элементы входного ДПФ удаляются и на их месте устанавливается фильтр-пробка, настроеный на частоту ПЧ (рис.8).
Этот фильтр предназначен для того, чтобы ослабить помехи с частотой ПЧ, проникающие на вход тракта. Влияние этих помех более заметно на тех диапазонах,частота которых близка к Fпч (7,10,14 мГц). L’ содержит 16 витков провода ПЭВ-2 0.25 на каркасе диаметром 5 мм.
А. Темерев ( UR5VUL), Украина. г. Светловодск, Кировоградской обл. mailto:temer (at) 360.com.ua |
