Что-то не так?
Пожалуйста, отключите Adblock.
Портал QRZ.RU существует только за счет рекламы, поэтому мы были бы Вам благодарны если Вы внесете сайт в список исключений. Мы стараемся размещать только релевантную рекламу, которая будет интересна не только рекламодателям, но и нашим читателям. Отключив Adblock, вы поможете не только нам, но и себе. Спасибо.
Как добавить наш сайт в исключения AdBlockРеклама
Прибор акустического контроля зимовки пчел
Прибор акустического контроля зимовки пчел
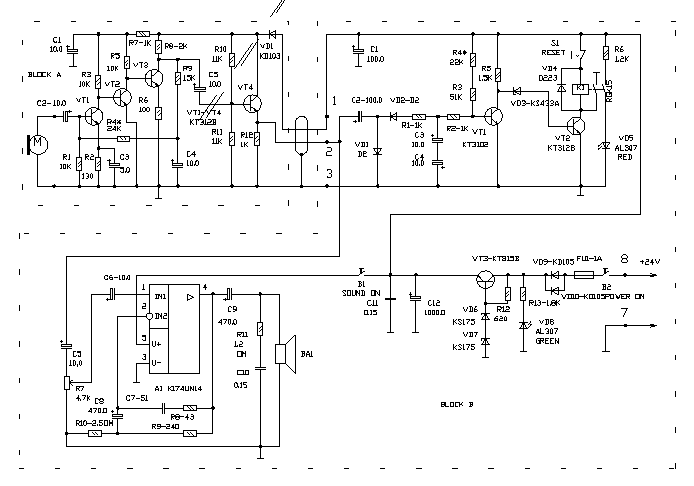
Зимовка ульев с пчелами производится в специальных помещениях - омшальниках. Требования к условиям зимовки: постоянная температура, тишина и отсутствие грызунов - мышей и крыс. Заходить зимой в омшальник категорически не желательно, так как это тревожит пчел и нарушает терморежим. У потревоженных пчел увеличивается расход корма и выделение помёта, что приводит к сокращению числа пчелосемей, нормально прошедших зимовку. Постоянство температуры обеспечивается автоматическими термореле и терморегуляторами. Но кроме этого необходимо прослушивание омшальника на предмет возбужденного состояния пчел, или наличия грызунов. Причем, при возникновении подозрительного шума, необходима сигнализация об этом событии хозяину - пчеловоду. Схема принципиальная:
Устройство состоит из двух блоков. Блок A находится в омшальнике и представляет собой микрофонный усилитель с эмиттерным повторителем на выходе. Конструктивно это металлическая коробка с платой внутри и прикрепленным прямо к ней микрофоном. Блок висит в омшальнике прямо на кабеле, переброшенном через загнутый гвоздь, вбитый в потолок. Провод, соединяющий блоки A и B - низкочастотный двухжильный экранированный кабель. Блок B находится в зимнем жилом помещении пчеловода и состоит из узлов: VD1, VD2 - детектор, VT1 - усилитель постоянного тока, VD3, VT2 - ключ реле, K1 - реле, A1 - усилитель акустического сигнала, VT3 - стабилизатор питания, BA1 - громкоговоритель. Питание устройства включается тумблером B2. Устройство питается от источника 24V - выпрямителя с фильтром или аккумулятора. При включении тумблера B1, питание подается на усилитель A1, и при этом происходит прослушивание омшальника. В дежурном режиме B1 разомкнут, VT1 открыт через R2, R3, а VD3 и VT2 закрыты, реле K1 обесточено. При появлении шума в омшальнике, напряжение акустического сигнала детектируется на VD1 и VD2 и в отрицательной полярности прикладывается к базе VT1. VT1 закрывается. Как только напряжение на коллекторе VT1станет больше напряжения стабилизации стабилитрона VD3, он открывается. При этом открывается VT2 и срабатывает реле K1, которое блокируется через свой контакт и остается включенным и после окончания шума в омшальнике. При этом загорается светодиод VD5, сигнализируя пчеловоду о том, что в омшальнике происходил подозрительный шум. Через это же реле, при желании можно включать какой - либо звуковой сигнализатор. Возможны и другие варианты. Здесь применен простейший: произошел шум - включился светодиод. При нажатии на кнопку S1, реле K1 обесточивается и схема переходит в дежурный режим. Plot - файл PCAD 8.5 схемы + программа печати Plot - в Windows: beecontrol.zip
|
