Что-то не так?
Пожалуйста, отключите Adblock.
Портал QRZ.RU существует только за счет рекламы, поэтому мы были бы Вам благодарны если Вы внесете сайт в список исключений. Мы стараемся размещать только релевантную рекламу, которая будет интересна не только рекламодателям, но и нашим читателям. Отключив Adblock, вы поможете не только нам, но и себе. Спасибо.
Как добавить наш сайт в исключения AdBlockРеклама
Прибор для контроля работы микросхем
Прибор для контроля работы микросхем
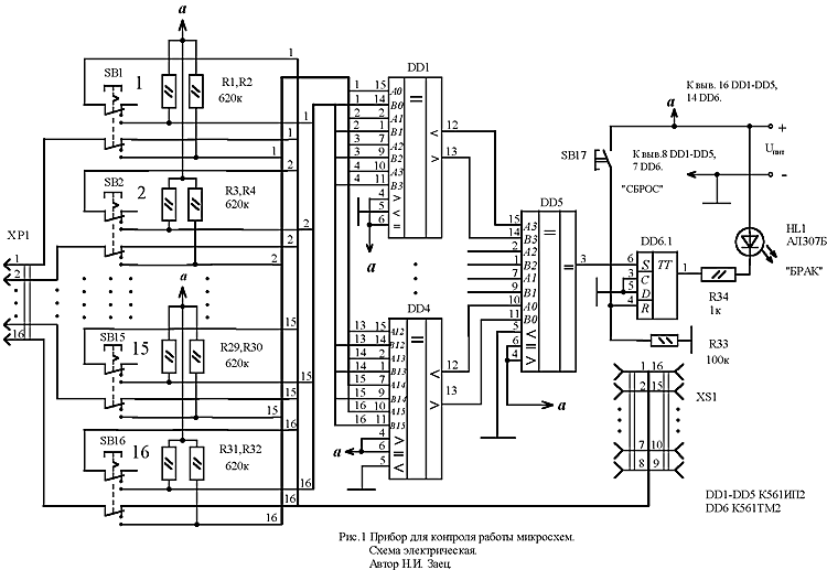
Лет десять назад мне пришлось заниматься ремонтом специализированных ЭВМ, которые содержали большое количество ТТЛ-микросхем. Длительная и однообразная работа логическим пробником была непродуктивной. Дело в том, что в статике микросхемы часто работали нормально, а при подаче на них тактовых импульсов работали неправильно. Например: разряд счетчика может иметь выходные импульсы такие же, как и предыдущий или последующий разряды; один из входов или выходов простых логических микросхем могут иметь обрыв или "сидеть" на одном из уровней, а в статике логика работы будет совпадать. Кто занимается ремонтом, тот хорошо знает какое счастье быстро найти подобную неисправность. Поэтому я сделал простой прибор для контроля работы микросхем без их выпаивания в динамическом режиме работы. Преимущество предлагаемого прибора от аналогичных [1] заключается в простоте схемного решения, возможности проверки любых типов микросхем (при соответствующей элементной базе), возможности проверки микросхем без выпаивания из платы в динамическом режиме и одиночных микросхем из кассы. К недостаткам можно отнести невозможность однозначной проверки некоторых сложных микросхем, в которых используются короткие запускающие импульсы, генераторов. Невозможность проверки микросхем, работающих на больших частотах, хотя последний недостаток можно попытаться решить с помощью применения в приборе более быстродействующей серии микросхем. Основной недостаток - необходимость иметь набор образцовых микросхем аналогичных проверяемым микросхемам. Идея прибора заключается в сравнении выходных сигналов исследуемой микросхемы с выходными сигналами образцовой микросхемы. При чем на входа образцовой микросхемы подаются входные сигналы проверяемой микросхемы. Для всех типов микросхем оптимально использовать микросхемы цифровых компараторов: К555СП1, К531СП1 -ТТЛ; К561ИП2 -МОП. Можно использовать микросхемы четырехразрядных полных сумматоров или схем исключающее ИЛИ с соответствующей логикой сравнения. Рис.1. Принципиальная схема прибора для проверки МОП микросхем. На рис.1 показана принципиальная схема прибора для проверки МОП микросхем. Сигналы проверяемой микросхемы со щупа поступают на разъём ХР1 и через переключатели SB1-SB16 подаются на микросхемную панель XS1 или на входа А компараторов DD1-DD4. Результат сравнения компараторов суммируется микросхемой DD5 и через триггер DD6 индицируется светодиодом HL1. При отжатом переключателе SB входной сигнал подаётся на соответствующий вывод панели под микросхему. При нажатом переключателе SB входной сигнал поступает на входа А компараторов DD1-DD4, а аналогичный вывод микросхемной панели соединяется с входами В компараторов DD1-DD4. Таким образом, переключатели SB должны быть нажаты только те, номера которых соответствуют выходам проверяемой микросхемы (даже если они не используются). Номера переключателей, которые соответствуют входам проверяемой микросхемы и питанию, должны быть отжаты. Вначале работы с прибором необходимо выписать со справочника все номера выходов микросхем, которые будут проверяться. Затем в панель вставляется образцовая микросхема, и устанавливаются переключатели SB. Полезно на передней панели прибора сделать надпись "? ВЫХОДА -НАЖАТЬ!". Далее подключается щуп к проверяемой микросхеме в соответствии с ключом. ВНИМАНИЕ! Все операции необходимо проделывать с выключенным питанием прибора и исследуемой схемы. Важно проверить правильность установки образцовой микросхемы, щупа и переключателей. В противном случае можно вывести из строя годную микросхему. Так как МОП - микросхемы не выдерживают незадействованных входов, на все входа цифровых компараторов DD1-DD4 через резисторы R1-R32 подано напряжение равное чуть больше половины напряжения питания. Поэтому, если произошло неправильное подключение, то одна из микросхем может выйти из строя. Далее подаётся питание и кратковременно нажимается кнопка SB17, если в это время светодиод HL1 не светится, то проверяемая микросхема исправна. Если во время нажатия кнопки SB17 светодиод загорается, а потом потухает, то проверяемая микросхема, скорее всего, годна. Это происходит потому, что сказывается задержка прохождения сигнала и тем больше, чем короче длительность импульса. Передний фронт сигнала под воздействием ёмкости монтажа и сопротивления интегрируется и происходит небольшое смещение выходного сигнала. В результате на выходе микросхемы DD5 кратковременно появляется уровень логического ноля. Что в свою очередь даёт возможность обнулить триггер DD6.1 кнопкой SB17. Когда на выходе DD5 присутствует постоянный уровень логической единицы (полное равенство кодов на входах компараторов), триггер DD6.1 обнулить невозможно. Если проверяемая микросхема не годна, то светодиод горит постоянно. Микросхемы из кассы сравниваются с микросхемой на любой работающей плате. Проверив микросхему на плате, поочерёдно вставляют в микросхемную панель микросхемы из кассы и проверяют их. Конструктивно прибор состоит из печатной платы, на которой установлены микросхемы и передней панели. На передней панели установлены переключатели типа П2К с независимой фиксацией, кнопка типа КМ1-1 и панель под микросхему типа РС16. Сбоку установлен разъём типа МРН-32. Все коммутационные элементы могут быть заменены на любые из имеющихся в наличии. Все резисторы типа МЛТ-0,125 установлены на переключателях. Плата и передняя панель соединены монтажными проводами. Напряжение питания лучше брать с проверяемого устройства. Если такой возможности нет, то напряжение питания должно быть не менее чем напряжение проверяемой платы. Рис. 2 Конструкция щупа Рассмотрим конструкцию щупа. Щуп (рис.2) сделан из швейных игл одинаковой длины (40мм), двух плат с металлизированными отверстиями заводского изготовления под 16 выводов (макетная плата) и стяжных винтов. Плата заводского изготовления желательна, так как на ней более точно просверлены отверстия под микросхему. Иглы вставляются в отверстия двух плат так, чтобы их концы одновременно становились на плоскость, и припаиваются к верхней плате с помощью аспирина. Затем платы стягиваются винтами так, чтобы свободные концы игл были около 15 мм. К иглам припаивается жгут из провода МГТФ 0,07 с ответной частью разъёма МРН-32. Длина жгута - не более 25 см. Сверху щуп закрывается защитной крышкой. Щуп устанавливается на микросхему со стороны корпуса сначала одним рядом игл, потом с небольшой натяжкой вторым рядом игл. Таким образом, выводы микросхемы оказываются зажатыми между иглами. Обеспечивается хороший контакт выводов микросхемы с иглами щупа, даже если плата покрыта лаком. Литература.
|

