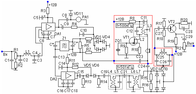
Схема простого ограничителя НЧ сигнала
Николай, RZ4HX
Email rz4hx (at) infopac.ru |

Детали:
R1 - 470, R2 - *100, R3 - 750, R4 - *10K, R5 - 470, R6, R7 - 200, R8
- 1K, R9 - M10, R10 - *1K2
R11 - 100, R12 - *51K, R13, R14 - 2K2, R15, R16 - 510, R17 - 8K2, R18
- 47K, R19 - 1K5, R20 - 390
R21 - 20K. C1, С13 - 6H8, C2, C3 - 33H, C4 - 1M0, C5,C6,C7,C28 - 10 мкф,
C8 - 25мкф,
С10, С11, С13, С14, С15, С16, С17, С18, С19 - 22Н, С12 - Н20, С21 - 2П2,
С23, С24 - 6Н8,
С25, С26 - 33Н, С27 - 10мкф, С28, С29 - 20мкф. ZQ1 - 500кГц. VD1…..VD10
- КД511,
VT1 КП303Е, VT2 - КТ315, DA1 - 118УН1В, DA2 - 118УН1Д, Z1 - ЭМФ-500-3В.
Все контура выполнены с использованием СБ12а и помещены в экраны от р/ст
"Пальма".
R1 регулирует степень ограничения, R21 уровень выходного сигнала при макс.
ограничении.
Конструктивно ограничитель выполнен на плате из двухстороннего стеклотекстолита.
Одна сто-
рона выполняет роль общего провода. Плата помещена в экран из жести, так-как
схема чувствитель-
на к наводкам 50-100 Hz. Питание осуществляется от трансивера.
При возникновении вопросов - пишите на мой E-mail
Николай, RZ4HX
rz4hx (at) infopac.ru
|