Электронный ключ
Николай, RZ4HX
E-mail: rz4hx (at) infopac.ru |

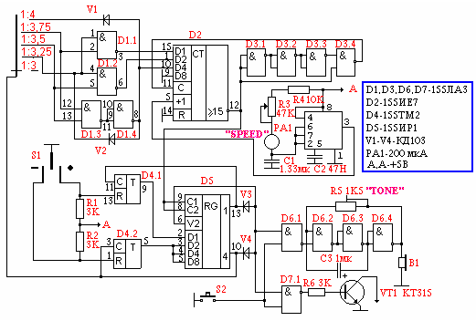
При изотовлении эл. ключа по описанию из журнала "Радио", схему
генератора тактового генератора заменил и появилась возможность устанавливать
скорость передачи.
Калибровка стандартная (PARIS). Привожу рисунки печатной платы и внешний
вид, а так же манипулятора (не мной придуманного, но работает хорошо).
Манипулятор

Внешний вид ключа
При возникновении вопросов - пишите на мой E-mail
Николай, RZ4HX
rz4hx (at) infopac.ru
|