Что-то не так?
Пожалуйста, отключите Adblock.
Портал QRZ.RU существует только за счет рекламы, поэтому мы были бы Вам благодарны если Вы внесете сайт в список исключений. Мы стараемся размещать только релевантную рекламу, которая будет интересна не только рекламодателям, но и нашим читателям. Отключив Adblock, вы поможете не только нам, но и себе. Спасибо.
Как добавить наш сайт в исключения AdBlockРеклама
Радиолюбительский трансивер DM-2002M
Радиолюбительский трансивер DM2002M
| Кир Пинель YL2PU. Aizpilsetas # 33 -4 E-mail: yl2pu (at) dpunet.lv |
Содержание:
- Краткое описание
по модернизированным платам А4-1М и А4-2М - Описание схемы и наладки ГУНа
- Очень краткое описание органов управления и индикации
- Присвоение диапазонов цифровым клавишам
- Печатные платы
Смотри также
1. Краткое описание по модернизированным платам А4-1М и А4-2М.
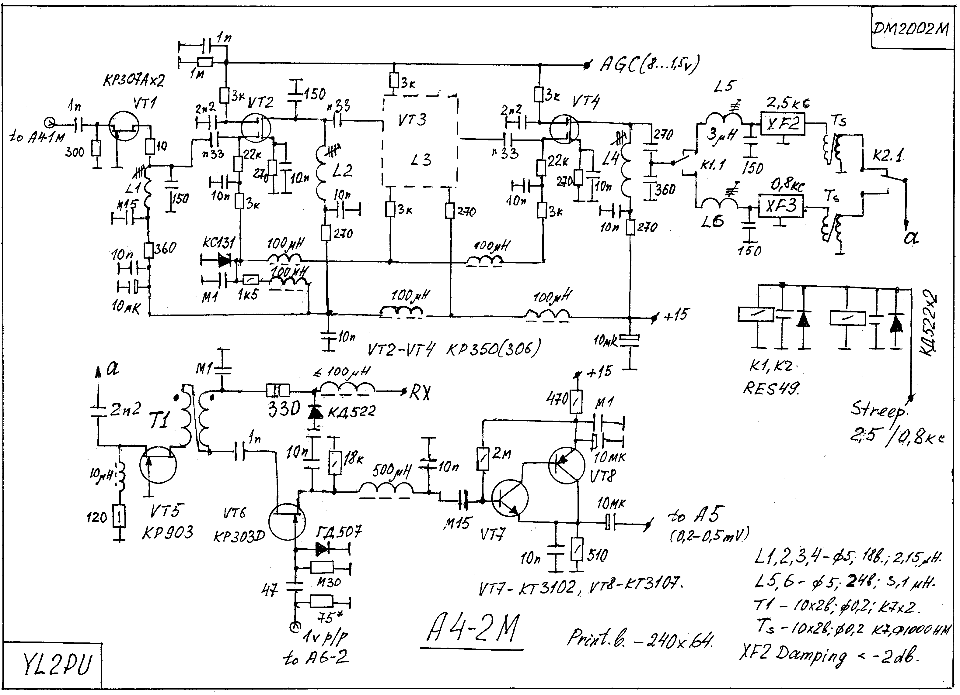
Плата А4-1М – тоже назначение, что и ранее, только выполнена на современных "мощных" СВЧ- компонентах. Смеситель на 2P907Ax2, предварит. ПЧ на 2T939A, предварительная селекция на RX – XF1, и основная для TX. Для упрощения коммутации, тракт этой платы полностью реверсивный , как на RX, так и на TX. Коммутация каскадов и переключателей на диодах KD409A. Все тонкости – на схеме и на печатке.Резисторы на схеме, помеченные как 2 ваттные, типа С5-42, они меньше, чем МЛТ2.
При отсутствии 2P907, можно поставить подобранную пару 2P905, хуже не будет. Смесители на 907/905 все- таки дают небольшую "фору" остальным… Сигнал гетеродина на усилитель смесителя только SIN! Величиной 200 – 250 mV. ( При использовании синтеза, сигнал проходит через соответствующие ФНЧ и атеннюаторы. Смотри как пример : плата LPFVFO - для синтеза).
Рис.1 Приципиальная схема модифицированного модуля А4-1М (щелкните мышью для увеличения)
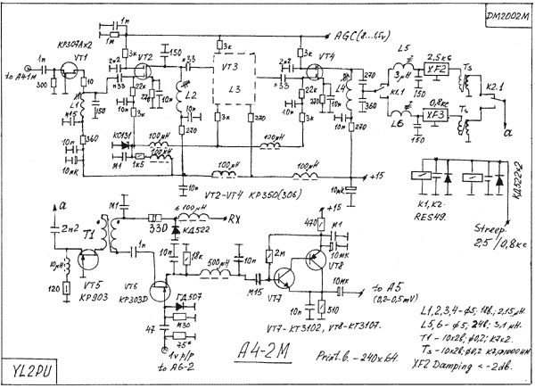
Плата А4-2М – основная ПЧ с дополнительной селекцией на XF2, XF3. От "старой" А4-2 - отличается тем, что сокращено кол – во элементов и упрощена коммутация. Фильтры XF1 и XF 2 одинаковы, имеют полосу пропускания 2.5 Kc и затухание в полосе, при согласовании по схеме А4-2М, менее 2 db. На конкретном экземпляре было – 1,58 db. Фильтры выполнены по описанию, смотри в журнале Радио на DM2002 / YL2PU .
Рис.2 Приципиальная схема модифицированного модуля А4-2М (щелкните мышью для увеличения)
Печатки выполнены в формате LAY, рисунки расположения деталей на платах в цвете, в PCX. Фольга сверху сохранена, платы после настройки закрыть экранами, коробки из дюраля, или из стекло-гетинакса.(Можно из луженой жести - J )
Платы А1, А3 – ФНЧ, ДПФ – без изменений. Плата А2( New ) – РА на 2P901Ax2 (~40 w) – раслоложена на задней стенке, рядом с А1. Все данные на нее на сайтах СКР и QRZ. Платы А5 (УНЧ, АРУ), А6-1, А6-2 (Формирователи SSB / CW) – можете применить по описанию на DM2002, или фантазировать сами, соблюдая указанные уровни. Главное – входные полосовики А3, ДПФ - делайте по Рэду и не упрощайте , ДИНАМИКА и прочее.
Основная "заморочка" - качественно намотать более 20 балунов и дросселей. Также применять качественные элементы, указанные на схемах. Короче – агрегат ручной сборки, для "умелых ручек" :-). Прошу, не применять дросселей типа ДМ, ДП – это готовые магнитные антенны. Не смущайтесь наличием многих диодов (КД522) – это эффективное средство защиты от импульсных помех, возникающих в цепях, содержащих индуктивную составляющую, при коммутации этих цепей. Если не страшно, можете повторять без проблем. Еще раз – от качества балунов, дросселей и компонентов будет зависеть конечный результат.(Не забудьте экранировку и все, ранее данные, рекомендации).

Рис. 3. Схема включения
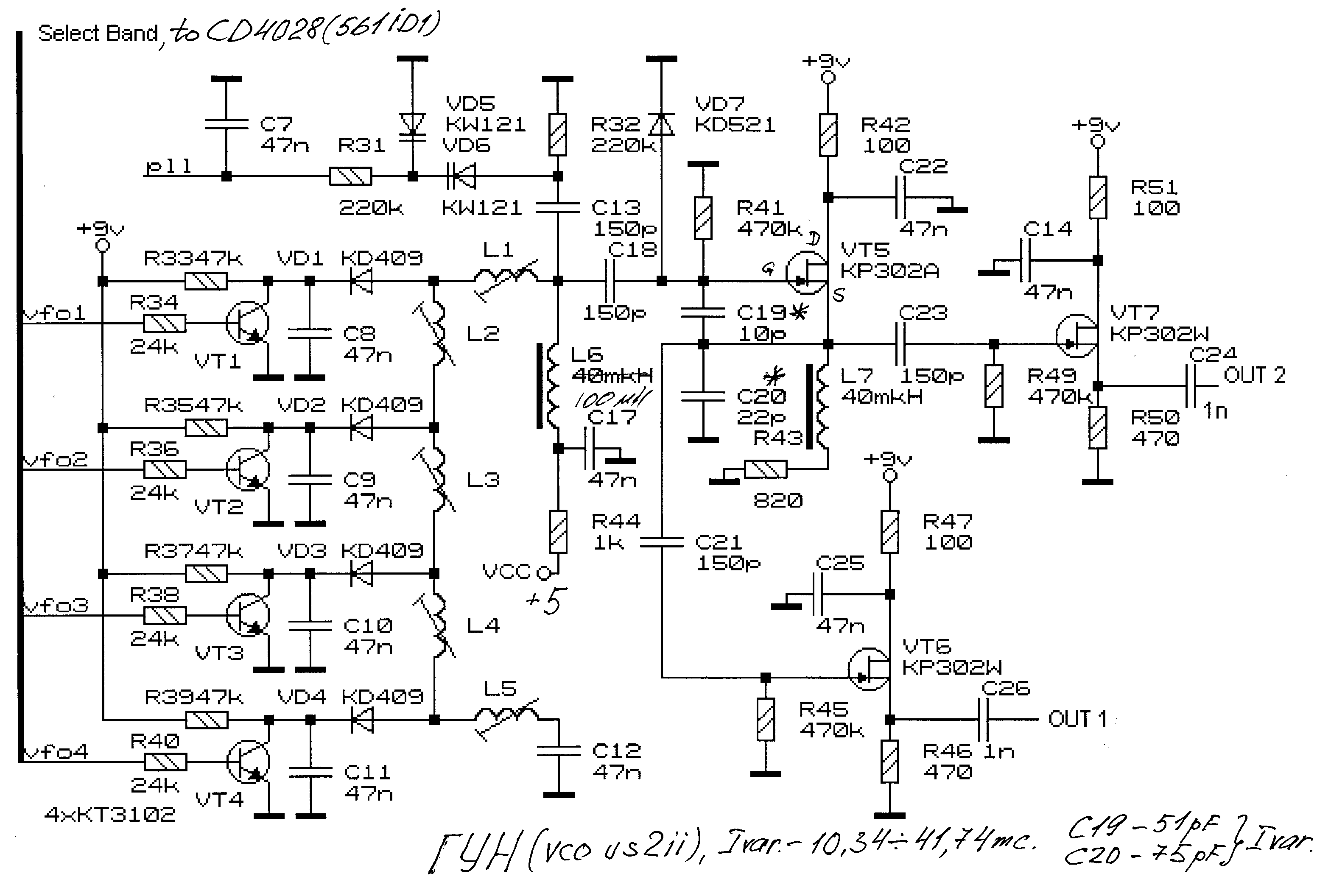
2. ГУН (VCO DDS)
Рис.4. Блок-схема включения синтезатора и органов управления
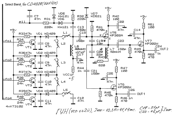
Рис. 5. Принципиальная схема ГУН (щелкните мышью для увеличения)
Описание схемы и наладки ГУНа и данные.
Были использованы идеи RU6BK / Viktor и программа RV6YP/ Alex , за что Vy Tnx . Также tnx UT2FW / Alex за советы и рекомендации.
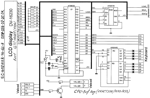
В качестве ЦПУ применяется AT89C52 c буферными регистрами для периферии. На второй плате расположен ГУН по схеме US2II – 1 вариант (10,34 – 41,74 mc ) и петля FLL с управляемым делителем на AD 9851(9850),корпус TSSOP-(RU-28), шаг 0,65.
Данные катушек ГУНа :
- L1 - 6w; d 0.5; 0,49uH; Dk-5. Все катушки – карболит вч, или полистирол, с пропиткой
- L2 - 3w; d 0,5; 0,23uH; Dk – 5. полистирольным лаком – 2 слоя.
- L3- 6w; d 0,5; 0,47 uH; Dk – 5.
- L4 – 8w; d 0,5; 0,67uH; Dk – 5.
- L5 – 22w; d 0.21; 4,6uH; Dk –6. Суммарная индуктивность – включены все L – 6,46 мкГн .
Подстройка всех катушек – СЦР 4 Карбонил.
Проверку и настройку начинать с наиболее высокочастотного диапазона - L1. Перед этим запитать ГУН отдельно, подав 9 и 5 вольт от стабилизированного источника, или от "родного" . В цепь варикапа подать управляющее U~ 2-9v от потенциометра, например. Совет – лучше применять варикапы КВ121, КВ 131, КВ132.
Настроить – сердечник L 1 – чтобы перекрытие по частоте было около 38- 42 mc , при изменении напряжения на варикапах в указанных границах. После этого, зафиксировать сердечник воском или церезином и более эту катушку НЕ ТРОГАТЬ . Далее, аналогично – L2,L3,L4,L5. Для переключения на нужный диапазон подавать логическую 1 (+8-9 v) на соответствующий ключ ГУН : на базу КТ3102. Для хорошей развязки, по всем цепям питания, стоят дроссели – выполнять только НА КОЛЬЦАХ! Все - кольца, номиналы деталей - показаны на рисунках плат, см. PrintUp * PCX , которые можно использовать для контроля при сборке.
Не забудьте экранировать ГУН, а также пропаять указанные места. На DDS чипе применены SMD компоненты типоразмера 0805.
Более подробные сведения смотри в описании RU6BK Manual, раздел: заполнение Setup и расклад частот ГУН и VFO .
При применении чипа AD9851(9850) частота опорника ( CXO ), может быть любая, от 10 до 120 mc. Предпочтительно в пределе 22 – 33 mc, от старых Videocards PC, или "материнок". Использован на 32.500.000. Для выбранного Fx CXO = 32.500.000 и модуля DDS = 2^31; Далее смотри вместе с описанием RU6BK Manual.
Коды перестройки, по формуле (1) находим :
N = (2^31/Fosc*Kdiv)*DeltaF (1)
Имеем -
- Mod DDS = 2147.483.648.
- Kdiv ГУН = 128 ;( реальное)
- Fif = 8830;
- Fosc = 32500000
- Kdiv = 0000.000.064 (расчетное)
Согласно расчету имеем :
- St . w 1 = 0000.000.001 - Ступень перестройки 1 Hz (DeltaF)
- St . w 2 = 0000.000.010 - то же 10 Hz
- St . w 3 = 0000.000.103 - 100 Hz
- St . w 4 = 0000.001.032 - 1000 Hz .
Эти данные расчета заносим в Setup, согласно описанию. Если Вы использовали Fcxo на другую частоту , пересчитайте также и занесите в Setup свои данные ,расчитанные по вышеприведенной формуле.
В зависимости от Kdiv ( реального на 74HC4060) изменится частота среза ФНЧ на выходе DDS. При выбранном К :128 , Fs = 350 kc.
Далее, для справки.
Data Sheets of AD9851 (9850) . pdf, by www.analog.com
По документации на AD 9851 смотри Table I , Fig .17. Table III, Fig. 18,19.
При последовательной загрузке - програмирование слова W0 –xxxxx011, производится на входах D2, D1, D0 ( схемно, подачей лог. 0 или 1), при этом первые 8 bit ( из 40) сдвигаются и загружаются 32 bit . Также System Clock = REFCLK , т.е. 6 xREFCLK Multiplier выключен, и системное время определяется опорным кварцевым генератором, поданным на 9 pin AD 9851 . Включить умножитель частоты кварца на 6 , можно изменив потенциалы на входах D 2, D 1, D 0. При замене на AD 9850, комбинация та же, так как у нее умножитель на 6 отсутствует, все остальное не меняется.
3. Очень краткое описание органов управления и индикации
Рис. 6 Раскладка клавиатуры на передней панели (щелкните мышью для увеличения)
Управление контроллером осуществляется при помощи клавиатуры и валкодера, расположение клавиш на клавиатуре показано ниже. Назначение приведено в таблице 1.
Рис. 7 Принципиальная схема блока CPU (щелкните мышью для увеличения)
Вид дисплея в основном режиме показан на рисунке. Верхняя строка соответствует VFO _ A , а нижняя – VFO _ B .

В верхней строке индицируется только состояние VFO _ A . Нижняя строка служит для отображения состояния VFO _ B , каналов памяти, величины и знака расстройки. Кроме этого в позициях индикации частоты может отображаться шаг перестройки. Это происходит динамически во время нажатия на клавишу Fast .( Step )
Возможные режимы для VFO _ A (верхняя строка):
| - - | VFO не активен |
| RT | основной режим |
| TX | передача |
| RX | прием |
Возможные режимы для VFO _ B (нижняя строка):
| - - | VFO не активен |
| RT | основной режим |
| TX | передача Split |
| RX | прием Split |
| RxClar | Clar |
| Mxx | MEM , хх – номер канала памяти |
Виды излучения:
| LSB | SSB нижняя боковая |
| USB | SSB верхняя боковая |
| - CW | телеграф нижняя боковая |
| + CW | телеграф верхняя боковая |
| AM | амплитудная модуляция |
| FM | частотная модуляция |
| PR | цифровые виды работы |
| GEN | генератор сигналов |
3.2 Память
Контроллер имеет 100 индексированных каналов памяти, доступ к этим каналам осуществляется в режиме МЕМ путем задания номера канала. Кроме этого имеется 10 стеков по 3 ячейки в энергонезависимой памяти и два оперативных стека, соответствующие VFO _ A и VFO _ B . Оперативные стеки загружаются и управляются, позволяющие листать странички памяти, оставлять интересующие частоты на стеке и извлекать в оперативном порядке или по прошествии значительного времени.
Формально каждая цифровая клавиша управляет стеком из трех ячеек памяти.
Организация стека схематично показана на рисунке.
Первое нажатие цифровой клавиши:
а) копирует ранее сохраненные коды частот из энергонезависимой памяти в стек
б) помещает код частоты с вершины стека в активный VFO
Каждое последующее нажатие этой же клавиши вызывает цепочку событий:
а) текущее значение из VFO переносится на вершину стека
б) происходит смещение данных в стеке таким образом, что код, который находился под вершиной становится самым верхним, а прежнее значение опускается на дно стека
в) код с вершины поступает в активный VFO
Нажатие другой цифровой клавиши производит загрузку стека кодами частот, соответствующими этой клавише. Если активный VFO _ A , то ячейки стека предварительно сохраняются в соответствующей области энергонезависимой памяти.
Ячейки стеков могут быть заполнены ЛЮБЫМИ значениями частот. Для упорядочения желательно клавише (стеку) присваивать значения частот из одного поддиапазона.
3.3 Порядок работы
Порядок работы зависит от предыстории, так как перед последним выключение питания могла быть выполнена операция сохранения текущего состояния. Поэтому сначала будет описана последовательность перехода в основной режим.
- Работа в основном режиме
- Включить питание контроллера (трансивера).
- Если оказался включен один из режимов Split , Clar или Mem , выключить нажатием соответствующих режиму клавиш.
- При помощи клавиши А/В установить активным VFO _ A . При этом на дисплее в поле режима VFO _ A должны появиться символы RT , как показано на рисунке.
- Нажатием цифровой клавиши выбрать необходимый диапазон.
- Установить необходимый вид излучения при помощи клавиш CW , SSB , Misc .
- Перестройку по частоте осуществлять при помощи клавиш UP , DN или валкода.
- При необходимости валкод можно заблокировать. Для этого необходимо нажать клавишу Lock .
Шаг перестройки переключать нажатием клавиши Fast (Step). При первом нажатии на эту клавишу на дисплее в позиции чстоты активного VFO будет индицироваться текущий шаг перестройки. Последующие нажатия будут по кольцу перебирать значения шага. Всего имеется четыре значения.
НЕДОРАБОТОЧКА! Существует возможность задавать в SETUP шаги перестройки отдельно для валкода и клавиатуры. Но на индикацию выводятся только значения для валкода, хотя переключение на соответствующий шаг для клавиатуры происходит. Есть по крайней мере два выхода.
а) установить в SETUP одинаковыми значения для клавиатуры и валкода
б) установить в SETUP одинаковыми все четыре значения шага перестройки для клавиатуры. И знать, что клавишами UP и DN перестройка, например на 100кГц.
Текущую частоту можно направить в VFO _ B , для этого нажать клавишу А=В.
Для переключения на работу от VFO _ B нажать клавишу А/В. При этом в позиции режима VFO _ A появятся прочерки, а в позиции режима VFO _ B – символы RT . Выбор диапазона, вида излучения, шага перестройки производится аналогично VFO _ A .
Работа в режиме Split .
- Нажать клавишу Split .
- Установить необходимый диапазон,частоту и вид модуляции для VFO _ A .
- Нажать клавишу А/В.
- Установить необходимый диапазон,частоту и вид модуляции для VFO _В.
- Клавишей А/В выбрать необходимый активный VFO . Активным, доступным для перестройки в режиме Split является VFO с режимом Rx .
Работа в режиме Clar .( RIT , XIT )
- Нажать клавишу Clar при этом на дисплее в нижней строке отобразится этот режим с величиной расстройки. Частота передачи фиксируется, а частота приема определяется знаком и величиной расстройки.
- При необходимости можно поменять местами частоты приема и передачи при помощи клавиши А/В.
- Для быстрого обнуления величины расстройки нажать клавишу Ent .
Работа в режиме МЕМ.
- Нажать клавишу V / M . При на дисплее в нижней строке отобразится режим МЕМ.
- Для записи частоты из VFO _ A в канал памяти, необходимо клавишами UP и DN установить требуемый канал памяти и нажать клавишу А/В. При необходимости вернуться в VFO _ A и обратно, использовать клавишу А/В.
- Для отправки частоты из канала памяти в VFO _ A нажать клавишу А=В.
3.4. Заполнение SETUP
Общие сведения.
При первом включении контроллера, смене ПЧ, шага перестройки и т.д. необходимо занести системные параметры в SETUP . Назначение, наименование пунктов меню и численные значения параметров сведены в таблицу 2.
Значения кода DDS для шагов перестройки рассчитываются по формуле:
формула(1 ) N =(2^32/ F * Kdiv )* Delta F , где:
N - Код шага перестройки
F - Частота DDS , Гц
Delta F - Шаг перестройки, Гц
2^32 - 4294967296
Kdiv - значение из п.4 SETUP
Остальные параметры, имеющие размерность частоты вводятся непосредственно в Гц.
Ввод параметров:
- Выключить питание контролера (трансивера)
- Удерживая клавишу V / M включить питание
- После входа в меню SETUP отпустить клавишу V / M
- Клавишами UP и DN выбрать необходимый пункт меню
- Для ввода значения нажать клавишу Ent . При этом появится мигающий блок- курсор в начале строки. Ввести новое значение. Неправильно введенный символ исправлять клавишей Bs ( A > B ). Заканчивать ввод нажатием клавиши Ent . При вводе лидирующие нули обязательны, но заключительные можно не вводить, завершив набор нажатием Ent .
- По окончании заполнения SETUP выключить питание.
4. Присвоение диапазонов цифровым клавишам
Общие сведения.
При незаполненной памяти при нажатии на цифровую клавишу будет устанавливаться частота 7000.000 Гц и вид излучения LSB . Необходимо произвести «закрепление» диапазонов за выбранными клавишами.
Порядок присвоения.
Далее описывается порядок действий на примере присвоения клавише «0» частот диапазона 160м.
- Выключить расстройку, если включена Clar
- Выключить режим Split , если включена Split
- Сделать активным VFO _ A A / B
- Установить максимальный шаг перестройки ( Fast ) Step .
- При помощи клавиш UP и DN или валкода установить одну из частот диапазона 160м.
ВАЖНО! Если при перестройке был переход через частоту, установленную в пункте 3 SETUP , необходимо переключить вид излучения на смежный и вернуть на прежний (если был USB , переключить на LSB , а затем снова USB ) при этом будет правильно пересчитан код, загружаемый в DDS . Это неудобство проявляется только на данном этапе.
Нажать клавишу «0». Не пугаться, если установленная частота на дисплее изменится.
Дважды повторить операции присвоения.
Последовательным нажатием на клавишу «0» убедиться, что все три частоты принадлежат диапазону 160м.
|
Наименование |
Функция |
Режим SETUP |
|
CW |
Выбор телеграфного режима |
- |
|
SSB |
Выбор режима SSB |
- |
|
Misk |
Выбор режимов FM, AM, PR, GEN |
- |
|
Fast |
Выбор шага перестройки |
- |
|
Lock |
Блокировка валкода |
- |
|
Split |
Режим Split |
- |
|
Clar |
Расстройка |
- |
|
A / B |
Выбор активного VFO |
- |
|
V / M |
Режим VFO / MEM для VFO _ B |
Вход в SETUP |
|
A > M |
Поместить частоту и вид излучения из VFO _ A в текущий канал памяти |
- |
|
Up , Dn |
Перестройка по частоте |
Выбор пункта меню |
|
0 – 9 |
Выбор диапазона и страниц памяти |
Ввод численных значений |
|
Ent |
Запоминание текущего состояния системы |
Нач/оконч. Ввода численных значений параметров |
|
A=B (Bs) |
Поместить частоту из активного VFO в пассивный |
Удаление символа левее курсора |
Заполнение SETUP для частоты DDS 50МГц (прямой синтез)
|
№пп |
Наименование пункта меню |
Назначение |
Численное значение |
|
1. |
MOD DDS |
Модуль DDS 2^32 – 1 |
4294.967.295 |
| 2. |
Fosc |
Частота накачки DDS , Гц |
0050.000.000 |
| 3. |
Finv |
Частота смены знака ПЧ, Гц. Если всегда Fc = F гет+ F пч то Finv =0 |
0011.000.000 |
| 4. |
Kdiv |
Коэффициент деления для системы с умножением частоты DDS в петле ФАПЧ, иначе 1. |
0000.000.001 |
| 5. |
Fadd 1 |
Частота подставки (не используется) |
0000.000.000 |
| 6. |
Fadd 2 |
Частота подставки (не используется) |
0000.000.000 |
| 7. |
IF + CW |
ПЧ CW , верхняя боковая, Гц |
0008.830.000 |
| 8. |
IF - CW |
ПЧ CW , нижняя боковая, Гц |
0008.830.000 |
| 9. |
IF LSB |
ПЧ SSB , нижняя боковая, Гц |
0008.830.000 |
| 10. |
IF USB |
ПЧ SSB , верхняя боковая, Гц |
0008.830.000 |
| 11. |
IF AM |
ПЧ АМ , Гц |
0008.830.000 |
| 12. |
IF FM |
ПЧ ЧМ , Гц |
0010.700.000 |
| 13. |
IF PR |
ПЧ для цифровых видов работы |
0008.830.000 |
| 14. |
IF GEN |
ПЧ для режима генератора |
0000.000.000 |
| 15. |
StW 1 |
Код шага от валкода 1 (1Гц) |
0000.000.086 |
| 16. |
StW 2 |
Код шага от валкода 2 (10Гц) |
0000.000.859 |
| 17. |
StW 3 |
Код шага от валкода 3(100Гц) |
0000.008.590 |
| 18. |
StW 4 |
Код шага от валкода 4 (1000Гц) |
0000.085.899 |
| 19. |
St К1 |
Код шага от клавиатуры 1 (1Гц) |
0000.000.086 |
| 20. |
St К2 |
Код шага от клавиатуры 2 (10Гц) |
0000.000.859 |
| 21. |
St К3 |
Код шага от клавиатуры 3 (100Гц) |
0000.008.590 |
| 22. |
St К4 |
Код шага от клавиатуры 4 (1000Гц) |
0000.085.899 |
Для системы с умножением частоты DDS заполнение пунктов SETUP
- MOD DDS = 2^31 = 2147.483.648
- Fosc = 2^20*10 ( Гц ) = 0010.485.760
- Kdiv = K реального ДФКД/2, если Кдфкд = 64, Kdiv = 0000.000.032
пп 15 – 22. Рассчитать шаг перестройки по формуле (1) с использованием MOD DDS , Fosc , Kdiv , определенных в пп. 1, 2, 4.
Расклад частот ГУН вариант 1, для стандартной раскладки частот ГПД:

Расклад частот ГУН вариант 2, для ГПД выше диапазонов: (предпочтительней)

Маркировка ГУН
![]()
Заполнение таблицы для DDS PLL , значения - К дел. ГУН = 64, F пч = 8830 МГц
Mod DDS = 2147.483.648
F osc = 0010.485.760
F inv = 0011.000.000 (0000.000.000 для варианта
2 раскладки частот ГУН)
K div = 0000.000.032
F add = 0
IF = 0008.830.000
IF gen = 0000.000.000
StW1 = 0000.000.006
StW2 = 0000.000.064
StW3 = 0000.000.640
StW 4 = 0000.006.400
Для клавиатуры - те же данные.
Во всех формулах должен участвовать один и тот же модуль и коэффициент деления.
Остальное все верно (для опорного кварца 10.48576). Коэффициент деления берется в два раза меньше реального, так как и модуль берется в два раза меньше (для пущей точности не берем 2^32, так как его на 32 битах отобразить можно с абс. погрешностью -1).
5. Печатные платы.
Для полного понимания внимательно ознакомьтесь со схемами.
Вот краткий перечень печатных плат. Рисунки печаток в формате Lay, расположение
деталей на платах в цвете, в формате GIF.
I. Синтез.
- CPUIR 2 – 115 x 60 - ( CPU + Buf . Reg )
- VCODDS2 – 135x90 – (GUN,DDS,Fll)
- Keyboard – 100x115 – (Keycontr)
II. DM2002M .
- A4-1M – 180x86 – (Mix, Pre IF, XF1)
- A4-2M - 240x64 – (IF,XF2,XF3)
- LPFVCO – 105x98 - (LPF to VCO/Sint)
- MODEsw – 60x60 - (MODE sw. ssb,cw…)
- BANDsw - 88x65 - (Band switch, ex A9)
Все печатки выполнены в программе LayOut v.3 Rus . На всех печатках использовалась, в обязательном порядке, ОБЩАЯ ШИНА – сверху и снизу .
Плата LPFVFO – содержит LPF фильтры 5 порядка + управление VFO A/B ( Sintez -основной), и вход VFO ext . – любой внешний LC VFO (при необходимости, для сравнения) – сигнал Sin <= 250 mV .
Платы MODEsw , BANDsw ( ex A9) – коммутация рода работ и диапазона. Сигнал управления от CPU , дешифраторы – 74 LS 145 (555 ID 10) с повышенной нагрузочной способностью, до 80 mA. Все ключи – КТ816, без радиаторов.
|
Блок ДПКД |
![]() |
|
Блок FLL |
![]() |
|
Блок А4-1М |
![]() |
Блок А4-2М |
![]() |
|
|
Блок LPFVCO |
![]() |
Блок коммутации рода работ MODEsw |
![]() |
|
|
Блок коммутации диапазона BANDsw |
![]() |
Блок клавиатуры Keyboard |
![]() |
|
|
Блок синтезатора CPUIR 2 |
![]() |
Блок VCODDS2 |
![]() |
|
|
Таблица разъемов |
![]() |
Вы также можете скачать все материалы в авторских архивах:
- Принципиальные схемы (*.GIF)
- Печатки в формате Sprint Layout, *.lay
- Расположение деталей, верх (*.PCX)
- Техописание (MS WORD)
схемотехника Виктор И. Воронин RU6BK
программирование Александр Ю.
Костюк RV6YP
Кир Пинель. YL2PU / Daugavpils .
03.04.04
















