Что-то не так?
Пожалуйста, отключите Adblock.
Портал QRZ.RU существует только за счет рекламы, поэтому мы были бы Вам благодарны если Вы внесете сайт в список исключений. Мы стараемся размещать только релевантную рекламу, которая будет интересна не только рекламодателям, но и нашим читателям. Отключив Adblock, вы поможете не только нам, но и себе. Спасибо.
Как добавить наш сайт в исключения AdBlockРеклама
Радиолюбительский трансивер DM-2005
Радиолюбительский трансивер DM-2005
| Кир Пинель YL2PU. Aizpilsetas # 33 -4 E-mail: yl2pu (at) dpunet.lv |
NEW! Доработки схемы (апрель 2008):
- Схему PA2-1var вместо всех схем PA2-xxx.Нормально заработала эта схема с IRF510x2...
- Схемка A4-2Mbfl вместо A4-2Mbf - маленькое улучшение. Схемки и печатки прикреплены, кроме печатки РА - выполняли просто резаком, по месту. В остальном - без изменений.
Описание доработок трансивера от автора (ноябрь 2007)
Содержание:
- Вместо вступления
- Введение
- Общие обязательные рекомендации
- Описание блоков
- Наладка блоков
- Заключение
- Схемы и чертежи печатных плат
- Эскизы конструкции
- Литература
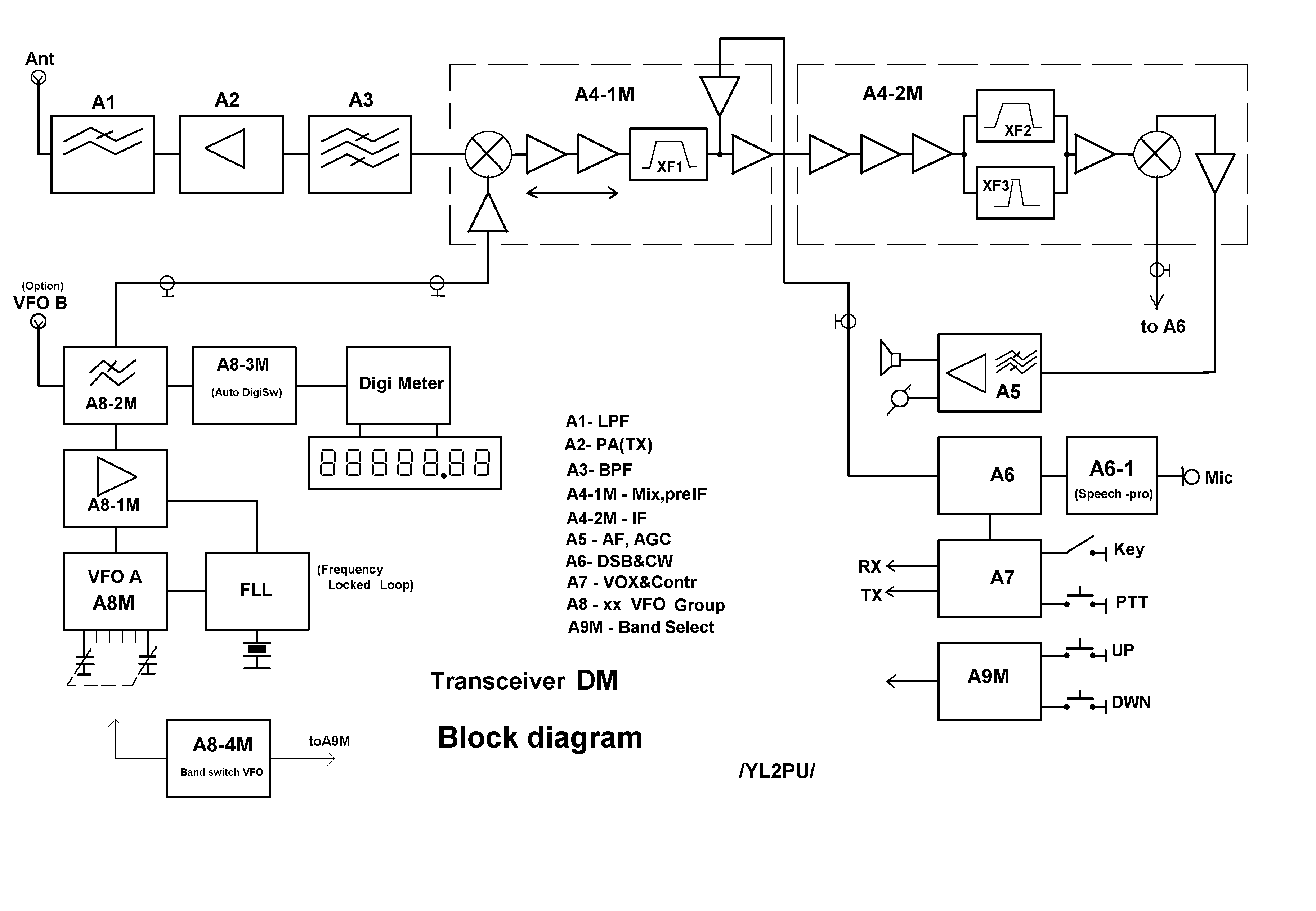
Предлагается Вашему вниманию девятидиапазонный КВ трансивер DM c одним преобразованием.
Трансивер состоит из 10 функциональных блоков и группы гетеродина с цифровой шкалой (A8-XX). Прототипом этого аппарата явились трансиверы L-91 и DM-2002.
Смотрите :
- Журнал “ Радиолюбитель”, Минск, № № 6 – 12,1994, № № 1 – 4, 1995.
- Журнал “ Радио “ , Москва, №№ 5 – 12, 2003, №1, 2004.
Скачать описание, схемы и чертежи:
- Описание WinWord
- Принципиальные схемы: часть 1, часть 2
- Печатные платы (GIF): часть 1, часть 2
- Печатные платы (Sprint-Layout *.lay): часть 1, часть 2, часть 3
Основные данные:
- KP – 15 dbm ( Уровень компрессии)
- IP 3 – 35 dbm ( Уровень составляющих 3 порядка)
- IP 2 – 45 dbm ( Тоже – 2 порядка)
- DB 1 – 146 db ( Диапазон по блокированию)
- DB 3 – 110 db ( Диапазон по интермодуляции)
- Prf = - 131 dbm , или ~ 0,13 uV . ( Уровень шума)
Чувствительность ( пассивный смеситель) = -125 dbm, или < 0,25 uV,
( активный
смеситель ) < = 0,15 uV .
Ptx - >= 40 wtts p-p
Стабильность частоты – не хуже +/- 3 – 5 Гц в час
( При включенной системе FLL – Frequency Locked Loop ).
Практические замеры блокирования .
Уровни блокирования :
Для трансивера L -91 ---------------- 43 dbm или 20 wtts , при отстройке -10 Kc .
Для трансивера DM -2005 ----- 39 dbm или 8 wtts , при отстройке - 5 Kc .
Рисунки всех печатных плат у автора имеются, но не решен вопрос их выпуска.
Интересующихся прошу обращаться к автору. 73!
Kir / YL2PU , Daugavpils, Latvia. yl2pu (at) dautkom.lv
Вместо вступления
Уважаемые коллеги!
После публикации в журнале Радио трансивера D2002, рискну представить Вашему вниманию последнюю разработку – DM2005. Я получил много отзывов и пожеланий. И в этой модели кое что упростил, кое что усложнил (относительно), конечно, не в ущерб качеству.
Я понимаю,что многие HAMs предпочитают купить готовые <забугорные> аппараты,чем самому сидеть с паяльником и своими руками изготовить достойный трансивер. Конечно трудно одному быть и разработчиком, и монтажником, и прочее, и прочее… Все решения проверены и можно их применять в ваших аппаратах, это – тракт приема – А1, А3, А4-1М, А4-2М, а также систему поддержания стабильности частоты VFO – схема FLL, даже для любых, уже работающих гетеродинов. Все печатки выполнены в проге SprintLayout v30 и позволяет распечатать на месте все рисунки проводников в М1:1. Можно конечно и в PCAD, но это уже для промышленного применения…
На всех принципиальных схемах , по возможности, даны режимы по постоянному току и основные уровни сигналов. Там же и основные моточные данные. Расположение деталей на платах и их номиналы показаны в цвете в *.gif. Фото 2х основных плат – А4-1М и А4-2М также приведены, постараюсь дать фото других плат попозже. Все остальное в описании.
Успехов, 73! YL2PU / Kir.
1. Введение
Прежде, чем приступить к повторению аппарата, просьба еще раз освежить в памяти теорию ( см. литературу Л.1 - 5 ) и внимательно прочитать ВСЕ рекомендации, расположенные ниже... Согласно ( Л.5 ), односигнальный динамический диапазон ( ОДД ) лучше характеризует работу приемника в реальных условиях, так как позволяет оценить максимальный уровень помех, незначительно ухудшающих прием и показывает устойчивость приемника к явлениям “забития” и перекрестной модуляции, так как все величины - DB1, DB2, DB3 - связаны между собой... ОДД или DB1 - ограничен снизу минимальными шумами Prf = ( - 174 ) + Frx + ( 10lg Bp), а сверху - пределами линейной части характеристики его каскадов, т. е. начало уменьшения сигнала на выходе RX ( обычно на 3 db ) при достижении сигнала помехи ( или генератора, ее имитирующей ) своего максимального уровня... Ниже будет приведен пример снятия этого параметра ( аналогично двухсигнальному методу ). Согласно тому же источнику, при применении двухсигнального метода, строится график зависимости выходной мощности сигнала и комбинационных частот второго и третьего порядков от уровня полезного сигнала на входе. Согласно (Л.2,3) - определить DB2 и DB3 можно и без построения вышеуказанного графика, зная лишь верхнее значение ОДД или DB1.
1.1. Основные определения, обозначения.
Для лучшего понимания предмета, немного теории...
Интервал, отделяющий точку IP3 от уровня собственных шумов RX – PRF, должен быть как можно больше, т. к. он определяет два параметра - динамический диапазон по блокированию DB1 и динамический диапазон по интермодуляции DB3. См. рис 1.5 по [ Л.2 ]
DB1 - это диапазон линейности динамической характеристики приемника, а DB3 - диапазон "безинтермодуляционной" обработки симметричного двухтонового сигнала. Нижней границей обеих динамических диапазонов является PRF. Динамический диапазон по интермодуляции более важен, поскольку он определяется уровнем мощности Ps3 неизбежно возникающих в приемнике собственных интермодуляционных помех третьего порядка, который совпадает с PRF. При Ps3 = PRF уровень помех ( шумовых и интермодуляционных ) возрастает на 3 db, приводя в результате к ухудшению на эти 3 db пороговой чувствительности приемника.
Обозначения к рис. 1.5
- KP - Уровень компрессии ( блокирования )
- IP3 - Точка пересечения для интермодуляционных составляющих 3 порядка
- IP2 - Тоже , для составляющих 2 порядка
- DB1 - Динамический диапазон по блокированию
- DB3 - Динамический диапазон по интермодуляции
- DB2 - Тоже , 2 порядка. ( DB2 = DB1 - 20 db, по [ Л.5 ]
- PKP - Мощность уровня компрессии
- PRF - Коэффициент шума RX
- RFex - Уровень мощности внешних шумов
- DB1 вычисляется : DB1 = PKP - PRF
- DB3 = 2/3 IP3 - PRF
- P = - 174 dbm/Hz ( U = 0,466 nv/ V Hz ) при T - 290 K. Теоретический уровень шума при полосе 1 Hz , начало отсчета.
1.2. Шумы, чувствительность.
Мощность шумов вычисляется по:
Prf = (-174) + Frx + ( 10 lg Bp ), где -
Frx - шум RX < 10 db, Bp - ширина полосы ФОС, Hz.
Prf = (-174 ) + 10 + 33 = - 131 dbm ( ~ 0,13 uv ) . При чувствительности со входа диплексера ( А4-1 ) - 0,1 uv ( -133 dbm) и среднем затухании ДПФ и MIX < 8 db, чувствительность со входа составила - 125 dbm, или 0,25 / 0,28 uv при отношении сигнал / шум ( 10 db S+N/ N ). Примеч. Смеситель пассивный, при активном смесителе (+ 4 / 5 db) чувствительность ~ 0.15 uv. Полоса везде 2,5 кгц.
1.3. Данные по блокированию.
Выполнив рекомендации по Рэду, в т.ч. применив смеситель сверхвысокого уровня и рекомендации по монтажу ( см. отдельно ) удалось повысить основные данные по блокированию, которые совпали с его рекомендациями... Все величины выражены в dbm, определенная мощность в милливаттах на нагрузке 50 ом... Мощность в dbm подсчитывается по формуле -
P dbm = 10 lg U ^2 / R + 30. 0 dbm = 0,224 v / 50 ohm .
Основные величины приведены в технических данных.
1.4 Сквозная реальная избирательность + динамика.
С помощью одной процедуры можно судить о реальной избирательности тракта и его динамике, т. е. снять кривую избирательности и практически оценить динамику аппарата. Метод - тот же, т. е. двухсигнальный, в качестве генератора, имитирующего помеху , использовался трансивер с выходным каскадом в классе А, с дополнительными ФНЧ 5 порядка, и плавно регулируемой мощностью от 0 до 20 вт.
Кривая сквозной реальной избирательности характеризуется следующими коэффициентами прямоугольности: ( Полоса - 2,5 кгц. 2 ФОС + 1ФОС / НЧ )
6 / 60 db K п - 1,5
6 / 140 db K п - 3 / 3,5 По уровням 0,3 uv - 6 v . (+28,5 dbm )
При уровнях более + 28,5 dbm, начинает расширяться ( незначительно ) полоса пропускания ( см. выборку замеров ) и блокирование наступает при отстройке помехи от края полосы ФОС на + 5 кгц с уровнем 20 вольт ( или 152 db по напряжению от PRF до max ) ; тоже на + 10 кгц с уровнем 31,6 вольт (156 db по напряжению от PRF до max) или 39 dbm и 43 dbm соответственно.
Подавление "зеркальной" частоты приема, а также ПЧ.
При дополнительных 3 - 4 кварцах, включенных параллельно фильтр пробке, ослабление зеркальных частот составило > 60 - 65 db (основное подавление по < зеркалке > зависит от качества выполнения входных фильтров – ДПФ), а ослабление сигнала с частотой ПЧ > 70 db.
По Рэду ( Л.2,3 ) - напоминаю основные требования к тракту качественного приемника:
А) Уровень шума собственного гетеродина ( в полосе + 10 Кгц от сигнала и далее ) должен быть НИЖЕ шумовой дорожки RX на 3 db ( как минимум ). B ) При прочих правильных расчетах тракта RX – кварцевые фильтры, за счет избирательности, увеличивают IP3 до + 30 - 50 dbm ( 0 dbm = 0,224 v / 50 ohm ). C ) ... До первого ВЫСОКОКАЧЕСТВЕННОГО ФОС, должно обеспечиваться минимальное необходимое усиление с соблюдением линейности во всем диапазоне сигнала ( IP3 для каждого каскада ! . Никаких регулировок и нелинейных элементов до первого ФОС! D) ... Тракт RX только с одним преобразованием! E) ... Только пассивные высокоуровневые балансные ( по обоим входам ) смесители ... F)... Ну и новое ( хорошо забытое старое ) --- для обеспечения высоких параметров по динамике ( DB1, DB2, DB3 ) обеспечить такую же высокую селективность... ( >> 140 db по соседнему каналу при условии соблюдения минимума фазовых шумов и последовательной селекции ).
Все остальные требования приведены в соответствующих разделах...
1.5 Технические данные (основные, не хуже...)
- KP - 15 dbm ( 1,26 v )
- IP3 - 35 dbm ( 12,6 v )
- IP 2 - 45 dbm ( 40 v )
- По блокированию:
- DB1 - 146 db
- DB2 - 126 db ( Расчетное DB1 - 20 db , по [ Л.5 ]
- DB3 - 110 db
- Prf = - 125 dbm (< 0,28 uv - passiv. Mix) , ( < 0,15 uv - activ. Mix )
- P tx = > 40 wtts – new 2P901x2 pushpool.
1.6. Преобразование...
По рекомендациям Рэда [Л.2,3 ] - <для достижения высоких показателей в части DB1,DB2,DB3,IP3 и других, для профессиональных трактов, всегда рекомендуется применять одно преобразование. Применяя при этом высококачественные фильтры для основной селекции ( Xtal. Fil.), применяя на входе октавные или диапазонные, также высококачественные фильтры. ( С отношением частот 1:2 или <1: 1,5 ) , учитывая при этом, что применяя смесительный детектор, имеем еще одно преобразование...>
1.7. Распределение усиления по каскадам.
- ДПФ,MIX, Предварит. ПЧ, 1-ый ФОС ----- +10 db (ФОС - фильтр основной селекции)
- Основная ПЧ, 2-ой ФОС ----- +60 db
- Предварит. УНЧ, 3-ий ФОС (по НЧ), Ок. НЧ ... +74 db
- Общее усиление RX тракта........................... + 144 db, max, что более чем...
При расчете по каскадам просчитано также отношение сигнал/шум и IP3...
1.8. Динамика и селекция.
Сначала вспомним " золотое" правило: насколько усилил, настолько отфильтруй !
Это в идеале... к сожалению не каждый HAM придерживается этого требования...
Согласно Бунину и Яйленко... [ Л.5 ] Справочник КВ... : < В хорошем RX затухание ФОС за пределами полосы (по соседу) должно быть равно значению ОДД( односигнальный динамический диапазон), или , что тоже самое - DB1>. Еще раз нужно уяснить: увеличение одной величины без увеличения другой - вещь бесполезная ... Согласно этому, для того, чтобы иметь DB1 140db, затухание по соседу ( + 5 -10kc хотя бы ) для нашего фильтра ФОС должно быть также не менее 140 db !!! Поэтому в аппарате применена последовательная селекция - два одинаковых качественных кварцевых фильтра в ПЧ (см. схемы) и еще один ( LC ) по НЧ...
1.9. Кварцевые фильтры.
Используя современные мини-корпуса (HC-43) и относительно дешевые PAL кварцы, можно решить проблемы создания очень хороших фильтров даже в домашних условиях.
2. Общие обязательные рекомендации.
2.1. Приборы.
Укажем минимум приборов для наладки...
- Из ВЧ генераторов - ламповые Г4-18, ГСС-6 и т.п. (меньше шумят). Транзисторные не применять...
- Из НЧ генераторов – любые: Г3-102 и т.п.
- Осциллографы - любые ВЧ с полосой не менее 30 Мгц, ( не хуже С1-65 ) входная емкость не более 30 пф, импеданс около 1 Мом.
- Из частотомеров - Ч3-63, Ч3- 34 и т.д.
- Для подгонки и замера индуктивностей - Q - метр Е 9- 4 или лучше, также мост типа Е7-4.
- Для подгонки емкостей и точных замеров CRVI – Digital Multimeter M 890 C + / or analog .
- Из измерителей АЧХ – Х 1-36, Х 1- 38, X 1-47, Х 1-1А и т.п.
2.2.Экранировка, развязки...
Понятие электромагнитной герметичности - важная составляющая любого аппарата, тем более, если речь идет о частотах выше 1- 5 Мггц и мощностях внеполосных помех более 5 - 10 ватт...
Вспомните какие требования предъявляются к исполнению УКВ трактов по ЭМГ ( электромагнитной герметичности ). Также нужно подходить и к построению любых профессиональных трактов на КВ... При чувствительности RX 1 мкв и менее, нужно принять все меры по исключению проникновения любых внеполосных каналов приема... При увеличении уровней принимаемых сигналов ( и помех ) на несколько порядков, требования к ЭМГ увеличиваются. Если взять два аппарата, выполненных по одной и той же схеме, но без <защиты > ЭМГ, они будут отличаться, как день и ночь... Некоторые рекомендации приведу ниже.
Ранее [ Л.4 ] указывалось, что максимальные показатели достигнуты при размещении печатных плат в отдельных фрезерованных отсеках, закрываемых после наладки крышками, утопленными в пазы, <заподлицо >. Несмотря на это, для печатных плат ( А1, А3, А4-1, А4-2 -обязательно) был оставлен верхний слой фольги < экран >, горячие точки - раззенкованы... Лучше верхний слой фольги оставить на всех платах .
Все межблочные ВЧ соединения только тонким РК , НЧ сигналы - МГТФ в экране , если имеете достаточно МГТФ, тоже для всех цепей питания . Также неплохие результаты будут при использовании двухстороннего стекло гетинакса 1.5 - 2 мм для изготовления < коробок > под эти отсеки.
Во всех цепях питания и управления, чтобы исключить < просачивание > внеполосных сигналов, стоят LC фильтры и проходные конденсаторы... Даже небольшие провода управления ( в том числе питания) длиной 1 - 2 метра (ключ, педаль, телефоны и т.п.) играют роль паразитных антенн. Поэтому во все эти цепи включены развязывающие LC фильтры, не всегда показанные на схемах, не забудьте также применить сетевые фильтры... В качестве индуктивностей использовать только кольца, типовые данные: К7, Ф1000НМ, 1 слой ф 0.2 , индуктивность 100 Мкгн . Во всех Г и П звеньях использованы емкости от 3000 до 10000 пф. ( Некритично ) Не применять типы ДМ, ДП, Д-0,1... и подобные, т.к. это готовые магнитные антены для приема импульсных помех. Для контуров ПЧ в блоках А4-1 , А4-2 использованы сплошные латунные (Ag) экраны, после настройки запаянные сверху и по периметру. При отсутствии этих экранов, можно заменить их на экраны,изготовленные из обычной луженой жести!! Обязательно согласовать входные и выходные импедансы фильтра, желательно с помощью реактивных (LC или <балунов>) цепей. При выполнении фильтров ZQ1 -ZQ3 ( DM ) на корпусах HC-49 ( 43) с гибкими проволочными выводами, их укорачивают до минимума. Кварцы фильтра располагать вплотную, в ряд, зазор ~0,2 мм. Корпуса кристаллов можно не заземлять , особенно проводом, проходящим поверху всех кристаллов фильтра.Готовый фильтр запаять в коробочку и разместить на плате. Авторский вариант SSB фильтра имеет следующие данные : разность одноименных частот кристаллов не более 16 – 18 Hz, затухание в полосе <= 2db, затухание по < соседу > около 100 db. Два таких качественных и одинаковых фильтра обеспечивают необходимую селекцию тракта.
Питание цифровой и аналоговой части желательно производить от отдельных источников и стабилизаторов. Стремится к максимально возможным коэффициентам стабилизации по питанию. На платах применяются локальные маломощные стабилизаторы по месту.
Пример: Общий стабилизированный источник - 15 v x 1 a. На платах от него питаются - 78L12 (12 v x 100 ma) , 78L09 (9 v x 100 ma) и т.п.
2.3. Применение синтеза и LC VFO .
Согласно Э.Рэду [Л.2,3] ... хороший ( профи ) синтез, описанный в его книге, имеет фазовые шумы при расстройке 20 Кгц = -139db/Hz. И сам автор делает вывод: ... Чем больше фазовый шум гетеродина, тем хуже избирательность по соседнему каналу! Все верно... Сделаем оценочные прикидки, основываясь опять же на Э.Реде... Фазовый шум гетеродина вычисляется по формуле:
Aj > DB3 + Bp/db , где Bp/db= 10lg Bp/Hz .
DB3 – Дин. диапазон 3 порядка, db.
Bp/Hz – ширина полосы ФОС по уровню - 6db.
По неоднократным замерам L-91, D-94, DM, при применении качественных!!! LC VFO , учитывая DB3 ( 102-110 db), Aj гетеродина должен быть лучше -135 / -143 db ,( причем space 10 Kc , а не 20...) что обеспечивается... ( Посчитайте сами по приведенной формуле )
Отсюда вывод:
При применении синтеза ( ФАПЧ, DDS ) фазовые шумы синтезатора должны быть -143 / -146 db и это при отсчете только 10 Кгц , а не 20 , как у Реда... Сравним (-139 db/Hz , 20 Khz)
Во вторых, в заключении, он делает также правильный вывод :... Для RX с большим динамическим диапазоном и высокой чувствительностью ТРУДНО получить требуемое значение Aj > 140 db/Hz ! ( Это был уже 1985 год !) Значит, хорошие LC VFO еще послужат...
И, еще одно... Чем меньше частота сравнения в петле ФАПЧ, тем меньше фазовый шум... ( В определенных пределах и при некоторых допущениях ). При очень малой частоте сравнения применение синтеза проблематично... Вот здесь и можно применить относительно медленное пропорциональное управление частотой VFO в относительно малом (сколь угодно по теории ) промежутке частоты... В нашем случае >= 10 Hz или менее при использовании системы FLL. ( Frequency Locked Loop ) . Т.е. шумы как у LC VFO, а стабильность как у синтеза… (У каждого свои плюсы и минусы ... синтез - сервис.., правда всегда ли он нужен,например в тестах ?! )
Заявленные параметры получены при использовании обычных LC VFO гетеродинов, как имеющие минимальные фазовые шумы . После них обязательно применялись ФНЧ не менее 5 порядка, (проверяли и 9 порядка), которые очень хорошо <чистят> выходной сигнал. На фазовые шумы, это не сказывается, а только для получения чистого монохромного сигнала. При использовании синтеза ( или DDS), ситуация ухудшается, особенно по соседнему каналу, 5 - 10 Кгц от сигнала, т.к. приемлемый фазовый шум находится на <расстоянии > 20-30 и более кгц от принимаемого сигнала. ( Для разных синтезаторов - по разному, см. [Л.2,3] ) Качественный синтез, не уступающий по шумам хорошему VFO гетеродину, должен иметь фазовый шум лучше -146 db/Hz при отсчете 5/10 кгц. ( Кстати, как показали неоднократные замеры и пробы, и не только мои, этому требованию не отвечает ни один <фирменный> аппарат…)
При уменьшении Bp (полосы пропускания ФОС) и увеличении DB3, требования по уровню шума гетеродина снижаются... [ Л.2 ] .
Как альтернатива - применение обычных LC VFO (испытаны около пяти разных, в т. ч. и ламповые, от 5 до 30 мггц) совместно с системой поддержания стабильности частоты - VFO + FLL , позволяющей легко повторить ее в домашних условиях. Стабильность (точность поддержания частоты - лучше 1 - 5 гц в час ) и фазовые шумы соответствуют всем требованиям. Причем можно модернизировать любые старые ГПД трансиверов, находящиеся в эксплуатации, лишь бы в ГПД имелся варикап. Правда, весь сервис - VFO A / VFO B, если Вы имеете два одинаковых ГПД ...
Учитывая, что персонально каждому ответить нереально, я попытался дать некоторые рекомендации... Но, прежде, советую еще раз хорошо проштудировать соответствующие разделы справочников : [Л.5] ... Бунин, Яйленко. Справочник Радио – любителя - коротковолновика , хотя бы первый, у кого нет последующих... [Л.2,3] Э.Ред. ВЧ Схемотехника приемников. ( Обе книги ), и еще раз освежить в памяти все понятия динамики, шумов и все с этим связанное...
И позаботьтесь иметь минимальный набор измерительных приборов !!!
Вывод : Понятия - Динамика + Избирательность + Шумы всегда взаимосвязаны и всегда учитываются в комплексе...
2.4 Резюме.
При монтаже и наладке соблюдайте ВСЕ эти рекомендации , и Вы будете приятно удивлены, как работает Ваш аппарат... Вопросы экранировки, развязки, согласования здесь наиважнейшие, ибо от этого будут зависеть максимально достижимые параметры... Время одноплатных простых трансиверов закончилось... В хорошей конструкции <мелочей> нет и даже блок питания, требует такого же внимания, как и основной тракт. Тем более, что опыт показал - изготовить хороший трансивер можно и в домашних условиях, в течение года или двух.
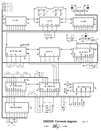
3. Описание блоков
Блок-схема трансивера
DM blockdia Блок-схема .
Сигнал из антенны поступает на блок А1 - ФНЧ, работающий при RX и TX .Далее, транзитом через А2/через аттенюатор А2/ на блок ДПФ - А3. Далее сигнал идет на основной блок А4-1 M и А4-2 M , где производится преобразование его и обработка. Более подробно по xоду дела... Блок А5-усилитель УНЧ и АРУ, А6-формирователь SSB&CW, A 6-1 – Спич процессор, А 7- Vox,Antivox и управление. Платы с обозначениями А8 –ХХ относятся к группе VFO и ,кратко их описание ниже . . Плата А 9М - управление переключением диапазонов. Блок питания PS, DM -19 – без особенностей.
A 1 dia , DM -01. Фильтры ФНЧ.
Схема состоит: из пяти ФНЧ фильтров 5 порядка, на диапазонах 7—28, применены эллиптические ФНЧ для повышения крутизны скатов фильтров. Все данные на схеме. Проверку и настройку платы производить с помощью любого АЧХ-метра. На диапазонах 1.8, 3.5, и 7-10 мгц применяются карбонильные кольца с диметром около 11 мм./ Изготовленные из внутренних кернов сердечников СБ-32/. На диапазонах 14-21 и 24-28 применены ферритовые кольца К12 марки 20 ВЧ. Остальные данные на схеме, по месту.
A 2 dia , DM -02. Усилитель TX .
Схема PA трехкаскадная, с двухтактным выходом на 2P901Ax2, в классе B.
Мощность на нагрузке 50 ом - ~40 w . Предварительный усилитель широкополосный на 2T610A. Раскачка до 250 mV . Второй каскад на 2P902A с общим затвором, усиление около +6 db. Он обеспечивает хорошую развязку и работает также как фазоинвертер. Для оптимального согласования выходных обмоток балуна Т2 каскад нагружен на R15, 16 – по 240 ом. На этой нагрузке напряжение раскачки достигает 12 – 14 v p-p, что достаточно для выходного каскада VT3, VT4. Основные режимы на схеме. Монтаж планарный, на площадках. Печатка – 110х124. Площадь радиатора около 300 см2. Данные всех < балунов > на схеме.
A 3 dia , DM -03. Bходные фильтры. /ДПФ/
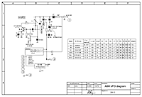
Для перекрытия всех диапазонов применены семь структур 3-х контурных Т и П фильтров /Cм. прототип у Рэда/.
К выполнению входных фильтров подходить очень ответственно , ибо от качества их изготовления и настройки будет зависеть затухание в полосе, а значит и отношение СИГНАЛ/ШУМ!! Добротность х.х. всех катушек не должна быть ниже 180 - 200 ., желательно и выше... Из обычных ферритовых колец нужно брать не менее 20 мм по диаметру и марки 20,30ВЧ. Можно применять оригинальные <Рэдовские> (типа Т 50-2 и Т50-6, Qxx = 300/500 ) кольца. Кольца установлены на плате ребром в небольшие пропилы. Верхняя часть фольги не удаляется, играет роль экрана. Допускается использовать < трансфлюкторы > - двухотверстные ферриты марки 30ВЧ.Добротность при этом должна быть, как минимум 180. Для настройки используйте любой Х1-1 или лучше... Полученное затухание не превысило 3 db (и < < 2db на оригинальных) на всех диапазонах. Постарайтесь выполнить все рекомендации... N . B .! Подстроечные конденсаторы желательно применять с воздушным (лучше с твердым) диэлектриком .
P. S. По просьбе любителей разработана новая плата A 3 Rdia , DM -03 R , данные ниже.
| Диапазон | Индуктивности | C парал | С связи | C trim | |
| 1 | 1,6 – 2,3 mc | T 50-2, 48 w , ф 0,25; 11,3 uH | 390 | 240 | 6-50 |
| 2 | 3,3 – 4,8 mc | T 50-2, 33 w , ф 0,4; 5,3 uH | 150 | 100 | 6-50 |
| 3 | 6,9 – 10,0 mc | T 50-2, 23 w , ф 0,5; 2,6 uH | 62 | 47 | 6-50 |
| 4 | 10,0 – 14,5 mc | T50-6, 20 w, ф 0,5; 1,6uH | 61 | 6-50 | |
| 5 | 14,5 – 20,8 mc | T50-6, 17w, ф 0,5; 1,15 uH | 6-50 | 27 | |
| 6 | 20,8 – 30,0 mc | T50-6, 14w, ф 0,8; 0,79 uH | 6-45 | 18 |
Затухание в полосе пропускания ( Ai) - < 2db.
- Триммеры (С) применены – Mfr. Murata, TZ03Z500E – 6/50 pf, (1,65 Euro)
- Реле типа – Mfr. Omron, G5V-1-12VDC, 960 ohm, (3,04 Euro)
- Кольца – Mfr. Amidon , T50-2, u- 10, (2,62 Euro); T50-6, u-8, (2,62 Euro) Минимальная стоимость компонентов платы ~110 Euro.
- Для замены реле РЭС 55 А – Mfr. Clare, DIL relays PRMA1C24 (12,10 Euro)
>From ELFA catalog 52,2004.
Размеры плат А3 и А3( Red) одинаковы.
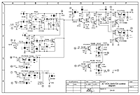
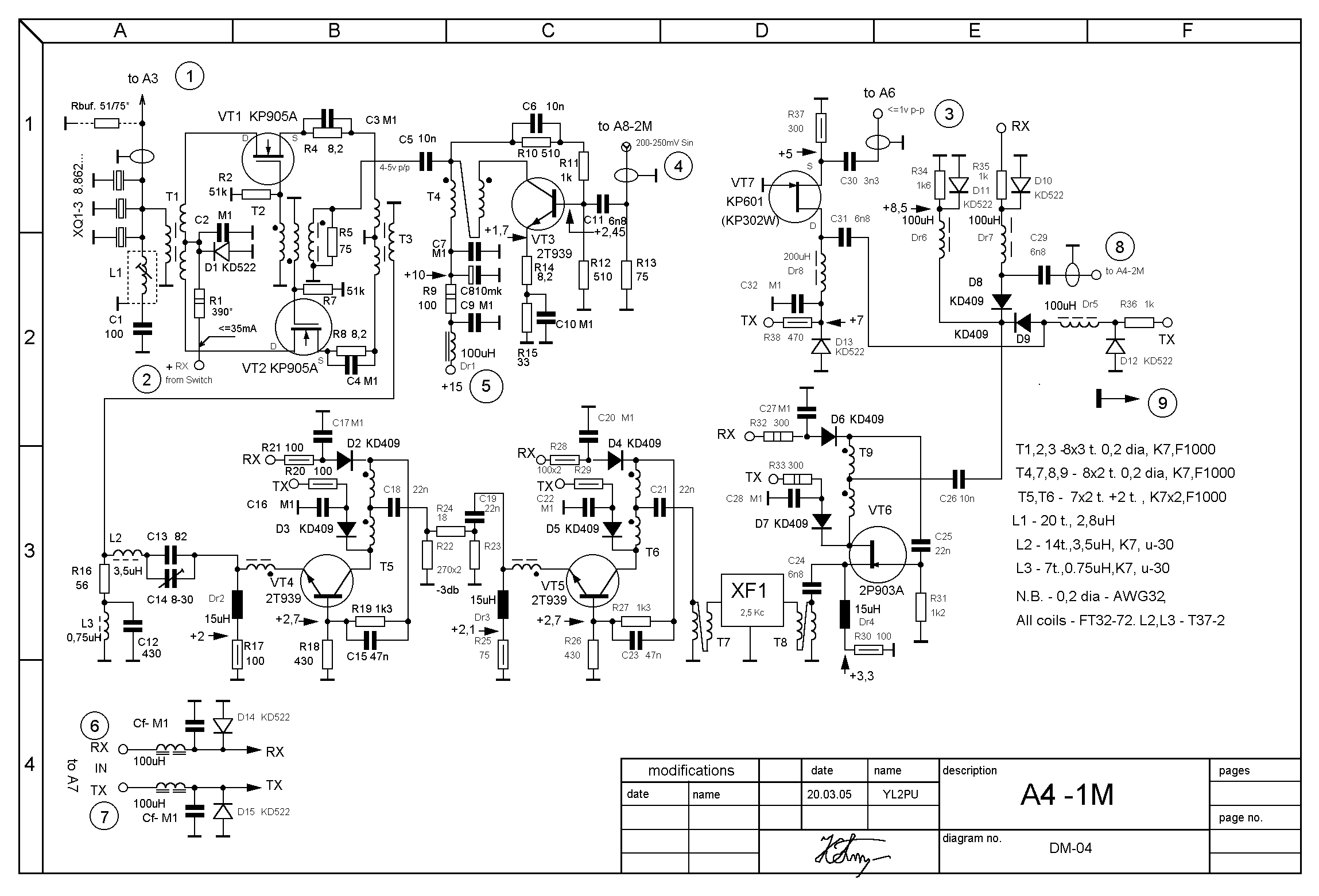
A4-1 M , DM -04. Mix, Предвар.ПЧ. A 4-2 M , DM -05.
Прежде, чем перейти к описанию смесителя и предварительного УПЧ с первой ступенью селекции, немного вспомним “старое”. Распределение уровня сигнала и отношения сигнал/шум по каскадам очень важно ... Здесь это сделано, расчетов не привожу... Позволю процитировать из [Л.5] ( Справочника... КВ.. Бунина и Яйленко): В правильно выполненном RX затухание ФОС за пределами полосы пропускания должно быть равно значению односигнального ДД приемника. Увеличение одной из этих величин без увеличения другой практически бесполезно! Другими словами, если хотите иметь блокирование 130-140 db, то ваш фильтр, должен обеспечивать затухание/ослабление/ по соседнему каналу также 130-140db
( желательно хотя бы по каналам +- 5/10 кгц от сигнала). Как видим, с одним фильтром это нереально... Соответственно, чем больше цифра блокирования, тем больше показатели по DB2 и DB3...
Выход в следующем: сделать усиление ПЧ не более 60db , а на выход ПЧ поставить такой же хороший (а не средний - подчисточный) фильтр, как и на входе, т. е. произвести последовательную селекцию, (Фильтры должны быть одинаковыми!) Распределение усиления по каскадам очень важно ... На практике, при указанных на схеме фильтрах , избирательность по соседнему каналу ( +- 5/10 Kc от полосы ) получилась около 150db .. Эта практика используется уже в третьем аппарате... См. Технические данные.
Краткое описание по модернизированным платам А4-1М и А4-2М.
Плата А4-1М – тоже назначение, что и ранее, только выполнена на современных < мощных > СВЧ- компонентах. Смеситель на 2P90 5 Ax2 , ( также пойдут – пары КП9 07, КП902 ), предварит. ПЧ на 2T939A ( схему намотки Т5,Т6 см отри на схеме IF Balun) , предварительная селекция на RX – XF1, и основная для TX. Для упрощения коммутации, тракт этой платы полностью реверсивный , как на RX, так и на TX. Коммутация каскадов на диодах KD409A . Все тонкости – на схеме и на печатке.Резисторы на схеме, помеченные как 2 ваттные, типа С5-42, они меньше, чем МЛТ2.
При отсутствии 2P90 5 , можно поставить подобранную пару 2P90 7 , хуже не будет.(Даже пара 2 P902 работает хорошо) Смесители на 907/905 все- таки дают небольшую < фору > остальным… Сигнал гетеродина на усилитель смесителя только SIN! Величиной 200 – 250 mV.
Плата А4-2М – основная ПЧ с дополнительной селекцией на XF2, XF3. От < старой > А4-2 - отличается тем, что сокращено кол – во элементов и упрощена коммутация. Фильтры XF1 и XF 2 одинаковы, имеют полосу пропускания 2.5 Kc и затухание в полосе, при согласовании по схеме А4-2М, менее 2 db. ( Фильтр XF3 – имеет полосу не более 0,8 Kc.) На конкретном экземпляре было – 1,58 db. Фильтры выполнены по описанию, смотри в журнале Радио на DM2002 / YL 2 PU . [5].
Печатки выполнены в формате LAY, рисунки расположения деталей на платах в цвете, в PCX или gif . Фольга сверху сохранена, платы после настройки закрыть экранами, коробки из дюраля, или из стекло-гетинакса.(Можно из луженой жести - :-))
Основная работа - качественно намотать более 20 балунов и дросселей . Также применять качественные элементы, указанные на схемах. Короче – платы ручной сборки, для < умелых ручек > :-) . Особое внимание обратить на качество выполнения <балунов> и всех дросселей - перед намоткой покрыть кольца двумя слоями полистирольного лака (полистирольная крошка + толуол) с промежуточной сушкой, тоже 2 слоя после намотки. Клеить к плате – через прокладку с помощью прозрачного полиуретанового клея. (Глобус, Суперцемент) Прошу, не применять дросселей типа ДМ, ДП – это готовые магнитные антенны. Не смущайтесь наличием многих диодов (КД522) – это эффективное средство защиты от импульсных помех, возникающих в цепях, содержащих индуктивности, при коммутации этих цепей. Если не страшно, можете повторять без проблем. Еще раз – от качества балунов, дросселей и компонентов будет зависеть конечный результат .(Не забудьте экранировку и все, ранее данные, рекомендации). Все режимы по постоянному току привелены на схемах.
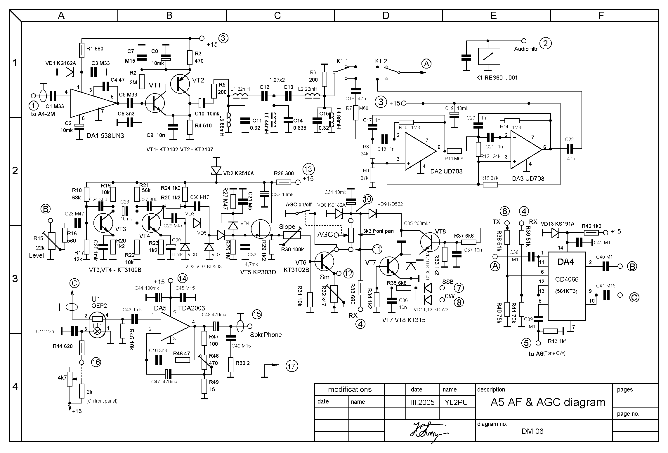
A5 Mdia , DM -06. УНЧ и АРУ / 2-ая ПЧ /
Недаром в заголовке я написал: 2-ая ПЧ. По сути - это второе преобразование и все требования по селекции (см.выше) и другие остаются здесь в силе. Сигнал после ЭПШ на плате А4-2 поступает на вход м /с ДА1- 538УН3 . Эта м/ с - сверхмалошумящий усилитель специально для работы с низкоомными источниками звуковых частот, хотя АЧХ ее заходит за 1мггц... М / c работает практически в режиме холостого хода, так как ЭПШ на VT1,VT2 не нагружает ее. В этом режиме ДА 1 усиливает сигнал на +47db . Далее вступает правило селекции - насколько усилил , настолько отфильтруй , немного грубо, но правильно... После ЭПШ следует НЧ М-фильтр, который выделяет полосу от 250-300 гц до 3500-4000 гц с затуханием по краям лучше 30db, что для УНЧ очень хорошо, т.е. получается оригинальный ЭМФ по НЧ ! Эти показатели будут только тогда, если вход и выход фильтра будут точно согласованы , а именно: Rвх = Rвых =204 ом. ( Идея взята из QST, автор W3NQN/Ed –Величины LC имеют допуск < = 5% . [Л.1] . Для согласования со стороны ДА 1 последовательно включен резистор 200 ом, если учесть R вых -1,5 ома предыдущего ЭПШ , то согласование почти идеальное! На выходе фильтра также стоит резистор 200 ом. Вот где можно использовать резисторы для согласования фильтров, (хотя здесь теряем на резисторе -6db, но так как есть большой запас - это не страшно) но не в ПЧ, где всегда нужно и желательно, применять реактивные структуры. ( L,C ). Для повышения селекции в режиме CW и Digital применен активный фильтр на О.У. DA2,DA3 - УД708. Полоса его по уровню - 6db = 240 hz , по уровню - 20db = 660hz , что вполне достаточно, учитывая , что есть еще фильтр в А4-2 --- 800 hz Xtal filter , даже для работы в PSK ... Желающие могут ввести сдвоенный потенциометр в DA2,DA3, чтобы в небольших пределах изменять настройку фильтра...
Далее сигнал поступает на коммутатор НЧ сигналов на DA4 -561 KT 3. С него на усилитель АРУ и на оконечный УНЧ . На эту же схему поступает и сигнал “ прослушки” при CW от платы А 6. Теперь об усилителе АРУ/AGC на VT3-VT8. Первые два каскада усиливают сигнал до необходимого уровня. Усиленный сигнал выпрямляется, заряжая две цепи RC с двумя постоянными времени, и подается через диодные < И > на УПТ VT5,VT5 , где и происходит формирование управляющего сигнала АРУ/AGC. Триммер на входе усилителя служит для выставления уровня срабатывания АРУ, т.е. начало трогания АРУ. У автора это около 2 мкв. Триммер между VT5 и VT6 - 100 ком - для регулировки наклона управляющей характеристики АРУ. НЕ применять на месте VT5 полевика с большой крутизной! Достаточно и КП303Д. Для контроля - напряжение на резисторе R 29 в истоке не должно превышать 1-1,2 v . Каскады на VT7.8 обеспечивают постоянную времени для установления переходных процессов при переходе с TX на RX и обратно, т.е. небольшой задержки. Практические результаты испытания АРУ следующие: при изменении сигнала на входе от 2мкв (начало трогания АРУ) до 1 вольта, выходной сигнал изменялся не более 5db, а при тщательной настройке 3db . Диапазон АРУ составил около 114 db, что вполне достаточно, кстати, еще есть запас. Все остальные данные на схеме. Фольга сверху сохранена - экран...
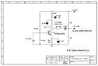
А6 dia , DM – 07. Формирователь сигналов DSB&CW.
Схема обычная, особых отличий не имеет, кроме некоторых особенностей. Первый прототип был собран в 1970 году по журналу QST. На транзисторах VT1,VT2 собран опорный кварцевый генератор, частота кварца с помощью L1 сдвинута на нижний край кварцевого фильтра (по уровню -20db от АЧХ фильтра). Опорный генератор на VT6,VT7 применяется для прослушивания < обратной > полосы и может не использовываться... Балансный модулятор собран по традиционной схеме, в пояснениях не нуждается. Настройка его производится двумя потенциометрами и триммером 25 пф в цепи L4. На вход VT3 не подавать уровня более 1v! Подавление несущей / проверено несколько экз./ не менее - 56 db . На транзисторе VT9 собран генератор CW, который управляется ( манипулируется) по линии TX/KEY. Частота этого генератора примерно на 800 гц выше опорного на VT1, VT2. Фронты CW сигнала определяются p-n-p ключом в блоке А7 и составляют : время нарастания – 5 mS, время спада – 7 mS. Каскады на VT4,5- усилители DSB/CW сигнала. Регулировка уровня DSB & CW сигнала осуществляется по 2 затвору VT5, также имеется возможность управления уровнем DSB/CW от сигнала ALC каскада VT10. При отсутствии ALC, каскад на VT10 можно не монтировать. М/С DA1 УД708 используется как НЧ генератор (~ 800 Hz ) для самопрослушивания при работе CW и для настройки TX ( тон). На каcкад VT8 с малым усилением (6 – 7 db) , подается НЧ сигнал со спичпроцессора А6-1 ./ С обработкой или без /. Уровень входного НЧ сигнала ( от усилителя микрофона, звуковой карты и прочее, учитывая предварительное усиление в спичпроцессоре) , не должен превышать на входе . VT 8 --- 1 v p - p ! Остальное на схеме. Выходное напряжение на выходе платы: to A4-2 также не должно превышать 1 v p-p . В прочем, можно варьировать, соблюдая указанные уровни...
А6-1 dia , DM – 08. Speech - pro .
Cхема взята из журнала < Радиолюбитель> #4,94 , немного изменена... Сигнал от микрофона (электретная таблетка от телефонов) поступает на усилитель DA 1 538УН1, который усиливает этот сигнал, или усиливает его с подъемом АЧХ до + 16 db (300 Hz /3000 Hz ). Режим его коммутируется реле К1.
На двух транзисторах КТ 312, собран кварцевый генератор на 500 Кгц. Уровень выходного напряжения не превышает 1 v p – p . Далее усиленный в DA1 сигнал, через эмитерный повторитель, поступает на ключевой смеситель, на затвор которого поступает опорный сигнал 500 кгц, уровнем не более 1 v p – p. В истоке смесителя стоит контур, настроенный на 500 кгц. Сформированный сигнал DSB проходит через ЭМФ Z1, и попадает на усилитель – ограничитель на КП303, где с помощью диодов ГД507 х2, (уровень по осциллографу ~ 0,6 v p - p ) происходит необходимое ограничение. Уровень ограничения можно выставить при помощи триммера в истоке – 4к7. Ограниченный сигнал, для < чистки > , проходит через второй ЭМФ Z2, и подается на дополнительный каскад с небольшим усилением (6 –10 db), / Этот каскад понадобился для компенсации затухания в < плохих > ЭМФ - ах, при хороших ЭМФ, может не потребоваться / и поступает на второй ключевой смеситель – детектор, куда также подается опорный сигнал 500кгц. Продетектированный и отфильтрованный сигнал, подается на усилитель на DA2, УД708, где он усиливается (К u регулируется триммером 47 ком) до необходимой величины. Далее, через эмитерный повторитель, обработанный сигнал уходит на плату формирования А6. Для работы с ограничением или без такового, применены два реле РЭС – 49, К2, К3. Ограничение схемы около 7- 8 db ( ~ 5 раз), U вх – 10 mV (40 mV p – p max ), U вых. = 1 V p – p max . Потребление (без реле) – около 30 Ma . Применять можно как ФЭМ 500 - 3Н, так и 3В. Все остальное на схеме.
A 7 dia , DM – 09. Vox , AntiVox , control .
Схема состоит из нескольких функциональных узлов. От платы А 6 поступает микрофонный НЧ сигнал на вход двухкаскадного усилителя, где он усиливается и детектируется. Далее этот сигнал подается на одновибратор и включает мощные выходные ключи ( КТ816 / КТ608), с которых выдаются управляющие сигналы: +TX и +RX. Также применен p-n-p ключ средней мощности на КТ501 и КТ315 для управления реле при RX/TX . Два p-n-p ключа на КТ501 обеспечивают работу автоматики от ключа /KEY/ , а также ручное (или педаль) /PTT/ включение на передачу. Для работы AntiVox задействован усилитель на КТ342 и ключ на КТ315, который шунтирует основную зарядную цепочку /Delay/. Потенциометр 100ком /Delay/ может быть выведен на переднюю панель. При работе любым видом работ, ( tune , cw , ssb , ptt ) все сигналы, через соответствующие диодные < И > , подаются на вход одновибратора и коммутируют выходные ключи в режиме RX/TX. Добавлены ключи на КТ315 – КТ816 для управления – 22T X , 22 RX . Все остальное видно из схемы.
Добавлена группа VFO.
- Блок-схема VFO. – Dmblockdia.
- A8Mdia, DM - 13 – Схема VFO.
- A8-1Mdia, DM – 10 - Схема усилителя VFO.
- A8-2Mdia, DM - 11 – ФНЧ для VFO и синтеза (для сравнен ия)
- A 8-3 Mdia . DM -12 – Автопереключение цифровой шкалы ( +/- f 2)
- A 8-4 Mdia , DM -12 - Автопереключение диапазонов VFO.
1. На блок-схеме показаны все узлы, соединения, управление при <Split>. N.B. VFO B – не показан, аналог ичен VFO A.
2. A8M – Схема гетеродина. 6 отдельных LC генераторов на ГТ311. Использован 6-секционный КПЕ с емкостью секции 50 пф. (Я пробовал также на 3 секционном КПЕ с коммутацией реле, тоже работает.) Можно использовать любой VFO, уже существующий , лишь бы он выдавал соответствующие частоты, в т.ч. КРС, Урал , L-91 и т.д. При другой ПЧ – не забудьте пересчитать коэффициенты деления в FLL!!
3. A 8-1 M – Широкополосный усилитель сигнала VFO, собран на истоковом повторителе на КП306(350) и собственно усилители на КТ368 (BF115) для подачи сигнала на смеситель (через ФНЧ) и еще один усилитель, с которого сигнал идет на FLL и цифровую шкалу (через А8-3М). Уровни сигналов указаны на схеме.
4. А8-2М – Схема ФНЧ для VFO, имеет 5 ФНЧ фильтров 5 порядка и схему переключения (К1,К2)
VFO A / VFO B . Управление коммутацией от платы А9М. Данные торов даны ориентировочно,кто что сможет достать. Поэтому указаны лишь величины их индуктивности в мкгн. У автора – К10,12- 20/50ВЧ.
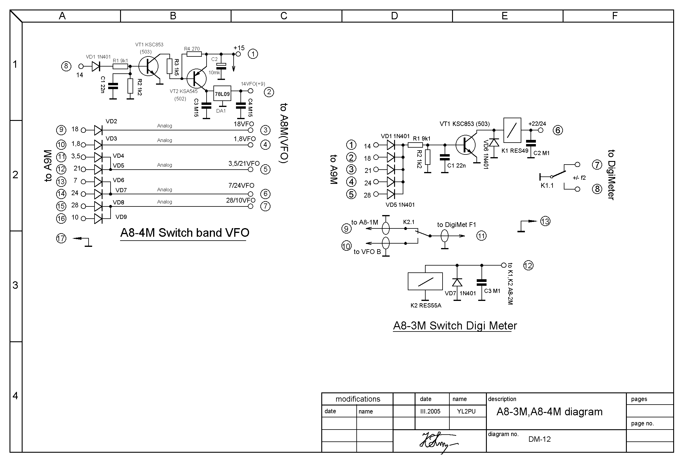
5. А8-3М – Схема автопереключения ПЧ +/- f 2 для цифровой шкалы.
6. А8-4М – Схема переключения питания VFO при смене диапазона. Содержит 6 аналогичных ключей на КТ502 – 503 и стабилизаторы на 74LS09.
Полная схема соединений VFO – VFOgroupconnect – DM -18 .
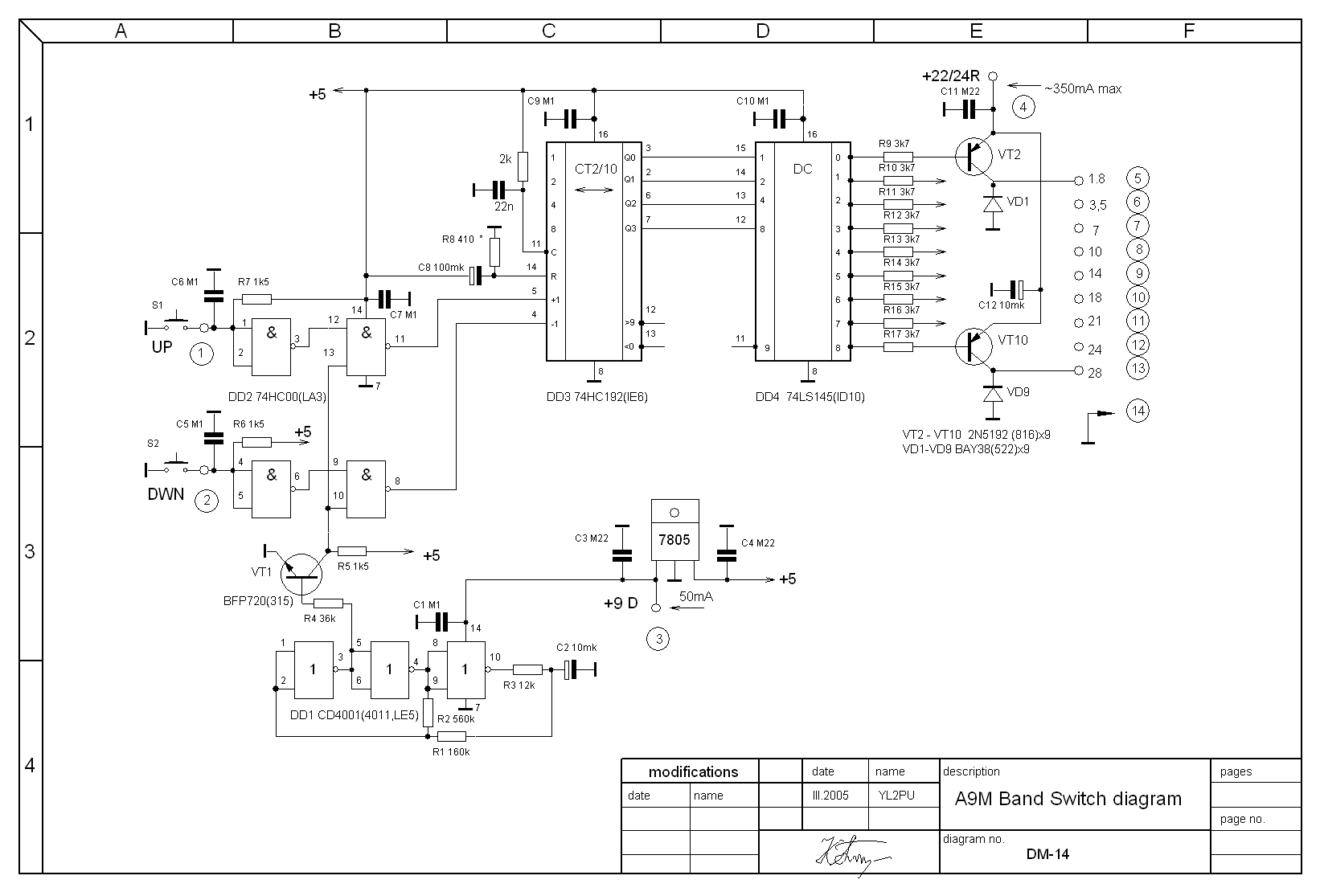
A 9 Mdia , DM -14. - Band select . Переключатель диапазонов.
Схема не требует особых пояснений. На D1 собран тактовый генератор с частотой около 1 гц, а на D2- счетчик и D3 -дешифратор. Управление переключателем происходит нажатием кнопок DWN или UP , соответственно - вниз или вверх, последовательно по диапазону. Поочередно открываются выходные ключи VT1,VT2 и т. д. , включая свой диапазон...При включении питания, включается диапазон 1,8 mc. Можно ввести простой шифратор и поставить кнопки для включения конкретного диапазона... Остальное на схеме...
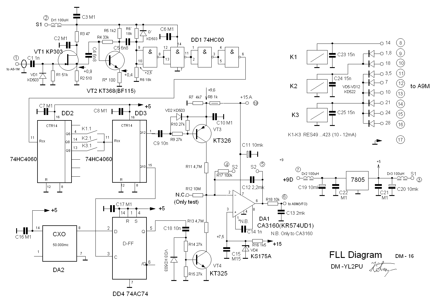
FLLdia , DM -16. Система поддержания частоты VFO .
Расчет FLL для обычного многодиапазонного LC VFO c ПЧ- 8862 кгц. Схема FLL XTAll
Формулы расчета смотри ниже.
Для уменьшения кол-ва реле и оптимального перекрытия, выбрано сочетание :
- 14 mc (5,08 – 5,55 mc ) - реле К1.
- 1,8/18 mc (9.18 - 10,86 mc ) - реле К2.
- 3,5/21; 7/24 mc (12,13 – 16,17 mc ) – реле К3.
28/10 mc (18,96 – 20,83 mc ). - реле К3.
Итого 3 реле РЭС49. В скобках частоты VFO.
Частоты на выходе DD1 (74HC4060) :
- 14 mc – Q6 – 79,37 – 86,56 Kc.
- 1,8/18 mc – Q8 – 35,86 – 42,42 Kc.
- 3,5/21; 7/24 mc – Q9 – 23,69 – 31,58 Kc.
- 28/10 mc – Q9 – 36,163 – 39,73 Kc.
Ступень регулировки (Частотный замок) D:
- 14 mc – 7,87 – 9,36 Hz.
- 1,8/18 mc – 6,43 – 9 Hz.
- 3,5/21 mc – 5,61 – 9,97 Hz.
- 28/10 mc – 13,71 – 16,55 Hz.
Для DD2 = Fclock – Q10; Fclock/4 – Q12 = constant.
Все расчеты для XCO – 48 /50 mc.
Результаты расчета. 1 . Band , mc . 2 . FF VFO , mc . 3 . DD1,Q, f kc. 4 . DD2, Q, Fclock,Hz. 5 .DD2,Q, Fclock/4, Hz .6 . D (Lock point) , Hz.
- 14 mc .
- 5,08 – 5,54 mc
- DD1,Q6(64), - 79,375 – 86,56 kc.
- DD2, Q10(1024) – 77,51 – 84,53 Hz Fcl.
- DD2, Q12(4096) – 19,37 – 21,13 Hz, Fcl/4.
- D = 7,87 – 9,36 Hz ..
- 1,8/18 mc .
- 9,18 – 10,86 mc.
- DD1,Q8(256), - 35,859 – 42,42 kc.
- DD2,Q10(1024), - 35 – 41,2 Hz.Fcl
- DD2, Q12(4096) – 8,75 – 10,3 Hz. Fcl/4
- D = 6,429 – 9 Hz.
- 3,5/21; 7/24 mc .
- 12,13 – 16,17 mc.
- DD1,Q9(512), - 23,691 – 31,58 kc.
- DD2, Q10(1024) – 23,13 – 30,83 Hz Fcl.
- DD2, Q12(4096) – 5,78 – 7,7 Hz. Fcl/4.
- D = 5,61 – 9,97 Hz.
- 28/10 mc .
- 18,96 – 20,83 mc.
- DD1, Q9(512), - 37 – 40,68 kc.
- DD2, Q10(1024) – 36,163 – 39,73 Hz, Fcl.
- DD2, Q12(4096) – 9,04 – 9,93 Hz. Fcl/4.
- D = 13,71 – 16,55 Hz
Основные формулы : M = Fv^2/Fx*D . D = Fv^2/M*Fx.
Где : M – Кдел. DD 1 + DD 2 частоты VFO в виде 2^ N . (Например: DD 1 Q6 + DD2 Q10 = Q16 = 2^16 = 65536)
- Fv – Частота VFO , Hz .
- Fx - Частота XtalOsci, Hz.
- D - Ступень регулирования, Hz . ( Lock Point , или частотный замок)
- Fclock – Тактовая частота на входе C Dflip - flop ( Digital MIX ).
- Fclock /4 – Импульсы коррекции на ключ VT1(p-n-p).
P. S. Основа системы – “ цифровой ” смеситель на высокоскоростном CMOS D – триггере и основана на особенности D – триггера : информация на входе данных D переносится на выход Q только при перепаде фронта импульса (0 / 1) тактового импульса на входе C и совпадении по частоте с частотой D . Все подобности в статье. В описании автора – первоисточник QEX, February 1996 , Klaas Spaargaren PA0KSB – везде при расчетах он брал ~ 10 Hz Lock Point, при этом автор обнаружил, что и при 40 Hz Lock Point стабильность приема приемлема. Корректирующие импульсы ( Fclock/4) вызывают (при указанных величинах RC компаратора) медленное изменение напряжения на выходе компаратора – 1 V за 100 сек. Или за 100 сек 38 х100 – 3 8 00 корректирующих импульсов.(Для VFO – 5 – 5,5 Mc)
Частота VFO за 1 корректирующий импульс меняется не более 0,2 6 Hz , следовательно, уменьшать постоянную времени интегратора (4,7 Mom, 2,2uF) не рекомендуется .
Также автор проверил LC VFO на 38 Мггц и Xtal на 80 Мггц. При этом M = 2^20, Fclock = 36,23 Hz, Fclock/4 = 9,059 Hz, D(Lock Point) = 17,21 Hz. К ак пишет автор : при холодном старте , и включении FLL , через несколько секунд произошел захват частоты и она стояла в точке Lock Point часами. (38 Mc!!!). Недостатки системы – невозможность применить RIT и работать Split, т.к. при включении и выключении FLL , происходит прыжок (скачек) и не запоминается последнее значение (т.е. нет возврата в точку Lock Point) удерживаемой частоты.(Таже особенность работы D триггера, как Digital Mix.) Как выход – применение двух отдельных VFO c системой FLL , позволяющих работать Split на 2 частотах . ( Прим. YL2PU) Причем автор ( PA 0 KSB ) замечает, что при D = 10 Hz( Lock Point), точность удержания частоты VFO, даже в худших условиях, не хуже +/- 5 Hz, и при комнатной температуре очень медленно колеблется в районе +/- 1 Hz, при включенной системе FLL.. Эти данные получены автором на конкретном экземпляре VFO 5 – 5,5 mc, при D = 15,9 – 19,2 Hz.
Мой сосед проделал тот же опыт, только VFO был другой. При включенной
FLL – температура комнатная – открывали окно зимой (все атрибуты VFO
лежали открыто на столе) и понижали температуру до минусовых значений
, система FLL все равно отрабатывала и ее не удавалось < сбить > с
Lock Point.
Небольшой совет. Не уменьшайте R-4,7Mom компаратора менее 1 Mom; не выбирайте
при расчете величину D менее 5 – 6 Hz, достаточно и 10 – 20 Hz, требования
по конструкции VFO обычные – жесткость, минимально необходимая нестабильность
(желательно не более 600 Гц / мин, но держит и значительно худшие), экранировка,
чистый тон и т.п. Частоту кварцевого генератора можно выбирать от 40 до 80
мггц, т.е. использовать любой кварц на 3 или 5 гармонику, даже сделав обычную
трехточку с умножением, а не только интегральный TXCO, лишь бы она выдавала
2-3 вольта…( Печатка с кристалом 20х3 – 60 мггц – FLLc , размеры
теже ). При этом не забудьте все пересчитать по приведенным формулам, согласно
вашей ПЧ и Fx.
Изготовлена новая печатка для этого FLL, где добавлен входной формирователь на 74HC00 (1554ЛА3) + KP303/KT368 с входными уровнем >=150 mV, введено включение и выключение ( S 1- FLL on / tune) этого формирователя, что позволяет вернуться (почти точно) к первоначальной частоте, при этом интегратор DA 1 работает в режиме хранения , при условии качественной емкости ( 2,2 uF) интегратора. Для классического применения сохранен ключ S2 (FLL on/tune). Что использовать, S1 или S 2, выберите сами, что понравится лучше, работает и тот и другой вариант .
Дополнение.
Печатка для любого VFO - FLLca , образцовый опорник – 50 мггц - XCO. Расчет приведен выше.
Печатка для VFO – FLLc, опорник на кварце 20х3 – 60 Мггц на трехточке. Готовые данные расчета
Для DD1: (ПЧ – та же)
- 14 mc; Q5 D = 13,12 – 15,61 Hz.
- 1,8/18 mc; Q7; D = 10,71 – 15 Hz.
- 3,5,7,10,21,24,28 mc; Q9; D1 = 4,67 – 8,31 Hz (3,5/21, 7/24)
D 2 = 11,42 – 13,79 Hz (28/10 ).
При этом перемычки с реле К1-К3 на DD1:
- K1 …… (Q5) 5 pin DD1
- K2 …… (Q7) 6 pin DD1
- K 3……. ( Q 9) 13 pin DD 1.
На печатке FLLc . PCX – расположение деталей – условно обозначены эти перемычки.
Все остальное смотри в разделе FLL описания .
Note 1: ПЧ – 8862 кгц.
| Диапазоны, МГц. | Частота VFO, МГц |
| 1,8 – 2 | 10,60 – 10,87 |
| 3,5 – 4 | 12,35 – 12,86 |
| 7 – 7,2 | 15,85 – 16,06 |
| 10,10 – 10,15 | 18,86 – 19,01 |
| 14,0 – 14,35 | 5,1 – 5,5 |
| 18,068 – 18,168 | 9,2 – 9,3 |
| 21,00 – 21,45 | 12,13 – 12,6 |
| 24,89 – 24,99 | 16,02 – 16,13 |
| 28,0 – 29,7 | 19,13 – 20,83 |
Note 2: Объединение по диапазонам для VFO – КПЕ (50 pFx 6 секций) .
14 = 5.1 – 5,6 Kp – 1,09
18 = 9,2 – 9,36 Kp - 1,02
1,8 = 10,6 – 10,87 Kp - 1,025
3,5/21 = 12,13 – 12,86 Kp - 1,06
7/24 = 15,79 – 16,19 Kp - 1,025
28/10 = 18,85 – 20,88 Kp - 1,107
Используя приведенные данные, можно использовать эту систему стабилизации для любых , уже готовых VFO , имеющих варикап в цепи RIT.
Замечание от 13.08.2005
При повторении плат DigiMetdia (Цифровая шкала) и FLLdia ( система FLL) при разных примененных м.схемах на входах - формирователи - нужно сделать следующую корректировку. При применении м,с. 1533ЛА3 никаких изменений принципиальных схем не требуется . В случае применения м.х. 74HC00 нужно сделать следующее:
Для DigiMetdia - DD6, 74HC00 - на вход м.с. ,поставить делители из 2 одинаковых резисторов по 10 - 18 Ком (некритично), запитать от +5 и среднюю точку делителя (около +2,5 вольта) соединить со входом - 1,2 ножка. Тоже для 4,5 ноги. Тем самым эти элементы переводятся в линейный режим. Ввиду высокоомного входа серии 74HC(AC) , на входе этой серии стоит дополнительный усилитель тока, которого нет в серии 1533. Поэтому переводить в линейный режим эти серии нельзя включением резистора с выхода на вход (как у 1533), т.к. при довольно малой величине резистора (3 -5 Ком) возникает положительная обратная связь и, соответственно элемент "генерит".
Для FLLdia - DD1, 74HC00 - все тоже самое, только делитель на 9 и 10 ножку.
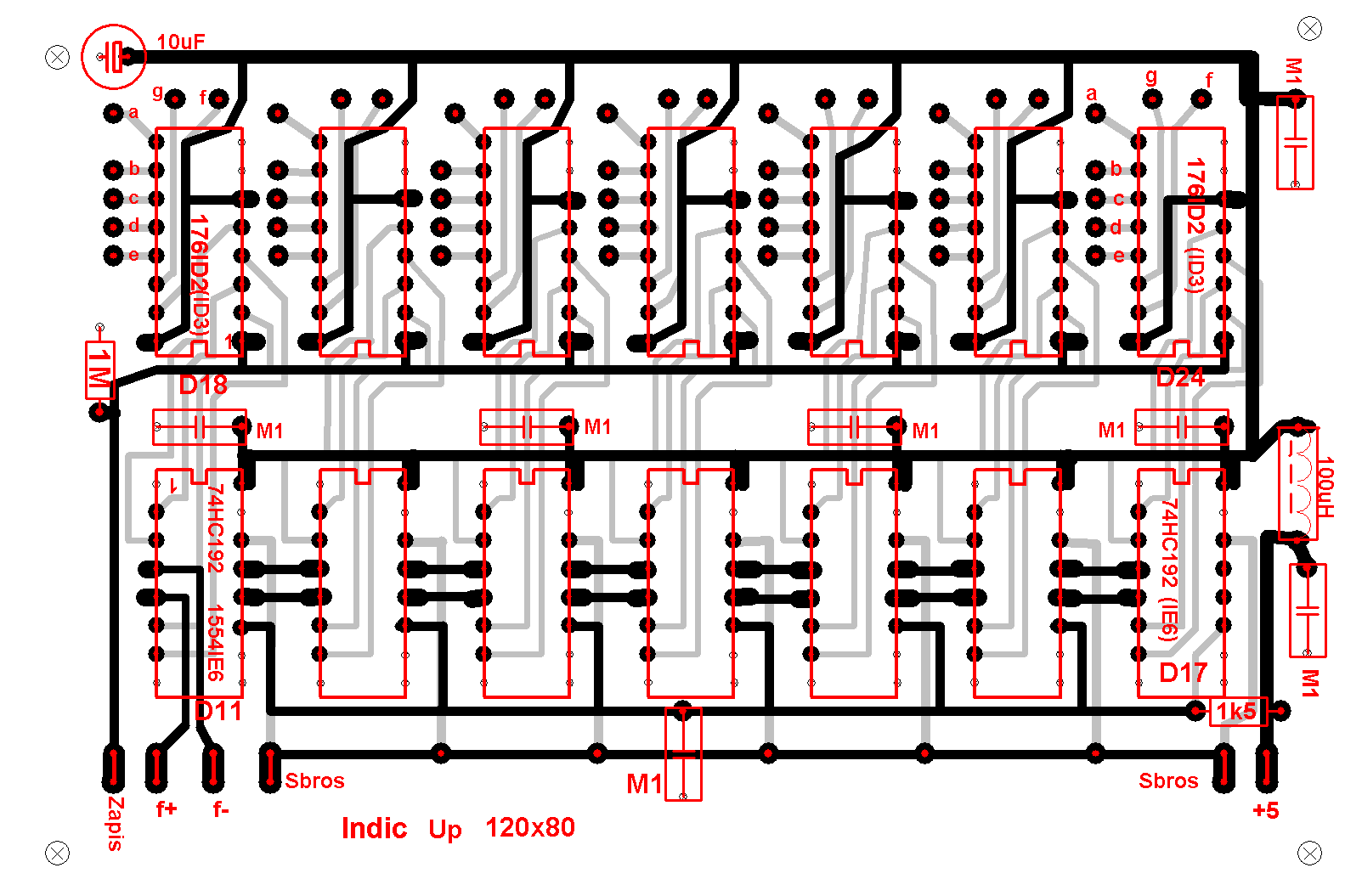
DigiMet, DM-15. Цифровая шкала.
Новое – хорошо забытое старое, :-) . Идея взята от старых армейских станций, где шкала построена примерно также. Только здесь М.С. применены более современные серии 74 HC,LS и то не все.Точность измерения - 10 Гц, 7 разрядов . Эти серии потребляют меньше и частота у них выше, хотя максимальная частота определяется дешифраторами 176 серии. До частоты 30 мггц работает без проблем, а если поставить другие дешифраторы ( к примеру – 74 LS 47 или 74 HC 4511 при этом надо минимальные доработки) , то максимальные измеряемые частоты возрастут ,как минимум до 80-90 мгц. И как преимущество – не нужно предварительно записывать ПЧ , частота на выходе индицируется как F1( сигнал гетеродина) + /- f2 ( сигнал опорника), т.е на выходе все готово. Для этого есть управление по входу +/- f2 , при этом можно управлять ключом (через мини реле) от сигнала переключения диапазонов. Для замера частот двух VFO использована плата A8-3M (См. блок – схему VFO), которая позволяет одной шкалой замерять частоту гетеродина – VFO A , VFO B . Можно также замерять отдельно частоту F1 и f2 , что иногда тоже полезно. Схему нет надобности подробно описывать. М.С. D 7 – триггер, делит частоту на два. Частота f2 подается на мультиплексер D8 без деления. База времени состоит из генератора 100кгц, линейки делителей D 2- D 5 и частота 10 гц подается на D9, которая управляет коммутацией мультиплексера, сбросом и записью индикации. На схеме показано включение 176 ИД2 для индикаторов с общим анодом. При применении индикаторов с общим катодом (АЛС333, 324,321) можно применять 176ИД3 – не нужно так много гасящих резисторов обвешивать :-) . При этом на 6 ногу подать корпус (лог.0) Конечно, лучше применять иностранные АЛС, они меньше потребляют. ( MAN6910 , ELS 505 GWA , ELS 431 GWA , TDMG 5130 и т.д.)
Серии 74HC меняются на наши - серию 1553 и 1554 (еще лучше,соответствует 74AC ).Уровни сигналов на входах составляют около 0,6 – 1 вольта, учитывая, что в гетеродине и опорнике должны стоять истоковые повторители для этих сигналов.
Платы выполнены в формате LAY и собираются этажеркой в 2 этажа. Расположение деталей на платах показаны на рисунках в формате GIF. На платах применены дроссели, не показанные на схеме, которые мотать ТОЛЬКО на кольцах
Замечание от 13.08.2005
При повторении плат DigiMetdia (Цифровая шкала) и FLLdia ( система FLL) при разных примененных м.схемах на входах - формирователи - нужно сделать следующую корректировку. При применении м,с. 1533ЛА3 никаких изменений принципиальных схем не требуется . В случае применения м.х. 74HC00 нужно сделать следующее:
Для DigiMetdia - DD6, 74HC00 - на вход м.с. ,поставить делители из 2 одинаковых резисторов по 10 - 18 Ком (некритично), запитать от +5 и среднюю точку делителя (около +2,5 вольта) соединить со входом - 1,2 ножка. Тоже для 4,5 ноги. Тем самым эти элементы переводятся в линейный режим. Ввиду высокоомного входа серии 74HC(AC) , на входе этой серии стоит дополнительный усилитель тока, которого нет в серии 1533. Поэтому переводить в линейный режим эти серии нельзя включением резистора с выхода на вход (как у 1533), т.к. при довольно малой величине резистора (3 -5 Ком) возникает положительная обратная связь и, соответственно элемент "генерит".
Для FLLdia - DD1, 74HC00 - все тоже самое, только делитель на 9 и 10 ножку.
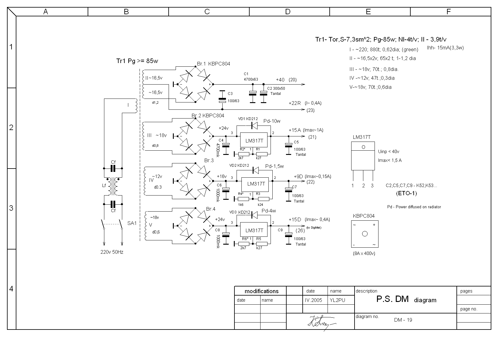
Блок питания... PS DM . DM -19.
Особых замечаний нет... Трансформатор мотать только на торе , (в крайнем случае на U образном железе). Габаритная мощность - не менее 100 вт. По возможности трансформатор поместить в экран из мягкой стали ... Напряжения + 9, +15v хорошо застабилизировать, используя LM-317 или наш КРЕН 12... Напряжения + 40 и +20 v можно не стабилизировать, ограничившись емкостями не менее 4700 Mkf. Обязательно использовать указанные Tantal емкости типов К52, К53, ЭТО. Тоже самое касается всех блоков, где требуется хорошая развязка по питанию, хотя эти емкости стоят не дешево…
4. Наладка блоков DM
Практически все платы / блоки / можно предварительно настроить каждый по отдельности, после этого, смонтировав их по месту, лишь подстроить их... Мы слушали уже настроенный аппарат, еще не смонтированный в корпусе, а разложенным на столе, по блокам и коробкам...
ФНЧ , блок А1.
Все данные контуров приведены на схеме. Фильтры на 7-10, 14-21, 24-28 мггц - эллиптические. Их нужно подстроить с помощью Х1- 1( или лучше ) . Частоты срезов указаны в таблице. Для диапазонов 1.8 , 3.5, 7-10 применены карбонильные сердечники с внутренним диаметром 11 мм, использованы внутренние керны от чашек С Б - 32. Все данные на схеме.
Усилитель TX , блок А2 .
Наладка схемы. Кроме обычных приборов, желательно применить любой X1-36,38 (даже X1-1A) и т.д. для проверки АЧХ. Начинать с проверки режимов по питанию. Каскад VT1 – проверить указанный ток. Каскад VT2 – выставить с помощью R17 ток стока не более 50 mA, лучше 35 – 40. Проверить ток VT3, VT4 – каждого в отдельности, и выставить ( R18, R19) начальный ток каждого по 0,4 А, класс А. Нагрузить на эквивалент 50 ом и подать на вход сигнал с X1..... Обязательно использовать атенюатор прибора и не подавать на вход более 10 – 15 mV . При необходимости, подобрать емкости в первом каскаде, в области 10 – 20 mc ( C 2 на схеме) и в полосе 20 – 30 mc ( C 4 на схеме). Обычно, при указанных элементах, подбор не требуется. Проверив АЧХ ( завал на 20 –30 mc не более 4 – 4,5 db), можно переводить PA в класс B. Для этого выставляем ток каждого VT3, VT4 – 100 – 150 mA . Если полевики качественные и индентичные, можно чуть меньше. Нагрузив выход эквивалентом на P >= 20 – 30 W / 50 ohm, можно давать полную раскачку, до 250 mV. NB ! КОРОТКИЕ ПРОВОДА! Если мощность на нагрузке мала, можно увеличить ток VT 2, но не более 50 mA, обычно хватает, и 40 w всегда имеем. При испытании на полную мощность, обратить внимание на короткие и экранированные провода, развязки, экранировку. При установке усилителя на заднюю понель, экранировать его. Обязательно на месте C 23 применять только Tantal емкости от 100 до 300 мкф !! Танталовые емкости хорошо компенсируют пики потребления тока при работе усилителя.
При указанных данных по материалу колец, все работает нормально. При применении колец с
проницаемостью 600 – 1000 , АЧХ придется немного скорректировать. В остальном PA не боится повышенного КСВ и работает весьма надежно. Не забудьте требование к выпрямителю + 40 v –
емкость не менее 4700 uF ( желательно увеличить до 10000 uF или поставить, как указано на схеме, танталовые конденсаторы параллельно) , и запас по току до 4 – 5 А (в пике). Мощность доходит до 50w, в зависимости от выходных транзисторов и охлаждения. Мосты у автора стоят – Шоттки. (См. на схеме – Br1, Br 2)
Входные полосовые фильтры, ДПФ, блок А3 .
Все фильтры выполнены по Рэду [Л.2,3] , все данные указаны на схеме. Обратите внимание на добротность ненагруженных катушек! Она должна быть везде не менее 200. ( Влияет на отношение сигнал / шум и затухание ) .Материал колец указан в таблице. Предварительная настройка и проверка индуктивностей проводилась на Q-метре ( см. список приборов). После этого можно приступить к проверке и подстройке АЧХ ( см. приборы). Индуктивности блока, намотанные на торах, нужно обмотать лакотканью, пропитать полистирольным лаком (2-3 слоя) и закрепить на плате. Тоже для блока А1. При отсутствии указанных колец, допускается применение < трансфлюкторов> 30 ВЧ – двухотверстных. Qxx не менее 180 .
MIX , предварительная УПЧ , предварит. Селекция, блок А4-1 .
Основная ПЧ , ZQ2 , ZQ3 , блок А4- 2.
Настройку производить с помощью любого ГСС, начинать с блока А4-2. Основные режимы на схеме. Настроить по генератору все контура на максимум сигнала. Контроль лучше всего производить с подключенной платой НЧ – А5. Чувствительность со входа А4-2М около 1uV. Напряжение АРУ имитировать с потенциометра величиной 1-8 вольт. После наладки присоединить плату А4-1М. Иногда полезно включить на вход А 4-1М Rbuf – 51/75 ом (некритично) для оптимизации нагрузки А3 ( LPF ). Это зависит от типа смесителя и его режима. Проверить прохождение сигнала. Чувствительность со входа диплексера около 0,1 uV – точка L2,R16. Фильтр пробка ( L1,C1) настраивается как обычно на подавление сигнала ПЧ. П осле окончания, можно установить уровень срабатывания АРУ и наклон характеристики АРУ. (СМ. блок А5)
УНЧ и АРУ, блок А5 .
Внимательно проверьте весь монтаж, после этого проверьте все режимы по постоянному току. Далее подайте сигнал 1000 гц с уровнем не более 1 милливольт (любой звуковой генератор с аттенюатором) на вход ДА1.(Корректно собранный УНЧ имеет чувствительность по входу DA1 - 0.2 - 0.5 mV ). С помощью осциллографа проверьте все уровни, указанные на схеме в характерных точках. После этого, состыковав предварительно настроенные блоки (A4-1, A4-2, A3) приступите к окончательной регулировке АРУ. Уровень срабатывания выставляется потенциометром R 15 на входе усилителя VT 3 , (обычно 1-2 мкв по входному сигналу) Наклон регулировочной характеристики выставить с помощью потенциометра R 30 между каскадами VT5 и VT6. От наклона зависит точность и линейность регулирования АРУ... Время срабатывания АРУ - 10 мс, а разрядки - 4.5 сек, что достаточно как для SSB, так и для CW. При нормальной настройке, напряжение НЧ на выходе не должно изменяться более чем на 5 db, при изменении входного ВЧ сигнала более 100 db. Также проверьте АЧХ низкочастотного фильтра и его согласование, аналогично - узкополосный фильтр на DA2 , DA3.
Убедитесь, что временные цепочки на VT7 , VT8 работают нормально. При отсутствии оптотрона ОЭП-2 , можно поставить обычный потенциометр. Остальные режимы на схеме. Привожу моточные данные на индуктивности ПФНЧ . Кольца, типоразмер - К 12х 5х5.5 , марка Ф1500НМ1. Провод ПЭЛШО 0.12 . 22 mH - 127 витков, 44 mH - 180 витков, 88 mH - 245 витков. Число витков дано ориентировочно, так как проницаемость колец имеет разброс, контроль и подгонку осуществляйте по прибору. Допуск номиналов L, C < 5%. Данные замера ПФНЧ - полоса по уровню - 6db = 300 - 3700 Hz, K п по уровням 6/ 20 db< = 1,4. [ Л.1 ]
Формирование DSB & CW. Блок А6.
После проверки правильности монтажа, можно приступить к проверке и настройке частот опорных генераторов на VT1, VT2 и VT6, VT7. На выход эмитерного повторителя VT2 подключите частотомер и с помощью подгонки индуктивности L1 , выставите частоту ZQ1 на нижний скат фильтра по уровню - 20 db , с точностью не хуже 100 Hz. Запишите эту частоту, для контроля. Для новой 2-х входовой цифровой шкалы эту процедуру можно не делать,а только выставить частоту на срез фильтра.(Можно также изменять частоту опорного кварца на желаемый тембр и проконтролировать его частоту по шкале.) Для работы обратной полосой применяется генератор на ZQ2, собранный на VT6, VT7, который ставится по необходимости. Частоту его выставить на верхний скат фильтра по уровню - 20db, с помощью триммера. Далее настроим балансный модулятор. На выходе усилителя VT3 напряжение опорного сигнала не должно превысить указанного значения - 1 v p-p!! Отрегулировать емкостями связи, помечено **. При отсутствии варикапов КВ109Б можно применить КВ121А ( они еще лучше ). Далее, не подавая НЧ сигнал, разбалансируем балансный модулятор - резистор R 19 , перед этим не забывая подключить осциллограф на выход блока - катушка L7. С помощью триммера C 18- 25 пф, настроим контур L4 на максимум. После этого, балансируем модулятор на минимум с помощью резистора 22Ком - грубо, и с помощью резистора 3,3 Ком точно. На выходе сигнал уменьшится до 10 -15 мв. Подавление должно быть не менее 46db, на практике и более... Если учесть дополнительное подавление фильтром , ( 20 db ) , то общее подавление будет > 66 db, что достаточно. Практически эта цифра еще больше... После этого подайте сигнал НЧ 1000 Гц на вход VT8 с уровнем не более 1 v p-p и посмотрите, насколько линейно работает модулятор. Для работы CW аналогично проверьте частоту ZQ3, она должна быть равна частоте ZQ1 + 700 / 800 Hz. При необходимости откорректируйте с помощью емкости... Все режимы на схеме. Не превышать указанных уровней, особенно на входе балансного модулятора. Каскад на DA1 ( УД708) представляет собой генератор НЧ ( ~800 Hz), управляется по линии ключевания (TX/KEY), для контроля при работе CW и при настройке TX ( тон). Сочетание VT5 и VT10 - для регулирования выходной мощности и ALC. Моточные данные катушек и индуктивностей на схеме.
Speech - pro . , блок А6 - 1.
Схема не содержит сложных решений, за основу взята публикация в < Радиолюбитель> # 4,94 год. Сигнал с электретного микрофона подается на вход усилителя - эквалайзера на DA1 - 538УН1 , где усиливается до необходимого уровня и / или корректируется его АЧХ в области высоких частот, равномерное повышение АЧХ от 300гц до 3500 - 4000 гц на + 16 db. Применять ЭМФ или Н , или В - два одинаковых. Проверить работу опорного генератора 500 кгц - выход - >= 0.6 - 0.8 вольт, на модуляторах / демодуляторах КП303Б. Величина ограничения регулируется потенциометром в истоке КП303Е. Уровень ограниченного сигнала на диодах ГД507 - 0.6 вольта . После Z2 ограниченный сигнал детектируется, фильтруется и усиливается в DA2. Необходимое усиление выставить в цепи его обратной связи - R 47 Kom.
Реле К 1 управляет АЧХ усилителя на DA1. Реле К 2, К 3 - режим обход. Уровни сигнала даны на схеме. На выходе схемы (to A6) напряжение не должно превышать 1 вольт p-p. Проверьте и выставьте рекомендуемые уровни с обработкой сигнала и без...
Управление, VOX, Anti VOX. Блок А7.
Схема содержит VOX , Antivox , и ключи управления. При включении питания - подан + vox, работает система VOX - КТ3102 х 2 и Antivox - КТ342 + КТ315. Уровни НЧ сигнала показаны на схеме. На вход VOX НЧ сигнал подается с блока А5 - до оконечного УНЧ, а на вход Antivox - с выхода Оконечного УНЧ А5. Уровень срабатывания VOX выставить потенциометром 4,7 Ком в коллекторе КТ3102 ,желаемый уровень срабатывания Antivox - выставить на его входе потенциометром 15 Ком. Минимальные уровни срабатывания указаны на схемах. Цепь задержки состоит из конденсатора 10 мкф и потенциометра задержки 100 Ком (Delay) , можно вывести на переднюю панель. При работе CW, включается дополнительная шунтирующая цепь - 47 Ком, уменьшающая время паузы... Каскады включающие напряжение питания +RX , +TX - ключи постоянного тока ( одновибратор, инверторы, p-n-p switch ) . Для управления от тангенты ( PTT ) и ключа ( Key ) применены также упрощенные p-n-p ключи на КТ501, причем в узле управления (Key ) подобрана постоянная времени для фронтов CW - сигнала, емкость 68 n , между коллектором и базой, нарастание и спад фронта - 5 и 7 мс. Аналогично, через диодные < И> подается сигнал управления при настройке ( +tune) . При работе любым видом работ, управляются мощные выходные ключи КТ816 , поочередно включая аппарат на передачу или на прием. Внизу схемы приведен еще два умощненных ключа для управления реле в А2 РА и других цепях. При исправных деталях, блок не нуждается в настройке, проверьте только указанные уровни, срабатывание всех ключей. Для мощных ключей – мини радиаторы (КТ816 - RX/TX) подключите нагрузку 150 -200 ом х 2-4 вт и проверьте все в комплексе.
Переключатель диапазонов, А9.
При правильном монтаже в наладке не нуждается. Возможен подбор RC элементов на D1-1, D1-2, D1-3 для подбора скорости коммутации. Максимальный ток нагрузки ключей – 150 -350 Ма, при большей нагрузке усилить охлаждение – увеличить радиаторы.
Полная схема блочных соединений трансивера – D M connect – DM -17.
(Отдельно - VFO group – DM -18)
5. Заключение.
В заключении хочу пожелать Всем радиолюбителям успехов в повторении хотя бы RX тракта...
Если Вы будете придерживаться всех рекомендаций, результат не заставит ждать. Для тех, кто не захочет повторять все, а будет использовать отдельные <куски> схем, включая в свои готовые аппараты - могу с уверенностью сказать - может получиться еще хуже... Тракт решается только в комплексе , измените только один узел - можете испортить весь тракт, и , если будете искать виновного, посмотрите в зеркало. Еще раз успехов!
Схемы и чертежи печатных плат
Скачать описание, схемы и чертежи:
- Описание WinWord
- Принципиальные схемы: часть 1, часть 2
- Печатные платы (GIF): часть 1, часть 2
- Печатные платы (Sprint-Layout *.lay): часть 1, часть 2, часть 3
Эскизы конструкции
|
Компоновка блоков. Вид сверху |
Компоновка блоков. Вид снизу |
Передняя панель |
Литература.
- Wetherhold Ed, W3NQN, "Passive audio Filter for SSB" , QST,# 12,79.
- Рэд Э. Схемотехника радиоприемников. М. Мир. 1989.
- Рэд Э. Справочное пособие по ВЧ схемотехнике. М. Мир. 1990.
- К.Пинель. YL2PU . Трансивер L-91. Радиолюбитель. Минск. № 6 - 12 , 1994. № 1 - 4 , 1995.
- К.Пинель. YL2PU. Трансивер DM2002. Радио, МСК, №5-12, 2003; № 1, 2003.
- С. Бунин, Л. Яйленко. Справочник радиолюбителя - коротковолновика. Киев. Техника. 1984.
- By Dong de Maw , W1FB, Toward Cleaner Local-Oscillator Chains-Spectral Purity. QST, 1979, № 3.
IV.2005. YL2PU/Kir.
III.2006 YL2PU - исправления
















































