Дверной сигнализатор
перевод А.Анкудинов (UA3VVM)
Источник http://www.electronics-lab.com |
Устройство подвешивается на дверную ручку
Подает сигналы, когда кто-нибудь прикасается к дверной ручке с другой стороны
Детали:
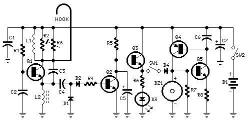
R1 - 1M 1/4W Резистор
R2 - 3K3 1 или 2W Резистор
R3 - 10 КБ 1/2W Подстроечный резистор
R4 - 33 КБ 1/4W Резистор
R5 - 150 КБ 1/4W Резистор
R6 - 2K2 1/4W Резистор
R7 - 22 КБ 1/4W Резистор
R8 - 4K7 1/4W Резистор
C1, C2 - 10nF 63V Керамический или полистироловый конденсатор
C3 - 10pF 63V Керамический конденсатор
C4, C6 - 100nF 63V Керамический или полистироловый конденсатор
C5 - 2ц2 25V Электролитический конденсатор
C7 - 100цF 25V Электролитический конденсатор
D1, D2, D4 - 1N4148 75V 150mA Диоды
D3 - 5 или 3mm. Красный светодиод
Q1, Q2, Q3, Q5 - BC547 45V 100mA N-P-N транзисторы
Q4 - BC557 45V 100mA P-N-P транзистор
L1 - (См. Примечания)
L2 - 10mH дроссель
Крючок - (См. Примечания)
BZ1 - Пьезоэлектрический звуковой излучатель (встроенный 3 кГц генератор)
SW1, SW2 - Миниатюрные выключатели
B1 - 9V Батарея

Назначение прибора:
Эта схема подает звуковые и световые сигналы, если кто-нибудь прикасается к дверной ручке с другой стороны. Сигнализация продолжается до тех пор, пока не выключат схему.
Собранная схема помещается в небольшой пластиковый или деревянный корпус и закрепляется посредством отрезка жесткого провода согнутого петлей. Помещается с внутренней стороны помещения. Прибор достаточно чувствителен для многих типов дверей, но не работает с металлической дверью.
Принцип работы:
На транзисторе Q1 собран генератор гармонических колебаний. Его колебания в ждущем режиме выпрямляются и подаются на базу транзистора Q2. В результате чего Q2 работает в режиме насыщения, а ток через Q3 не течет и светодиод выключен.
Когда человек касается дверной ручки, а посредством крючка из провода - коллектора Q1, то
происходит срыв генерации и напряжение на базе Q2 резко уменьшается, Q2 закрывается тем самым открываю транзистор Q3. Загорается светодиод. Если переключатель SW1 включен, то также включается триггерная схема на транзисторах Q4, Q5 и включается звуковой излучатель.
Подстроечным резистором R3 подбирают чувствительность под тип входной двери.
Примечания:
1. Катушка L1 намотана на корпусе резистора R2 и содержит от 20 до 30 витков провода диаметром 0.4 мм. Мощность резистора от 1 до 2 ватт. Длина намотки 13-19 мм, диаметр резистора 5-6 мм.
2. Крючок выполнен из голого провода диаметром 1-2 мм. Длина может составлять от 5 до 10 см.
3. Если устройство используется с различными типами дверей, то резистор R3 может быть заменен безъиндуктивным переменным резистором, либо электронным резистором в составе ИС с внешними элементами управления.
4. Перед использованием необходима настройка схемы. Для этого включатся питание и устройство фиксируется на внутренней ручке двери. Настройкой резистора R3 добиваются свечения светодиода при разомкнутом выключателе SW1. Затем медленно настраивают резистор R3 до момента пропадания свечения светодиода. Теперь если прикасаться к дверной ручке с внешней стороны, то светодиод должен зажигаться. Тогда замыкается контакты SW1 для включения звуковой сигнализации.
5. Для правильной работы схемы при включении питания переключатель SW1 должен быть разомкнут. Это мера предупреждает нежелательный запуск звукового сигнала при подаче питания.
|