LAB599.RU — интернет-магазин средств связи
EN FR DE CN JP
QRZ.RU > Каталог схем и документации > Схемы наших читателей > Радиолюбительские конструкции > Любительская радиостанция FM2004-2 диапазона 144-146 Мгц

Любительская радиостанция FM2004-2 диапазона 144-146 Мгц

Любительская радиостанция FM2004-2 диапазона 144-146 Мгц
(модернизированный вариант)

UR3LMZ, Шатун Александр Николаевич
62300  Харьковская обл. г. Дергачи, пер. Октябрьский 16
телефон в Дергачах 3-21-18. ashatun (at) mail.ru

Программное обеспечение
RA3RBE, Денисов Александр Юрьевич
г. Москва

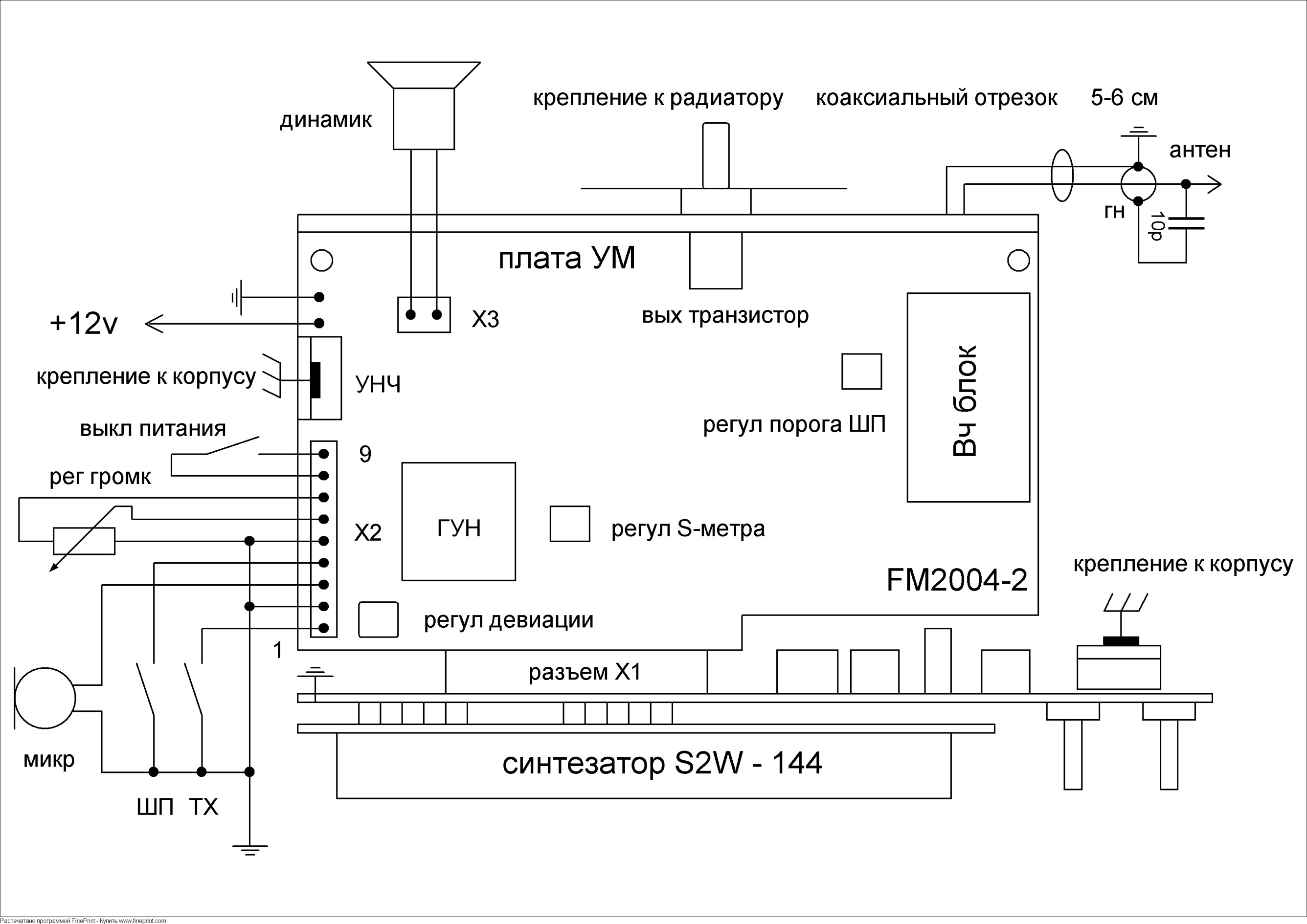
С момента своего появления УКВ трансивер FM2004 получил много хороших отзывов от радиолюбителей по качеству работы, и по сервисным возможностям. В процессе дальнейшего повторения в конструкцию были внесены изменения направленные на дополнительное улучшение. Было введено звуковое подтверждение нажатия кнопок, и перенесен ГУН с платы синтезатора на основную плату. Этот вариант FM2004-1 был опубликован в журнале Радио №1,№2 за 2006 год. Еще до публикации в журнале эту конструкцию собирали многие радиолюбители, и была отмечена хорошая повторяемость, и простота настройки. Но далее возникла проблема с приобретением выходных транзисторов 2SC1971. От первоначальной стоимости 2 долл, его цена выросла до 20-ти на рынке, и то за эти деньги чаще можно купить подделку чем настоящий. Пришлось отказаться от дальнейшего применения неоправданно дорогих импортных транзисторов и перейти на отечественные КТ920Б, КТ925Б, которые работают не хуже, и даже лучше, но требуют немного большей раскачки. Поэтому в новом варианте в предоконечном каскаде применяются два параллельно включенных транзистора 2SC2053. Конструктивно плата усилителя мощности выполнена съемной, на разъеме, и легко устанавливается при сборке вместе с прикрученным к транзистору алюминиевым уголком теплоотвода, или радиатором. Немного изменена так же схема ГУН. Транзистор включен по схеме с общим затвором. В таком варианте напряжение собственных ВЧ колебаний на контуре больше, и ГУН менее восприимчив к внешним полям. Состыкованные между собой платы работают устойчиво в любом виде, в корпусе, без корпуса, просто на столе, при полной мощности и любом значении КСВ.  Все что из этого получилось, прилагается. Схемы, монтажки, рисунки плат, и прочее. Файл прошивки тоже прилагается.

Любительская радиостанция FM2004-2 диапазона 144-146 Мгц   Любительская радиостанция FM2004-2 диапазона 144-146 Мгц
   
  Любительская радиостанция FM2004-2 диапазона 144-146 Мгц

Некоторые особенности конструкции:

Трансивер FM2004-2 выполнен в виде 3-х отдельных плат, которые стыкуются между собой через впаянные в платы разъемы, и в таком виде представляют законченную конструкцию с минимальным количеством соединительных проводов.  Подключаются только внешние устройства – динамик, тангента, питание, антенна. Все это выведено на разъемы. Для отображениия  информации используется двухстрочный ЖКИ с подсветкой,  на который выводится вся информация, в том числе и линейка S-метра, показания которой дублируются цифровым значением в конце шкалы. Измеряется диапазон уровней в баллах от 2+ до 9+40 ДБ. Дискретность 0,5 балла (3 ДБ). Линейкой так же отображается включенный уровень мощности при передаче, и дублируется надписью – HIG, LOW. Дополнительные удобства создает наличие двух окон независимых настроек. Нажатием одной кнопки, можно оперативно переходить из окна “А”, в окно “В” где по усмотрению могут быть установлены совсем другие границы частот диапазона, границы сканирования, шаг, и прочее.

Подключение
     
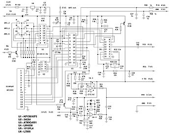
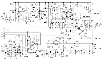
Принципиальная схема   Принципиальная схема

Технические характеристики:

  • Напряжение питания 12-14 вольт.
  • Два уровня выходной мощности при 13,5 в - 10 вт,  и 3-4 вт (устанавливается)
  • Чувствительность приемника не хуже 0.1 мкв.
  • Динамический диапазон не хуже 80 дБ.
  • Два окна независимых настроек “A” “B”
  • 39 каналов памяти в каждом окне (каждый может быть репитерным с любым разносом частот и в любую сторону)
  • Сканирование по частоте, или по каналам памяти
  • Пошаговая или ускоренная перестройка кнопками
  • Звуковое подтверждение нажатия кнопок
  • Минимальный шаг 2,5 Кгц
  • Режим CTCSS поддержки репитеров (38 стандартных частот)
  • Режим “реверс” на любом репитерном канале
  • Тональная посылка 1750 Гц, для открывания некоторых репитеров
  • Габариты в корпусе 135 Х 105 Х 45 мм

Размеры плат для повторения:
Основная плата 86 Х 57.5 мм
Синтезатор 105 Х 37 мм
УМ    86 Х 24 мм

Настройка функций синтезатора:

Настройки можно производить независимо для каждого окна “А” или “В”, поэтому нужно сначала кнопкой “WIN” выбрать требуемое окно, затем настроить в нем все необходимое.

Установка границ диапазона

Нажать кнопку “FUN”, затем “WIN”. Появится надпись “Band Low Limit” – нижняя граница диапазона. Кнопками перебора частот “UP”, “DN” установить значение. Снова нажать “FUN”, появится надпись “Band High Limit” – верхняя граница. Так же установить значение кнопками “UP”, “DN”. Для выхода из настройки снова нажать “FUN”.

Установка границ сканирования

Нажать кнопку “FUN”, затем “SC”. Появится надпись “Scanning Low” – нижняя граница сканирования. Установить значение теми же кнопками перебора частот. Нажать снова “FUN”, появится “Scanning High” – верхняя граница. После установки значения – выход “FUN”. Запуск сканирования производится кнопкой “SC”, а остановить сканирование можно повторным нажатием “SC”, или нажатием клавиши передачи.

Настройка каналов памяти

Нажать кнопку “FUN”, затем “CH”. Появиться надпись “Channels” – каналы. Выбрать номер настраиваемого канала (01, 02…10 и. т. д.) кнопками “UP”, “DN”. Последующими нажатиями на “FUN”, в меню выбирается настраиваемый параметр, то есть: “RX Frequency” - частота прима, “TX Frequency” - частота передачи, “Sub Tone” - частота CTCSS. Кнопками перебора частот, устанавливаем каждое значение. Для выхода нажать кнопку “CH” в положении “Sub Tone”, или вернуться в положение “Channels” с помощью “FUN”, и перейти к настройке следующего канала. Отображаются и участвуют в работе только настроенные каналы. Если частота прима и передачи установлены разные, то канал отображается как репитерный и обозначается буквой R рядом с номером канала. Для исключения из работы любого канала, нужно набрать в нем значение выходящее за пределы установленных границ частот.

Реверс

В любом канале памяти настроенном как репитерный, с разносом частот прием-передача можно оперативно частоты менять местами. Для этого нажать кнопку “CH” и удерживать ее около 2 сек. При переключении на индикаторе перед значением частоты появится маленькая буква r. При переходе обратно, она исчезает. Этот режим служит только для контроля, и в памяти не сохраняется.

Установка шага перестройки

Нажать кнопку “FUN”, затем “UP”, или “DN”. Появится надпись “Step” – шаг. Кнопками перебора частот устанавливаем шаг. Выход – “FUN”.

Переключение мощности

Нажимая вначале на “FUN”, затем передача – выбираем по длине линейки уровень мощности. Режим мощности так же подтверждается надписью “HIG” – большая, и “LOW” – низкая.  Передача при выборе мощности в эфир не идет. Включается  только после повторного нажатия на тангенту. Кнопка “FUN” при нажатой передаче, так же включает тон 1750 Гц на время ее удержания.

Для того, что бы стереть все настройки, следует включить станцию с нажатой кнопкой FUN, и отпустить ее через 1-2 сек. Все настройки сотрутся и станут по умолчанию – границы диапазона 144-146 Мгц, границы сканирования 144500 – 145800, шаг 25Кгц, стартовая частота 145300.0, канал 01- 145300.0, остальные выключены.

Партнеры