LAB599.RU — интернет-магазин средств связи
EN FR DE CN JP
QRZ.RU > Каталог схем и документации > Схемы наших читателей > Радиолюбительские конструкции > Аналог data-кабеля Icom СТ-17 от сотового телефона LG,- DK-20G

Аналог data-кабеля Icom СТ-17 от сотового телефона LG,- DK-20G

Аналог data-кабеля Icom СТ-17 от сотового телефона LG,- DK-20G

UA4CDT,  Юрий.
г. Балашов, Саратовская область.

Адрес Email -
ua4cdt (at) mail.ru
(замените (at) на @)

Владельцам трансиверов фирмы  ICOM известно, что для подключения их к компьютеру через 232 порт, а большинство программ  ориентированы на этот порт, необходимо иметь устройство преобразования уровней RS232 компьютера и CI-V (remote) трансивера ICOM. Фирмой ICOM для этой цели выпускается интерфейс СТ-17, стоимость которого примерно около 100$.

Подобное устройство можно изготовить самостоятельно на базе микросхемы МАХ 232, или с использованием оптронов (N4TX). Схемы подобных устройств неоднократно публиковались.

Я предлагаю практически готовый интерфейс, реализующий те же функции и стоимостью примерно 350 руб.
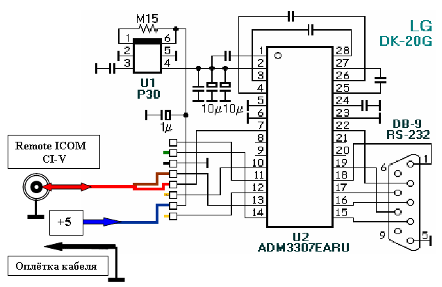
Устройство изготовлено из Data кабеля сотового телефона фирмы LG, DK-20G. Данный кабель предназначен для подключения сотового телефона к компьютеру через RS-232 порт. При его изучении выяснилось, что это практически готовый к работе интерфейс. Полная схема кабеля представлена ниже, далее,- после переделки.  

Кабель для трансивера Icom

Из рисунков видно, что на кабеле необходимо удалить разъём для подключения к телефону, оставив следующие провода:

-коричневый;        (DTMS Rx)
-красный;            (DFMS Tx)
-синий;                (+ 4.2v. May be charged from PC USB +5V power)
-оплётка,

которые необходимо соединить как показано на втором рисунке. В качестве земляного провода используется оплётка кабеля, чёрный провод кабеля не используется. Питание +5 v подаётся на синий провод. Красный и коричневый провода соединяются вместе и подключаются к центральной ножке разъёма Remote Icom CI-V:

Аналог data-кабеля Icom СТ-17 от сотового телефона LG,- DK-20G

Партнеры