Охранная система дальнего радиооповещения
Решение вопроса сохранности имущества
- Программная гибкость системы позволяет устанавливать
её на различных объектах: гараж, квартира, дача, киоск и т. п.
и поддерживать устойчивую связь и контроль над объектом на расстоянии
не менее 5 км. в пересеченной местности.
- Предусмотрена возможность
установки системы и на автомобиль (как дополнение к автосигнализации),
со всеми необходимыми и дополнительными функциями охраны: световая
и звуковая сигнализация, блокировка двигателя и подключение индивидуальных
средств защиты!!!
- Управление системным блоком осуществляется простым
прикосновением к выносному контактному считывателю, электронным
ключом «ТМ» – «таблеткой» iBUTTON DS1990 (записанный код в «таблетке»
составляет 280 триллионов комбинаций, что полностью исключает возможность
подбора ключа).
- Система хранит в памяти коды 13-ти ключей, с возможностью
их стирания и записи (регистрации) новых.
Функции охранной системы.
Система контролирует 3 шлейфа
(рубежа) и оснащается следующими видами датчиков контроля: Количество и тип дополнительных датчиков определяется целесообразностью
и степенью угрозы.
- Шок - сенсор (чувствительный датчик удара и вибрации).
Контроль наружного доступа ( двери, стены, окна, корпус автомобиля
и т. п.)
- Датчик движения – «объемник » (REFLEX и др.). Контроль
внутреннего объема охраняемого объекта.
- Контроль сетевого напряжения
(вторичного) – контроль подзарядки аккумулятора.
Следующие функции выполняются с использованием встроенных ключей
(реле) и программно
- Подключение и программное управление включением
света или подсветкой на объекте, при нарушении 1-ой зоны внутреннего
объема (срабатывание датчика движения).
- Подключение и программное
управление видеокамерой внутреннего наблюдения или циф.фотоаппаратом,
при нарушении 1-ой зоны внутреннего объема (срабатывание датчика
движения).
- Подключение и программное управление сиреной 20вт.
(во всех режимах)
- Подключение и программное управление индивидуальными
средствами защиты!!!, при нарушении 2-ой зоны внутреннего объема
(срабатывание датчика движения).
- Все команды (постановка на охрану, снятие, предупредительные
и тревожные) передаются на приемное устройство (пэйджер), по радиоканалу
(64 бит. манчестерский код), тем самым поддерживается постоянный
контакт с объектом и проверка на наличие устойчивой связи с пэйджером.
- Все выполняемые команды управления в режимах: постановка, снятие
и программирование ключей, дублируются как световой индикацией
(светодиодом) так и звуковым сопровождением (музыкальными фрагментами),
встроенным в систему зуммером.
- Все музыкальные фрагменты издаваемые
системным блоком и пейджером отличны друг от друга, тем самым
будут легко узнаваемы Вами, при управлении системным блоком и при
получении команд и тревожных сообщений на пэйджер.
- Подтверждение
выполненных команд управления на объекте (предупредительные и
аварийные) осуществляются сигналами сирены (20 Вт.).
- Система контролирует
напряжение подзарядки аккумулятора от сети 220в. и о сбоях (проанализировав)
передаст сообщение на пэйджер.
- Функция пэйджера - «Sleeping
wife» позволяет отключать зуммер в утреннее время, на время снятия
системы с охраны.
- Встроены две программные функции тестирования
канала связи и команд системы.
- Режим стирания и регистрации
электронных ключей «ТМ» iBUTTON DS1990.
- Система программно защищена
от ложных срабатываний от помехи по сети и от датчиков контроля
- по шлейфу.
- Во всем цикле работы системного блока, котроллер
постоянно опрашивает считыватель «ТМ» - Ваш «ключ», то есть,
Вы можете прервать отработку программы в любом из режимов охранного
блока и переустановить его.
Технические характеристики:
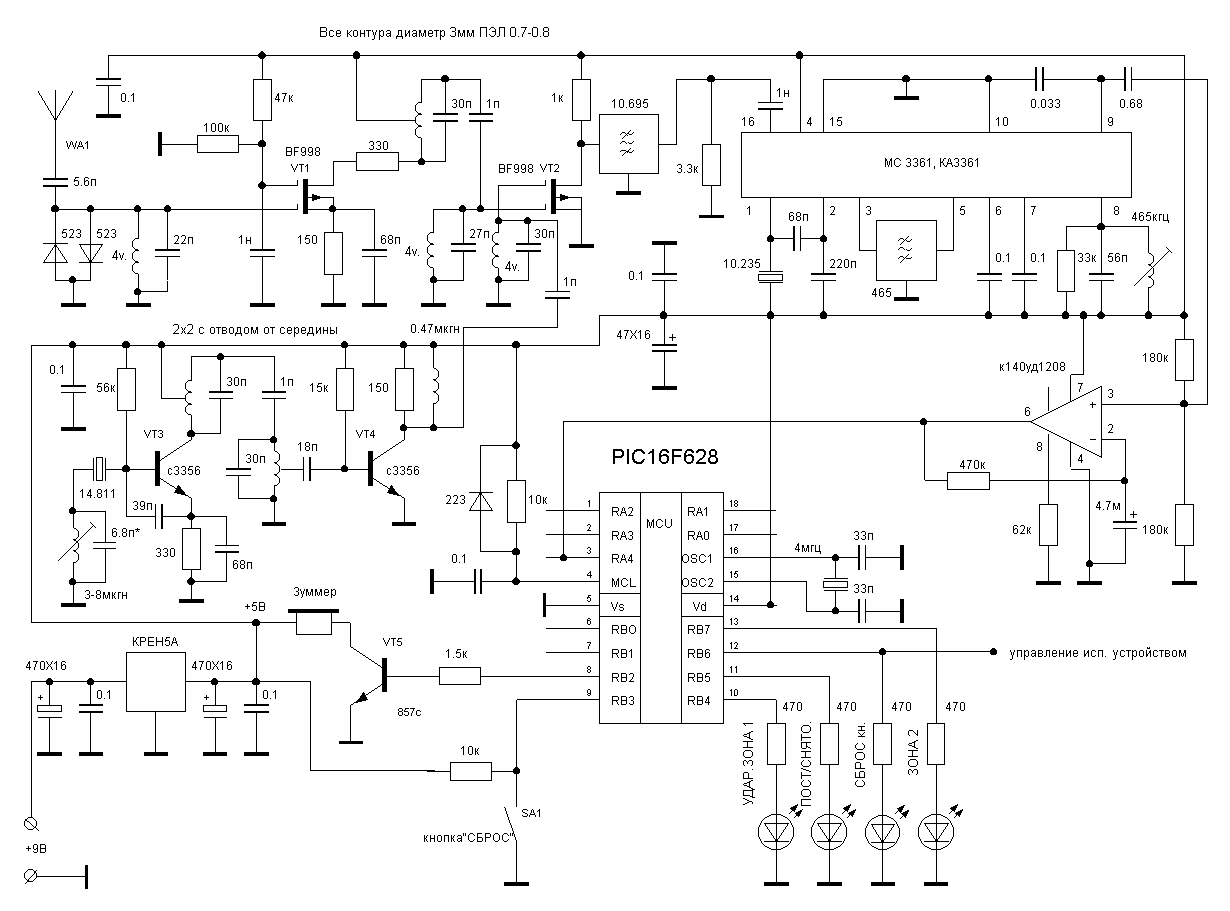
Система собрана на SMD компонентах с применением микроконтроллера
PIC16F628.
Системный блок (передатчик)…………………….…....… стационарный
Напряжение питания………………………......................................12-14В.
Передатчик работает в диапазоне …………………..……...….
28.000-28.200мГц или
144-146 МГц
Необходимо зарегистрироваться в госсвязьнадзоре или
получить позывной !
Вид модуляции ………………………………………….……………...ЧМ
Вид передачи (манчестерский 64бит.)…..………….…….....… цифровой
Выходная мощность при 13.2В. ..……..................................
не менее 1Вт.
Дальность связи не менее ………………………………..…………… 5км.
Управление ключами iBUTTON DS1990……………..………….. до13шт.
Количество команд посылаемых на прм. уст - во….……...…..……..… 6
Время постановки на охрану ( выход ) ……......……….....…….......
90сек.
Время на снятия с охраны (до включения сирены)……...........…… 13сек.
Время на снятия с охраны (до включения инд. ср. защиты)……... .18сек.
Время оповещения 1-ой зоны, (объемный датчик) движение...... до
8сек.
Время оповещения 2-ой зоны, движение свыше 8сек. .……...…… 3мин.
Время опроса напряжения сети (при пропадании) .…..……...…… 1мин.
Время опроса восстановленного напряжения сети ………….....… 30сек.
Время работы сирены (20 Вт.) при нарушении 2-ой зоны…...….... 3мин.
Подзарядное устройство от сети 220в.………………………..…… 14.8В.
Автономное питание (аккумулятор 12в.)……………………..….6МТС-9
ЧМ приемник (супергетеродинный) ….………….…….... стационарный
Чувствительность не хуже……………………….……………..…. 0.1мкВ.
Избирательность не хуже…………………….....................................
60дБ.
Декодирование принятых команд на ……………... светодиоды, зуммер.
Напряжение питания…………………….……………..………………. 5В.
Автономное питание 9в.……………………………………..… «КРОНА»
Антенны: телескопические………………………………...………….57см.
Габариты конструкции:
Приемник (пэйджер) в корпусе………...................................
50х80х30мм.
Системный блок (передатчик) в корпусе……………..…… 75х115х40мм.
Сборка, регулировка и подключение системы.
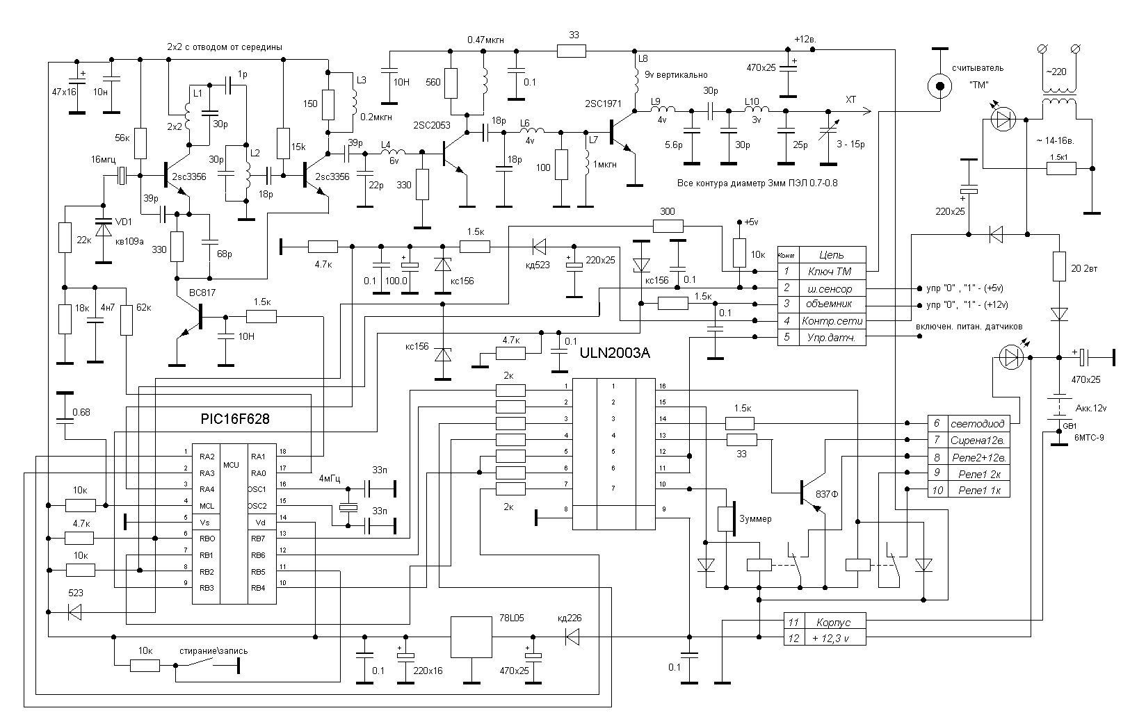
Передатчик
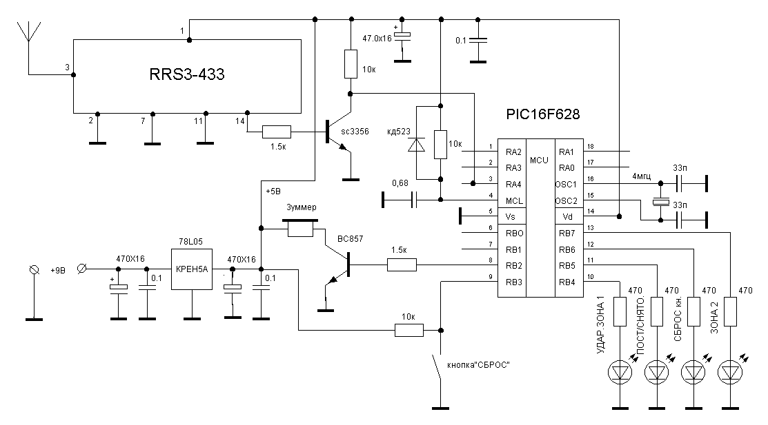
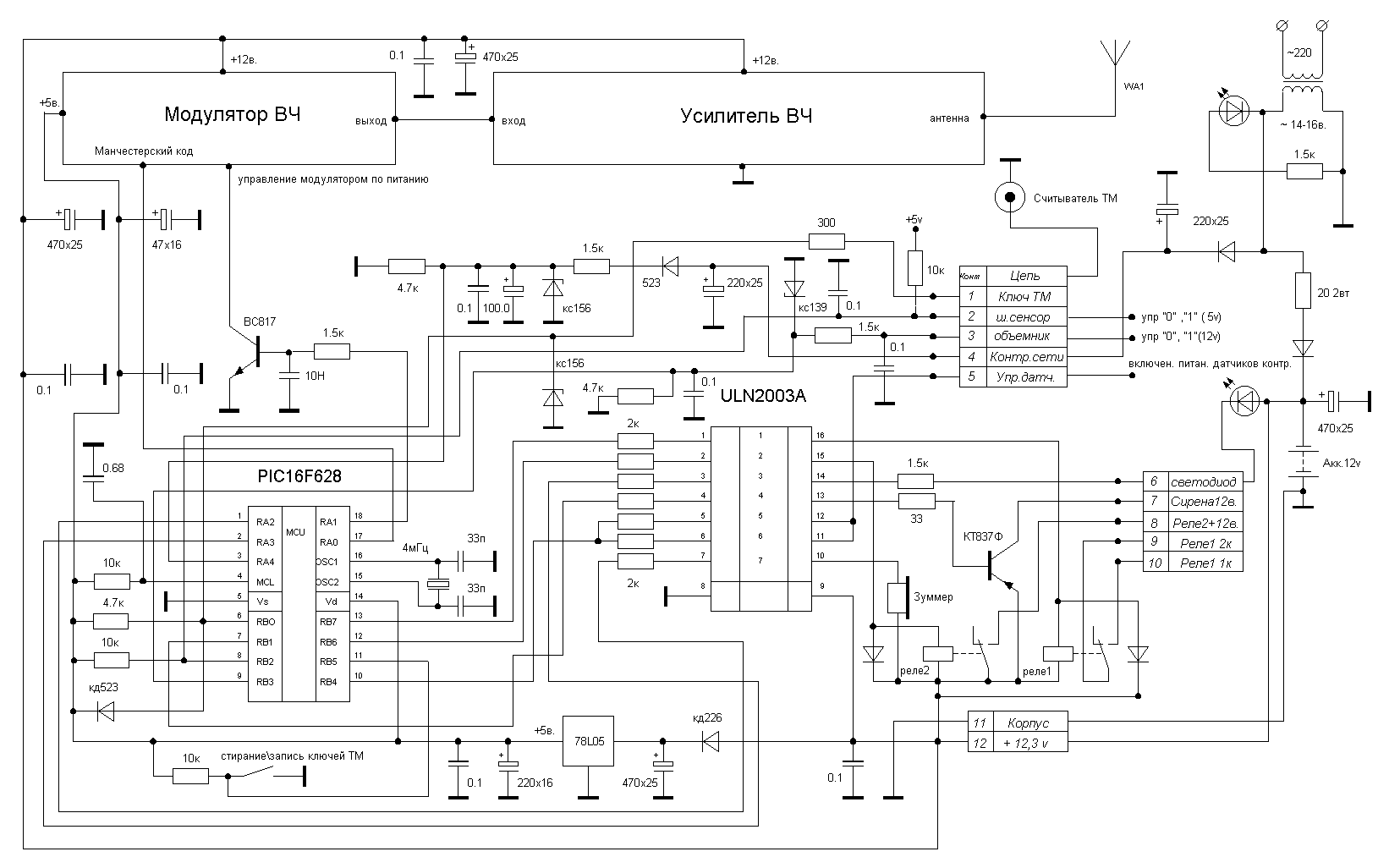
Вы можете выбрать любую из трех схем. Автором предложена схема передатчика
на рис.1 С теми же функциями охраны, но в другом
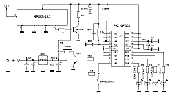
исполнении ВЧ тракта, можно собрать схему охранной системы на модулях:
RRS3-433 и RT6-433 (АМ приемник и передатчик 433.92 мГц) - рис.2 Если
Вы хотите использовать для канала связи, что-то свое, то контроллеры
с их функциями к Вашим услугам! Просто "привяжите" их к своему приемнику
и передатчику. (рис.3)

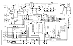
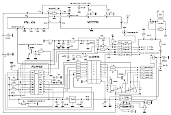
Рис.1 Принципиальная схема передатчика - щелкните
мышью для увеличения |
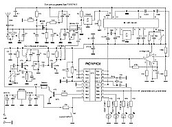
Рис.2 Принципиальная
схема передатчика на микромодулях - щелкните мышью для увеличения |

Рис.3 Принципиальная схема подключения к вашему
передатчику - щелкните мышью для увеличения |
Регулировка передатчика сводиться в основном к настройке
контуров в резонанс нужной частоты и максимальной выходной мощности
оконечного усилителя.
- Отключить выходной каскад (коллектор транзистора
2SC1971).
- Подключить в его в базу ВЧ вольтметр и частотомер.
- Микроконтроллер
ВЫТАЩИТЬ, а в точку управления модулятором (ножка18 МК), подаем
+5в. Т.е. включаем принудительно.
- Резонанс модулятора настраиваем
контурами L1и L2 (раздвигаем катушки по мах. показанию вольтметра
и частотомера).
- Тоже проделать и с L4 и L6 по мах показанию.
- На выход передатчика,
вместо антенны, подключить нагрузку 50 ом.
- Подключить к питанию
выходной транзистор 2SC1971 (обязательно на радиаторе) и по показаниям
вольтметра, взаимодействуя контурами L9 и L10, и переменным конденсатором
на выходе, добейтесь мах. показания вольтметра.
- Теперь, отсоединив
нагрузку, подключите соответствующую этому диапазону – антенну
и применив простой прибор (измеритель напряженности поля) убедитесь
в согласованности выходного каскада с фидером антенны .
- Для
подстройки выходного каскада использовать переменный конденсатор.
- Подключить микроконтроллер в схему и проверить работу передатчика
в целом.
- Незначительные отклонения в мощности подстроить в последовательности
- контурами L1,L2,L4,L6,L9,L10, C пер.
- Зуммер мембранный
или любой маломощный динамик, телефон, наушник.
- Шок – сенсор
любой, от автомобильной сигнализации. Так как он рассчитан на
работу от 5-ти вольт, то в нем надо будет применить - крен 78L05
. Выпаять резистор по шине питания и вместо него встроить стабилизатор.
- Датчик объёма(движения) любой из серии инфракрасных.
- ВНИМАНИЕ:
Если Вы применяете свои виды датчиков: концевые или т. п., то
на 2 н. разъема (ш.сенсор) нарушение шлейфа осуществиться замыканием
контакта на корпус. На ножку 3 (объемн.) подать +12вольт(нормальное
состояние). Его отсутствие(обрыв) вызовет нарушение шлейфа.
- При отладке системы, установить перемычку между ножками на разъеме
4(контроль сети) и +12вольт. Иначе, при постановке система на
охрану, будет выдаваться предупреждения о сбоях сети.
- Настройку
телескопической антенны, длинной 52 см и противовеса (кусок провода),
выполняем по мах. показаниям индикатора напряженности поля, расположенного
на расстоянии не менее2 метров от выходного каскада.
- ВНИМАНИЕ:
Во время пуско-наладочных работ следите за температурой радиатора
(выходного каскада передатчика)! Ибо…
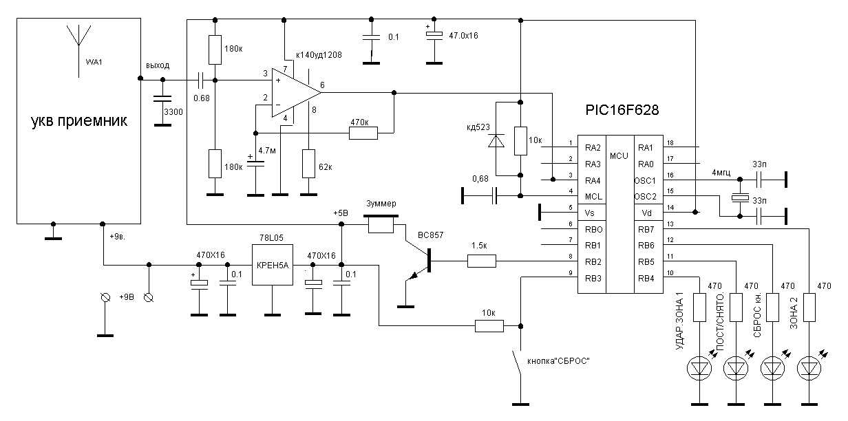
Приемник

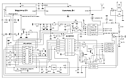
Рис.4 Принципиальная схема приемника - щелкните
мышью для увеличения |
Рис.5 Принципиальная схема приемника на
микромодулях - щелкните мышью для увеличения |

Рис.6 Принципиальная схема подключения
к вашему применику - щелкните мышью для увеличения |
Аналогично передатчику настройка приемника сводится
к настройке контуров на частоту гетеродина и мах. чувствительность
входного сигнала.
- В передатчике выключить выходной транзистор и работая
только мощностью модулятора, включив 2-ой тест передачи пакетов
(см.инструкцию), начинаем выстраивать гетеродин.
- Наблюдая на
осциллографе (ножка 9 – мс3361) за формой входного цифрового
сигнала, подстраивая конденсатор (последовательно кварцу), добиваемся
правильной формы сигнала, а затем контуром ПЧ выстраиваем амплитуду
сигнала по максимальному показанию вольтметра. Правильно выстроенный
сигнал декодируется контроллером, и на выходе зуммера зазвучат
щелчки. С периодичностью 2-3 раза в секунду. Система ожила!!!
- Разнесите передатчик с приемником на расстояние неуверенного
приема (не включая выходной каскад) и контурами приемника L1,L2,L3,L4
настройте на максимальную чувствительность приемника без антенны.
- После настройки чувствительности, подстройте контура гетеродина
(правильная форма сигнала) и ПЧ – максимально по амплитуде, без заметных
срезов и искажений.
- Кнопку «сброс» (без фиксации) желательно применить
со встроенным светодиодом.
- Выберите цвет светодиода под нужный
рубеж, подключите антенну и ….
Расчет частоты
Несущая частота передатчика:
Кварц 16мГц *3*3 = 144мгц + девиация
варикапом КВ109а-в, он вносит 3 до 10 кГц = 144.01мГц Можно впаять
параллельно варикапу переменный конденсатор 3-15пф. и регулировать
в сторону уменьшения. 144.01 – 144.008 – 144.005 – 144.003 , но
не меньше. Считаем частоту гетеродина приемника:
Передатчик = 144, 01, вычитаем ПЧ – 10.695 /3 /3 =
14.8127 У нас кварц 14.811 и теперь подстраивая контур 3-5мкГн, выходим
на требуемую частоту. Если кварц приемника срывается, то установив
в модуляторе передатчика перем. емкость (параллельно варикапу) и
уменьшая частоту, можно взаимосвязано выйти на среднее значение устойчивой
работы гетеродина приемника и модулятора передатчика.
Пъезо-фильтр 465кГц – + - 10кГц.
Контур ПЧ стандартный - 465кГц - 680мкГн
Руководство по эксплуатации
Регистрация ключей
С тыльной стороны блока находиться кнопка (REG), при
нажатии на которую, происходит стирание кодов доступа всех ключей
(ранее зарегистрированных при отладке устройства). Нажатие сопровождается
кратковременным проигрыванием муз фрагмента и вспышкой светодиода.
Через паузу - зажигание светодиода и муз. фрагмент подтвердит о готовности
прибора к регистрации ключей – « Память очищена и готова к записи
ключей ».
- Прикоснитесь (кратковременно) ключом контактного считывателя.
Успешную регистрацию подтвердят, погасание светодиода и муз. фрагмент.
Через некоторое время светодиод вновь зажжется – контроллер готов к регистрации
следующего.
Всего их может быть 13.
Помните, что 14-ой сотрет данные о первом, 15-ый о втором и так по кругу. Через
20 сек. После последней регистрации система автоматически выйдет в режим «СНЯТО»
- проиграв муз. фрагмент.
При утере одного из зарегистрированных ключей, его занесенный код в памяти
надо уничтожить и естественно прописать новый ключ. Для этого надо повторить
процедуру стирания и записи.
Любая попытка подобрать ключ не изменит режима работы, но вызовет включение
сирены на 2 сек. «ТРЕВОГА».
Постановка на охрану
Коснувшись зарегистрированным ключом считывателя,
микроконтроллер системы выполнит:
- мигнуть светодиодом
- проиграть муз. фрагмент
- передать код команды на пэйджер - «ПОСТАВЛЕНО»
- включить питание датчиков контроля
- опросить напряжение подзарядки аккумулятора (если норма - идем дальше, если
нет - смотреть «СБОЙ СЕТИ»)
- подтвердить, о выполненной команде «ПОСТАВЛЕНО» – однократным, кратковременным
звуковым сигналом сирены.
- мигать светодиодом 90 сек. (через 90сек. система войдет в режим охраны и
начнет опрос датчиков).
- Подтверждение взятия под охрану (91-ая секунда.) – кратковременный, однократный
звуковой сигнал сирены. (O'key).
- погасить светодиод.
Микроконтроллер приемного устройства (пэйджера) приняв код команды «ПОСТАВЛЕНО»
выполнит:
- Кратковременно проиграть муз. фрагмент
- Медленно мигать желтым светодиодом - «ПОСТАВЛЕНО»
Снятие с охраны
- Коснувшись зарегистрированным ключом считывателя,
микроконтроллер системы выполнит:
- проиграть муз. фрагмент
- 3 раза мигнуть светодиодом
- выключить питание датчиков контроля.
- передать код команды на пэйджер - «СНЯТО»
- подтвердить о выполненной команде «СНЯТО» – двукратным, кратковременным звуковым
сигналом сирены.
Микроконтроллер пэйджера, приняв код команды «СНЯТО» выполнит:
- Кратковременно проиграть муз. фрагмент
- желтый светодиод горит (не мигая) - «СНЯТО»
Внимание: Во время снятия системы с охраны (при входе на объект) и попав в
зону контроля «объемного» датчика, блок начинает передавать команду тревоги
на пэйджер - о нарушении зоны 1.
На это время считывание ключа не производится.
Просто удержите ключ в считывателе, некоторое время ~ 1-3 сек.
Передав пакет команды о нарушении зоны, система вновь опросит считыватель на
наличие ключа и снимет её с охраны.
Срабатывание датчика удара и вибрации
Каждый раз после срабатывания датчика удара - микроконтроллер
системы передаст:
- код команды на пэйджер в течение 1,5сек. и троекратно предупредит нарушителя
кратковременным звуковым сигналом сирены.
Пэйджер, каждый раз получив такую команду, будет однократно кратковременно
проигрывать муз. фрагмент и начнет медленно мигать зеленым светодиодом, пока
не будет нажата кнопка «СБРОС» или не прийдет команда с объекта, о снятии системы
с охраны.
Внутри кнопки «СБРОС» одновременно загорится светодиод (ночной указатель кнопки
«Сброс») и будет гореть, пока Вы не сбросите полученную тревожную команду,
нажатием на кнопку или командой "СНЯТО" с системного блока.
Срабатывание датчика движения (первый режим)
При кратковременном нарушении внутреннего объема охраняемого
объекта на время не более 8 сек. и срабатывании датчика движения,
система передаст команду на пэйджер о кратковременном нарушении первой
зоны и одновременно включит ключ (реле) дополнительных периферийных
устройств (внутреннее освещение, подсветку или видеокамеру), на время
нарушения этого шлейфа.
Пэйджер, получив команду, включит (зациклит) постоянное проигрывание муз. фрагмента
и начнет быстро мигать зеленым светодиодом, иначе говоря, сработает режим -
«защелка», пока не будет нажата кнопка «СБРОС» или не снято командой с объекта.
Срабатывание датчика движения (второй режим)
При нарушении внутреннего объема и движению по объекту
на время более 8 сек., система автоматически перейдет в режим работы
полной отработки программы - нарушении второй зоны. То есть:
- однократно выдаст сигнал сиреной (предупреждение на полную отработку программы)
- передаст в эфир команду на пэйджер, о «КОНКРЕТНОМ НАРУШЕНИИ».
- через 5 сек. включит сирену на 3 мин.
- выключит ранее включенное внутреннее освещение, подсветку или видеокамеру
- еще через 5 сек. выдаст команду на включение индивидуальных средств защиты!
- затем, повторит передачу команды на пэйджер о «КОНКРЕТНОМ НАРУШЕНИИ» (подтверждение).
- и на всём протяжении работы сирены (3мин.), каждые 30 сек., система будет
кратковременно подтверждать посылкой команды на пэйджер - «КОНКРЕТНОЕ НАРУШЕНИЕ».
Отработав 3 минуты, система закончит работу - отключив всю периферию.
Пэйджер, получив команду о «КОНКРЕТНОМ НАРУШЕНИИ», включит (зациклит) постоянное
проигрывание муз. фрагмента и начнет быстро мигать красным светодиодом - сработает
режим «защелка», пока не будет нажата кнопка «СБРОС» или не снято командой
с объекта.
- При установке контактного считывателя «ТМ» у входной двери, на снятие системы
с охраны требуется около 2сек.
- Время на вход и снятие системы с охраны до включения сирены 8сек. (1зона)
+ 5сек. (2зона) =13сек.
- Время на вход и снятие системы с охраны до включения инд. средств защиты!
8сек. (1зона) + 5сек. (2зона) + 5сек. (сирена) =18сек.
«СБОЙ СЕТИ »
Микроконтроллер контролирует напряжение подзарядки
аккумулятора только в режиме поставленной на охрану системы и передает
команды (предупреждений) на пэйджер - о сбоях сетевого напряжения.
В нормальном состоянии работы системы, сеть 220в нужна для автоматической подзарядки
аккумулятора и в случае её сбоя или пропадания - контроллер анализирует это
состоянии 1 мин. и затем система передаст команду на пэйджер о нарушении сети
– «СБОЙ ПО СЕТИ».
При постановке на охрану, если на данный момент отсутствует «подзарядка», то
система сразу выдаст Вам, как напоминание, 5 коротких сигналов сиреной и передаст
на пэйджер команду с кодом «СБОЙ ПО СЕТИ».
Команда полученная пейджером о сбое по сети, будет запомнена микроконтроллером,
что будет определяться по желтому светодиоду(пост\снят). К его нормальному
миганию в режиме «ПОСТАВЛЕНО» будет приплюсовываться три коротких мигания светодиодом.
Аналогично будет измен и музыкальный фрагмент (к нормальному звучанию по команде
«ПОСТАВЛЕНО» приплюсуется три коротких сигнала зуммером) - напоминание о сбое
по сети.
С восстановлением сети, системный блок проанализирует это состояние 30 сек.
и передаст команду на пэйджер «НОРМА».
Пэйджер получив такую команду выполнит:
кратковременный звуковой фрагмент «ПОСТАВЛЕНО» - «НОРМА» и возобновит нормальное
мигание желтого светодиода - «НОРМА»
Режим « SLEEPING WIFE» («Спящая жена»)
Если рано утром, уходя из дома, Вы не хотите будить
своих близких, громкими сигналами пэйджера при снятии системы с охраны
и сработке при входе на объект, датчиков: удара, «объемника» и команды
«СНЯТО», которые получит пэйджер - надо отключить зуммер, т. е. включить
режим « SLEEPING WIFE». Проделайте следующее:
Включить режим « SLEEPING WIFE» - Нажмите на кнопку «СБРОС» и удерживайте её
~ 2 сек., до второго кратковременного проигрывания муз. фрагмента.
В кнопке «СБРОС» загорится светодиод – зуммер отключен.
Выключить режим « SLEEPING WIFE» - Следующее кратковременное нажатие на «СБРОС»
восстановит работу зуммера и пэйджер войдет в нормальный режим работы со звуковыми
оповещениями.
Светодиод в кнопке «СБРОС» должен погаснуть.
При установленном режиме « SLEEPING WIFE», все команды получаемые пэйджером
при снятии системы с охраны, будут выполняться только световой индикацией (светодиодами),
но без звукового сопровождения (зуммер отключен).
При следующей постановке системы на охрану «ПОСТАВЛЕНО», пэйджер получив команду,
автоматически выйдет из режима « SLEEPING WIFE» и в нем вновь подключится зуммер,
для звукового оповещения всех принимаемых команд и тревожных сообщений.
Тестирование канала связи
Для проверки наличия устойчивой связи и поиска оптимального
расположения системы при установке на объекте, предусмотрена программная
функция «ТЕСТ-КОНТРОЛЬ КАНАЛА СВЯЗИ».
В режиме «СНЯТО», нажать кнопку "REG" (см. «Регистрация ключей») и удерживать
её до момента завершения проигрывания двух (подряд) муз. фрагментов. После
чего, система начнет передавать пятисекундные "пакеты" сигналов на пэйджер.
По стабильной периодичности повторения щелчков пэйджером, можно судить об устойчивом
прохождении сигналов, т.е. связи.
Нажав ту же кнопку в системном блоке, и удерживая её до проигрывания муз. фрагмента,
можно выйти из теста контроля связи.
Тестирование пэйджера на получение команд, выдаваемых системным
блоком
Нажав кнопку "REG"(см.«Регистрация ключей») и удерживать
её до момента завершения проигрывания трех (подряд) муз. фрагментов.
После чего, каждые 5 сек. система поочередно выдаст в эфир все команды оповещения
на пэйджер. По завершению тестирования система автоматически выйдет в режим
«СНЯТО».
Печатные платы в формате PCB (сжаты ZIP)

Рис. 7. Плата передатчика |

Рис. 8. Плата приемника |
Файлы прошивок
Полноценные прошивки с полным набором коммерческих функций вы можете
заказать у автора
Фотографии внешнего и внутреннего вида
Будут вопросы, пожелания, предложения - пишите.
Желающим приобрести готовое изделие или конструктор, с
набором деталей - пожалуйста
ознакомьтесь с пpaйcом. - vapes
(at) narod.ru
|