LAB599.RU — интернет-магазин средств связи
EN FR DE CN JP

Светодиодный фонарь промышленного изготовления

Светодиодный фонарь промышленного изготовления

Владимир
E-mail: wlzl (at) sura.ru

Home page: http://vlads-gallery.narod.ru/

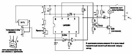
Принципиальная схема светодиодного фонаря промышленного изготовления

 

 

(Щелкните мышью для увеличения)

 

Партнеры