Что-то не так?
Пожалуйста, отключите Adblock.
Портал QRZ.RU существует только за счет рекламы, поэтому мы были бы Вам благодарны если Вы внесете сайт в список исключений. Мы стараемся размещать только релевантную рекламу, которая будет интересна не только рекламодателям, но и нашим читателям. Отключив Adblock, вы поможете не только нам, но и себе. Спасибо.
Как добавить наш сайт в исключения AdBlockРеклама
Автомат ";световой день";
Автомат "световой день"
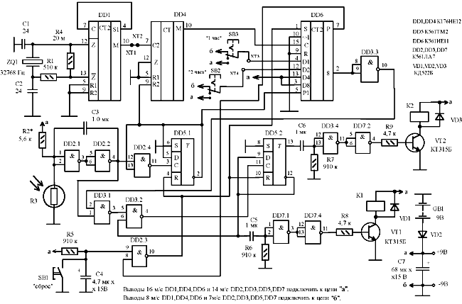
В подсобном хозяйстве значительную роль играют приусадебные теплицы. Но зеленый огурчик или цветы к празднику требуют большого труда и умения. Одним из основных параметров для выращивания зимней зелени является освещение. Так, например, для огурца световой день должен составлять 16 часов, а для помидоров - 18 часов [1]. В некоторых теплицах практикуется круглосуточное освещение. Однако для нормального физиологического развития растений требуется несколько часов полной темноты. Существующие автоматы для теплиц [2] позволяют программировать включение и выключение досвечивания в фиксированное время. Например, с 18.00 по 22.00. Однако, как известно, максимальное изменение светового дня происходит в дни близкие к равноденствию (осеннему или весеннему). Это происходит из-за того, что при прохождении солнцем небесного экватора оно имеет максимальную угловую скорость. И наоборот. Минимальное изменение светового дня происходит в дни близкие к солнцестоянию. Само название говорит об остановившемся солнце. Солнце находится в высшей (низшей) точке своей орбиты (эклиптики) и имеет минимальное угловое перемещение. Это небольшое отступление в курс школьной астрономии позволяет лучше понять, почему осенью день уменьшается, а весной - увеличивается. Поэтому основным недостатком существующих автоматов для теплиц является фиксированное время включения и выключения освещения досвечивания. Предлагаемый автомат "световой день" включает освещение при наступлении сумерек и выключает при истечении запрограммированного времени светового дня. Время светового дня задаётся от 12 часов до 15 часов через один час при помощи двух переключателей. К достоинствам предлагаемого автомата можно отнести и то, что установка фоторезистора не критична к попаданию прямого света от освещения теплицы. Устранена и неопределённость переходного процесса момента включения счётчика. Имеется возможность включения (выключения) освещения в ручном режиме. Данный автомат может найти применение при включении освещения для аквариума и в других случаях, где необходимо продление светового дня, например, в птичнике или в животноводческом помещении. Принципиальная схема автомата дана на рис.1 Автомат состоит из задающего генератора и делителя импульсов на микросхеме DD1. Делителя на 60 DD4 и реверсивного счетчика с предварительной установкой DD6; формирователя импульсов на элементах DD2.1, DD2.2; блока управления на микросхемах DD5, DD2.3, DD2.4, DD3.1, DD3.2, DD3.3. Двух формирователей импульсов большой длительности, состоящих из дифференцирующих цепочек C6, R7 и C5, R6; и инверторов на элементах DD3.4, DD7.2 и DD7.1, DD7.4. Ключей на транзисторах VT1, VT2 и реле К1, К2. Работа автомата основана на программировании времени светового дня путем установки кода на реверсивный счетчик DD6 с последующим вычитанием с дискретностью один час. Запуск счетчиков происходит утром, после освещения фоторезистора. После включения напряжения питания на выводе 9 элемента DD2.3 будет логический ноль, а на выводе 10 - логическая единица. Уровень логической единицы с вывода 10 обнуляет триггер DD5, и производит предварительную установку счетчика DD6. Кварцевый генератор и делитель на микросхеме DD1, построенные по типовой схеме включения, начинают работать сразу после подачи напряжения. С вывода 10 DD1 импульсы с периодом 1 минута поступают на вход 7 делителя на 60 DD4. Тем не менее, счетчик не считает, поскольку на вход обнуления (вывод 9 DD4) и на вход переноса (вывод 5 DD6) подается запрещающий уровень логической единицы с вывода 2 триггера DD5.1. В темное время суток фоторезистор R3 имеет большое сопротивление по отношению к резистору R2, поэтому на выводах 1, 2 микросхемы DD2.1 присутствует уровень логической единицы, а на счетных входах 3,11 триггера DD5 - уровень логического ноля. Утром, когда освещение увеличивается, сопротивление фоторезистора R3 уменьшается и напряжение на выводах 1,2 DD2.1 начинает приближаться к уровню логического ноля. Момент неопределенности между уровнем единицы и ноля сглаживается конденсатором большой ёмкости C3, который медленно перезаряжается. Уровень ноля с вывода 4 DD2.2 поступает на входы 12 элемента DD2.4 и 1 элемента DD3.1. Но если элемент DD2.4 открыт единицей с вывода 2 DD5.1, то элемент DD3.1 наоборот, закрыт нулем с вывода 10 инвертора DD3.3 (предустановка четвертого разряда счётчика DD6 в единицу). Таким образом, триггер DD5.1 опрокидывается, разрешая прохождение счётных импульсов через счётчики DD4, DD6 и запрещая прохождение импульсов через элемент DD2.4. Дальнейшее изменение освещенности фотодатчика не влияет на работу автомата до тех пор, пока количество вычитаемых импульсов из счётчика DD6 не достигнет изменения уровня в его четвёртом разряде. Это произойдёт не ранее, чем через пять часов, а то и больше (до 8 часов), в зависимости от поданных уровней в точки ХТ3, ХТ4. Этим достигается хорошая защита канала включения (выключения) освещения в дневное время. Вечером, когда естественное освещение уменьшается, сопротивление фоторезистора R3 увеличивается, и на выводе 3 элемента DD3.1 появится уровень логического ноля. На счётном входе 11 триггера DD5.2 появится единица, триггер опрокинется и закроет элемент DD3.2 для прохождения импульсов. Поэтому дальнейшее изменение освещения фотодатчика не влияет на работу автомата до тех пор, пока не закончится установленное время. После опрокидывания триггера на выводе 13 DD5.2 появится уровень логической единицы, который поступает на формирователь импульсов большой длительности, состоящий из дифференцирующей цепочки на C6, R7 и двух инверторов на элементах DD3.4, DD7.2. С выхода формирователя импульс длительностью 0,5 секунды открывает ключ на транзисторе VT2. Кратковременно срабатывает реле пуска К2 (Рис.4), замыкая контакты 2,3 К1.1 и подавая питание на пускатель К3. Пускатель самоблокируется контактом К3.1 и замыкает контакты К3.2 - К3.4. В зависимости от положения выключателей SA1-SA3 включается та или иная линия освещения EL1-EL3. После того, как установленное количество импульсов на счетчике DD6 будет вычтено, на выходе переноса P (вывод 7) установится логический ноль. На установочный вход S (1) счетчика DD6 и входы обнуления R (4,10) триггеров DD5, через инвертор DD2.3 будет подана единица. Произойдёт предустановка счётчика и обнуление триггеров. Дифференцирующей цепочкой C5, R6 и инверторами DD7.1, DD7.4 сформируется стоповый импульс, сработает реле К1 и разомкнет контакты 1,2 К1.1. Пускатель К3 обесточится, разомкнутся контакты К3.1 - К3.4 и освещение погаснет. Это произойдет ночью, а утром цикл работы автомата повторится снова. Временная диаграмма работы автомата в ключевых точках дана на рис.5. Здесь момент времени t1 - момент включения автомата утром, t2 - момент включения освещения вечером, t3 - момент окончания счёта и выключения автомата ночью. При проведении работ в теплице иногда возникает необходимость продлить освещение, что легко сделать кнопками "пуск" SB4 и "стоп" SB5. Но в этом случае не забудьте после выключения освещения кратковременно нажать кнопку "сброс" SB1 для установки автомата в исходное состояние. С этой же целью, после монтажа автомата, в темное время суток или рано утром, также необходимо нажать кнопку "сброс" SB1. При слабом освещении днём свет можно включить в ручном режиме, но перед уходом из теплицы, если еще достаточно светло, свет нужно выключить. В противном случае необходимо кратковременно притенить фоторезистор для срабатывания автоматического выключения света. В качестве резервного питания используется батарея типа "крона", подключенная через диод VD2. При потребляемом токе в режиме счёта около 0,5 миллиампер (в режиме срабатывания реле - 20 мА) резервной батареи хватает на весь сезон. Фоторезистор лучше расположить в темном углу теплицы, заботясь о том, чтобы на него не попадал свет от луны и автомобильных фар в ночное время суток. Его также желательно прикрыть редкой сеткой от насекомых и мух. Налаживание устройства начинают с проверки работоспособности генератора и делителей на микросхеме DD1. Это можно сделать даже тестером, проверив наличие секундных импульсов на выводе 4 и минутных импульсов на выводе 10 микросхемы DD1. Далее наблюдается сигнал на выводе 4 DD2.2, притеняется фоторезистор R3 и устанавливается сопротивление резистора R2 так, чтобы на выводе 4 установился уровень логической единицы. Сопротивление резистора R2 зависит от уровня выбранной освещенности, при которой должен срабатывать автомат, и от сопротивления освещенного применённого фоторезистора. Разомкните перемычку ХТ1-ХТ2 и контакт ХТ2 соедините с выводом 4 DD1. Если у вас есть частотомер со старт-стопным входом, подключите его к выводу 9 DD4, а счётный вход к контакту ХТ2. Включите настольную лампу и закройте фотодатчик. После окончания счета на частотомере должно высветиться число равное, выставленному на установочных входах счётчика DD6 выраженному в минутах. Если у вас нет старт-стопного входа, подключите счётный вход частотомера к выводу 10 DD4, но тогда полученное число будет выражено в часах. Если нет частотомера, то в момент включения настольной лампы засеките время с точностью до минуты и количество минутных импульсов, поданных на счетчик DD6, должно равняться числу, выставленному в двоичном коде на установочных входах. Для надежного определения момента остановки счетчика (на глаз) к контактам реле К1 через резистор 1кОм подключите красный светодиод. После окончания проверки работоспособности устройства не забудьте восстановить перемычку ХТ1-ХТ2. К контактам ХТ3, ХТ4 подключаются переключатели SB3, SB4 с фиксацией типа П2К так, чтобы при нажатом переключателе на контакты подавался высокий уровень, при отжатом - низкий. Этими переключателями устанавливается дополнительное время с дискретностью один час. Предварительная установка счётчика DD6 производится на 12 часов. При нажатой кнопке SB3, к предварительной установке добавляется 1 час, а при нажатой кнопке SB4 - 2 часа. Таким образом, максимальное время светового дня составляет 15 часов. Если установка времени кнопками SB2, SB3 производилась днём, то новое значение "светового дня" будет только на следующий день. Необходимо помнить, что при работе счётчика 561ИЕ11 в реверсивном режиме импульс переноса на выводе 7 появляется в момент перехода состояния счётчика через ноль. Все резисторы в устройстве МЛТ-0,125, диоды КД522Б могут быть заменены на любые импульсные или выпрямительные. Конденсаторы С3, С5, С6 типа КМ6 можно заменить на электролитические конденсаторы, расположив плюсом к выводам триггера DD5.2 и к фоторезистору. Конденсатор С4 типа К53-1 можно заменить на любой электролит. Транзисторы КТ315Б могут быть заменены на любые кремниевые низкочастотные с подходящим напряжением эмиттер-коллектор и мощностью. Счётчик DD6 К561ИЕ11 может быть заменен на К561ИЕ14, но вывод 9 должен быть подключён к высокому уровню для счёта в двоичном режиме. Микросхемы DD2, DD3, DD7 К561ЛА7 и DD5 К561ТМ2 можно заменить аналогичными серии176. Реле К1, К2 типа РЭС49 паспорт РС4.569.426 не предназначены для коммутации переменного напряжения и тока и выбраны автором из имеющихся в наличии. Многолетняя эксплуатация этих реле в аналогичных режимах показала их устойчивую работу. Если имеется возможность, лучшей заменой будет реле типа РЭС32 паспорт РФ4.500.341. Можно заменить на реле типа РЭС15 паспорт РС4.591.003. Фоторезистор R3 использован автором из оптопары ОЭП14 с удалением лампочки и заливкой эпоксидкой светочувствительного слоя для уменьшения атмосферного влияния. Оптопара ОЭП14 содержит два фоторезистора (выводы 2,6 и 3,5) их лучше соединить параллельно. Можно использовать любой фоторезистор с подстройкой (как было сказано выше) сопротивления резистора R2. Кварц ZQ1 типа РК71 можно заменить на любой взятый с неисправных кварцевых часов, а если его частота в два раза ниже, то вместо вывода 4 DD1 необходимо взять вывод 6. На рис.2 дана печатная плата автомата со стороны печатных проводников. Красным выделены проводники, расположенные со стороны установки элементов. Реле крепятся к плате двумя медными проводами через поролон, а кварц устанавливается через резиновую прокладку. На рис.3 дана схема расположения элементов и подключения выводов. Плату лучше установить в экранирующем корпусе. Соединительный провод к фоторезистору длиной 1 метр необходимо экранировать. Литература.
|
