Что-то не так?
Пожалуйста, отключите Adblock.
Портал QRZ.RU существует только за счет рекламы, поэтому мы были бы Вам благодарны если Вы внесете сайт в список исключений. Мы стараемся размещать только релевантную рекламу, которая будет интересна не только рекламодателям, но и нашим читателям. Отключив Adblock, вы поможете не только нам, но и себе. Спасибо.
Как добавить наш сайт в исключения AdBlockРеклама
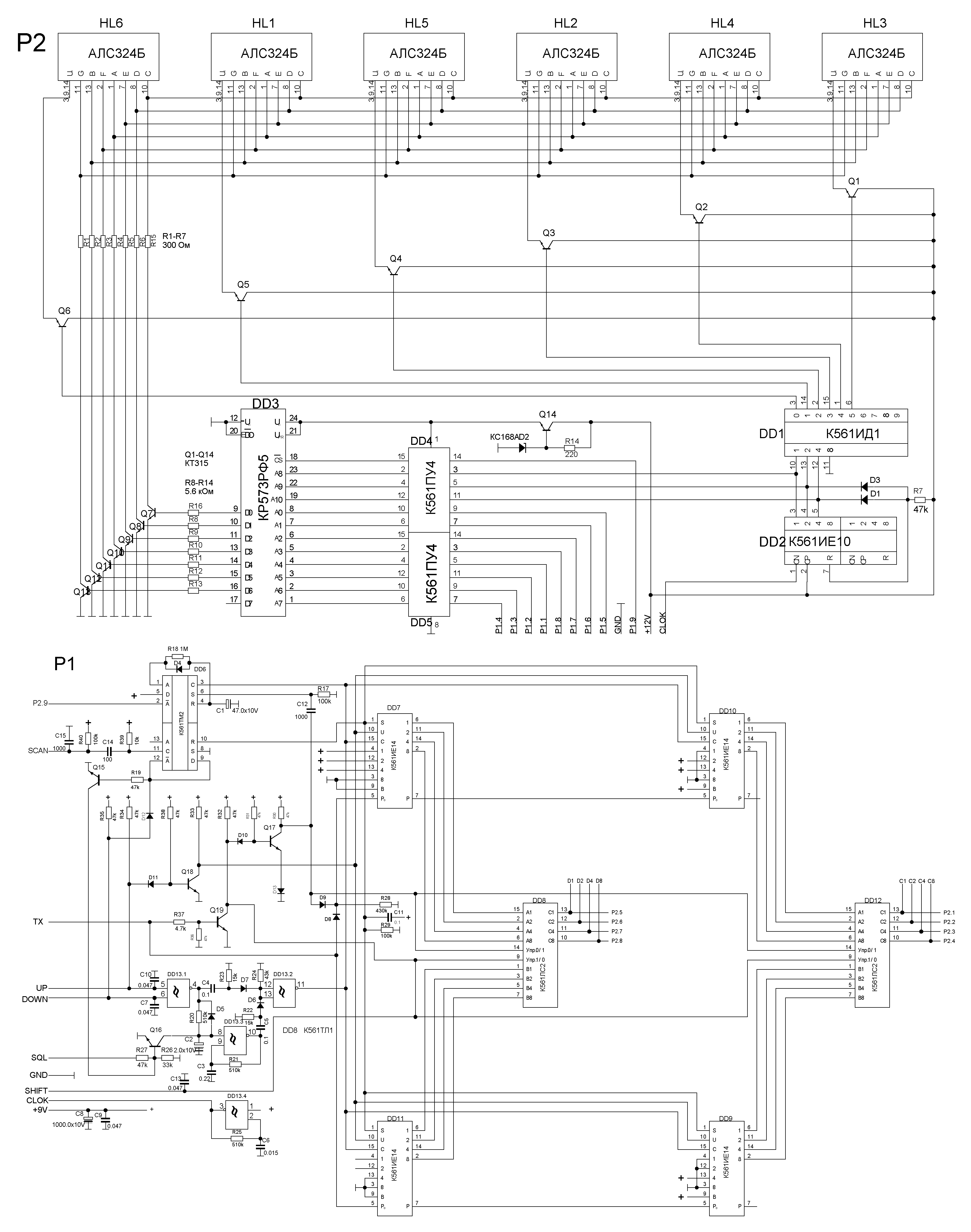
Цифровая шкала для р/ст ";Маяк";
Цифровая шкала для р/ст "Маяк"
Хочу поделиться своей разработкой с желающими усовершенствовать радиостанцию
УКВ "Маяк". Предлагаю цифровую шкалу диапазона 144-146 мГц с
динамической индикацией частоты, оснащённую автоматическим сканером и
гашением индикаторов в дежурном режиме через 15-20 сек. Схема собрана
Скачать bin-файл прошивки ППЗУ 573РФ5. (2 кб) Будем надеяться, что по наладке цифровой шкалы у радиолюбителей (опытных
и не очень) не возникнет вопросов. Но если возникнет такая необходимость,
вы можете на меня расчитывать! |
