Что-то не так?
Пожалуйста, отключите Adblock.
Портал QRZ.RU существует только за счет рекламы, поэтому мы были бы Вам благодарны если Вы внесете сайт в список исключений. Мы стараемся размещать только релевантную рекламу, которая будет интересна не только рекламодателям, но и нашим читателям. Отключив Adblock, вы поможете не только нам, но и себе. Спасибо.
Как добавить наш сайт в исключения AdBlockРеклама
Простой звуковой модем для работы цифровыми видами связи
Простой звуковой модем для работы цифровыми видами связи
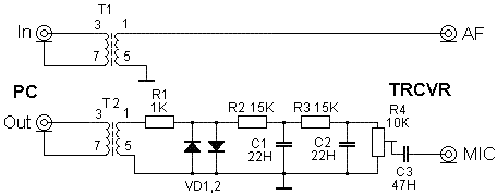
При работе в цифровых видах связи, желательно гальванически "развязать" компьютер и трансивер. В статье UA1ZH было упомянуто, что в качестве трансформаторов, можно использовать обмотки реле. Перебрав несколько типов, остановился на РПС34Б. Сопротивление обмоток - 980 Ом. Для более качественного сигнала, применен простейший пассивный фильтр, с частотой среза около 3-х кГц и диодный ограничитель на диодах. Схема показана на Рис 1.
Рис. 1 Простой звуковой модем В реле, не используемые выводы контактов можно удалить, что упрощает монтаж. Остальные детали не критичны. Диоды VD1,2 - любые импульсные. Разъемы - типа "тюльпан".
На фотографиях показано "переделанное" реле и собственно модем. Монтаж выполнен на плате из одностороннего стеклотекстолита, толщиной 1мм. Результат применения данного модема, показан на фотографиях. Программа MixW2, трансивер FT-840. Управление RX/TX - САТ интерфейс.
До применения модема
С использованием модема RZ4HX Николай Шадрин
|


