Что-то не так?
Пожалуйста, отключите Adblock.
Портал QRZ.RU существует только за счет рекламы, поэтому мы были бы Вам благодарны если Вы внесете сайт в список исключений. Мы стараемся размещать только релевантную рекламу, которая будет интересна не только рекламодателям, но и нашим читателям. Отключив Adblock, вы поможете не только нам, но и себе. Спасибо.
Как добавить наш сайт в исключения AdBlockРеклама
Милливольтметр - Q-метр
Милливольтметр - Q-метр
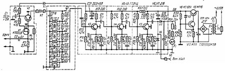
Прибор, описание которого предлагается вниманию читателей, предназначен для измерения добротности катушек, их индуктивности, емкости конденсаторов, а также высокочастотного напряжения. При измерении добротности на колебательный контур подается напряжение 1 мВ ( вместо 50 мВ в Е9-4), поэтому от внешнего генератора ВЧ требуется напряжение всего 100 мВ, т.е. можно воспользоваться практически любым маломощным транзисторным генератором сигналов с диапазоном рабочих мест не менее 0,24...24 МГц. Диапазон измеряемых значений добротности - 5...1000 с погрешностью 1%, емкости - от 1 до 400 пФ с погрешностью 1% и 0,2 пФ при измерении емкости 1...6 пФ. Индуктивность определяется на фиксированных частотах в пяти поддиапазонах согласно таблице.
Встроенным милливольтметром ( схема заимствована из (1)) можно измерять переменное напряжение в шести поддиапазонах 3, 10, 30, 100, 300, 1000 мВ в полосе частот от 100 кГц до 35МГц. Входное сопротивление - 3 МОм, входная емкость 5 пФ. Погрешность измерений не превышает 5%. Прибор имеет небольшие габариты - 270х150х140 мм, несложен по конструкции и легок в налаживании. Питается он от сети переменного тока напряжением 220 В через встроенный стабилизированный источник питания.
Принципиальная схема милливольтметра с выносным пробником и источником питания показана на рисунке в тексте, а измерительного блока Q-метра на 3-й странице обложки. Гнезда Х5-Х8 измерительного блока смонтированы на пластине из фторопласта ( другие материалы непригодны) и расположены по углам квадрата со стороной 25 мм. Конденсатор С27 - подстроечный, с воздушным диэлектриком, С23 - обязательно слюдяной с малыми потерями ( например, КСО ). Конденсатор С24 - любой керамический, но обязательно с минимальной собственной индуктивностью. Для этого собственные выводы конденсатора отпаивают, к одной обкладке припаивают медную пластину размерами 20х20х1 мм, которую затем винтом крепят к корпусу переменного конденсатора С25 как можно ближе к гнездам Х5-Х8. Ко второй обкладке конденсатора С24 припаивают один конец ленты из медной фольги, второй конец которой припаивают к гнезду Х5, как показано на вкладке. Гнезда и другие медные детали измерительного блока желательно посеребрить. Милливольтметр состоит из выносного пробника, аттенюатора, трехкаскадного широкополосного усилителя, детектора с удвоением напряжения и микроамперметра. Пробник собран по схеме повторителя напряжения на транзисторах V1, V2. Он соединен с прибором экранированным кабелем с дополнительным проводником, по которому поступает напряжение питания. Широкополосный аттенюатор смонтирован на плате керамического переключателя на 11 положений. Между группами деталей аттенюатора относящимися к одному поддиапазону, установлены экранирующие пластины из листовой меди толщиной 0,5 мм, а весь аттенюатор заключен в латунный экран диаметром 50 мм и длиной 45 мм. Все три каскада широкополосного усилителя собраны по схеме с общим эмиттером и имеют коэффициент передачи 10. Усиленный сигнал поступает на амплитудный детектор и далее, через подстроечный резистор R31 ( калибровка ), на измерительный прибор P1. Блок питания прибора особенностей не имеет. Сетевое напряжение понижается трансформатором T1, выпрямляется и поступает на стабилизатор на транзисторах V9, V10. Конструктивно прибор собран в дюралюминиевом корпусе. Выносной пробник смонтирован на слюдяной пластине методом навесного монтажа и заключен в алюминиевый корпус - экран диаметром 18 и длиной 80 мм. При повторении прибора следует строго выполнять правила монтажа высокочастотных устройств. В приборе использованы постоянные резисторы ОМЛТ, МЛТ-0,125. В аттенюаторе резисторы подобраны с точностью 10%. Конденсаторы К50-6, КЛС, КТП, КМ-6. Подстроечный резистор R31 - СП-11; его ручка выведена под шлиц на переднюю панель. Микроамперметр М265 с током полного отклонения 100 мкА. Выключатели МТ-1, МТ-3, ПГК. Налаживание прибора начинают с установки номинального тока через стабилитрон V8. Для этого при напряжении сети 220 В подбирают резистор R35 так, чтобы ток стабилизации был равен 15 мА. Затем подбором резистора R34 устанавливают на выходе стабилизатора напряжение 9 В. Потребляемый прибором ток при этом не превышает 25 мА. После этого на вход пробника подают напряжение от генератора сигналов и контролируя напряжение на выходе широкополосного усилителя, подбором корректирующих цепей в эмиттерных цепях транзисторов V3-V5, добиваются равномерной АЧХ усилителя в полосе частот 0,1...35 МГц (о том, как это сделать. можно прочитать в (1). Для налаживания измерительного блока Q-метра нужно от генератора стандартных сигналов н» гнездо Х4 подать напряжение 100 мВ частотой 760кГц и к гнездам Х5, Х6 подключить любую катушку с индуктивностью в пределах 0,1…1 мГ.Вращая ось конденсатора С26, добиваются резонанса, по максимуму показаний милливольтметра, подключенного к измерительному блоку Q-метра. Если это удалось сделать, значит, измерительный блок смонтирован правильно и можно приступать к градуировке шкал конденсаторов. Конденсатор С26 служит длю точной настройки контура, поэтому его шкала должна быть с нулевой отметкой посредине и отградуирована в пределах от – 3 до +3 пФ. Шкалу конденсатора С25 градуируют на одной частоте, например 760 кГц, расчетным путем по формуле L=25,4/f2*(C+Cq), где Cq – емкость конденсатора С26, соответствующая нулевой отметке шкалы. Индуктивность получается в мГ, если частоту подставлять в МГц, а емкость в пФ. Коррекцию показаний производят на частоте 24МГц конденсатором С27 и подбором числа витков индуктивности L1 (0,03 мкГ). На этом налаживание можно считать законченным. Для измерения добротности необходимо подключить выносной пробник к гнезду Х9 измерительного блока Q-метра (входной Х4 и выходной Х9 разъемы измерительного блока Q-метра расположены на задней панели прибора). От внешнего генератора подать на гнездо Х4 напряжение нужной частоты и при нажатой кнопке “K” (S3) регулятором выходного напряжения генератора установить по шкале милливольтметра напряжение 100 мВ. Далее подключают катушку и добиваются резонанса вращением ручек настройки конденсаторов С25, С26 и считывают показания (при измерении добротности показания милливольтметра умножают на 10). Более подробно о возможных вариантах использования Q-метра для измерения различных параметров катушек и конденсаторов рассказано в {2}. Литература
|
