Что-то не так?
Пожалуйста, отключите Adblock.
Портал QRZ.RU существует только за счет рекламы, поэтому мы были бы Вам благодарны если Вы внесете сайт в список исключений. Мы стараемся размещать только релевантную рекламу, которая будет интересна не только рекламодателям, но и нашим читателям. Отключив Adblock, вы поможете не только нам, но и себе. Спасибо.
Как добавить наш сайт в исключения AdBlockРеклама
Улучшение смесителей в "Радио-76"
Улучшение смесителей в "Радио-76"
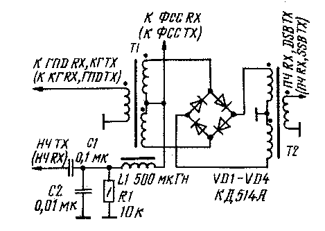
Благодаря своей простоте и высоким электрическим параметрам кольцевые смесители вполне оправданно применены в трактах таких популярных трансиверов, как "Радио-76", "Радио-76М2". Однако способ включения первого смесителя по ряду причин, главная из которых – разбалансировка смесителя при приеме или при передаче,– нельзя признать удачным. В режиме передачи напряжение НЧ поступает на смеситель через дроссель L2, который обладает некоторой емкостью, что разбалансирует смеситель. Включение дросселя L1 не всегда позволяет это устранить, так как собственная емкость дросселей может отличаться от экземпляра к экземпляру. Кроме того, несимметричное включение дросселей со стороны выводов, соединенных по ВЧ с общим проводом, создает условия для разбалансировки смесителя током утечки конденсатора С6, что часто, к сожалению, случается на практике. Полное входное сопротивление кольцевых смесителей близко к значению, находящемуся в интервале 50...75 Ом, поэтому целесообразно подключать гетеродинный вход смесителя непосредственно к соединительному кабелю. Резистор R1 несколько рассогласует линию передачи гетеродин – смеситель. Этот резистор целесообразно включать как согласующий элемент между кабелем и гетеродином, если последний каскад гетеродина является эмиттерным повторителем и его выходное сопротивление очень мало (единицы ом). Подстроечный резистор R2 увеличивает входное и выходное сопротивления преобразователя и рассогласует его с нагрузками. В режиме передачи смеситель оказывается неправильно нагруженным со стороны полосового фильтра, работающего на прием, так как на частоте ПЧ он имеет полное входное сопротивление, явно отличающееся от 50...75 Ом. Указанные причины ухудшают чувствительность и динамический диапазон, увеличивают коэффициент шума преобразователя, что играет отрицательную роль при приеме.
Вариант включения кольцевого смесителя, показанный на рисунке, перечисленных недостатков не имеет. В режиме приема сигнал с полосовых фильтров преселектора поступает на среднюю точку трансформатора Т1. Туда же через развязывающий дроссель L1 приходит сигнал НЧ при работе трансивера на передачу. Такое включение не нарушает баланса диодного моста. Емкости фильтров преселектора малы и не вносят частотных искажений в НЧ сигнал, поступающий с микрофонного усилителя. Средняя точка трансформатора T1 связана по постоянному току с общим проводом, поэтому отпадает надобность в конденсаторах С1, С2. На частоте ПЧ, при передаче, рассогласование со стороны преселектора не влияет на значение входного и выходного сопротивления смесителя, так как вход со средней точки трансформатора T1 симметричен относительно плеч диодного моста. Полная симметричность плеч диодного моста смесителя позволила отказаться от балансировочного резистора при сохранении высокого подавления несущей в режиме передачи. По рассматриваемой схеме был модернизирован трансивер на диапазоны 1,8, 3,5, 7 МГц, выполненный по структурной схеме "Pадио-76М2". После переделки динамический диапазон по интермодуляции возрос с 66 до 82 дБ. Потери в смесителе уменьшились с 9 до 6,2 дБ. Частота опорного гетеродина при формировании DSВ сигнала была подавлена на 38 дБ, при этом диоды не подбирались. Второму смесителю трансивера "Радио-76М2" присущи те же недостатки, что и первому. Использование аналогичного смесителя в трехдиапазонном трансивере не позволило применить широкополосный усилитель мощности, так как при передаче подавление напряжения ГПД в смесителе и двухконтурном полосовом фильтре оказалось недостаточным. Поэтому второй смеситель трансивера был выполнен по схеме, идентичной показанной на рисунке. Узлы, к которым его подключают, указаны в скобках. Это позволило улучшить подавление частоты ГПД на выходе тракта и применить в качестве усилителя мощности трансивера широкополосный усилитель. В. МЕНЬШОВ, А. БУЛАТОВ (RАЗАСВ) г. Москва |