Удлинитель пульта дистанционного управления
Сергей ( г. Кременчуг).
тел. 8-050-942-35-95, E-mail blaze (at) vizit-net.com
|
Устройство предназначено для управления спутниковым тюнером из другой комнаты.
Эта проблема возникает когда тюнер один а телевизоров два или больше в разных помещениях .
Приемную часть оставляют возле спутникового тюнера, направляя светодиод в окошко
его ИК приемника , а передающую вместе с дистанционным управлением уносят в другую комнату, где телевизор .
Передатчик управляется ИК приемником промышленного производства типа TSOP со встроенным демодулятором несущей ( 36 КГц) . При передаче используется 100% АМ .То есть если 1 ( несущая есть ) если 0 ( несущей нет и передатчик выключен ). Оконечный каскад передатчика приоткрыт в режиме молчания током 15 мА. Антенны приемника и передатчика – четвертьволновые отрезки провода ( 16 см ).
Приемник – сверхрегенератор с весьма хорошей повторяемостью ( изготовлено 3 экземпляра устройств совершенно без проблем на частоты 433,92 и 418 МГц на СМД элементах ) и отличной чувствительностью.
 |
|
 |
| Принципиальная схема передатчика |
|
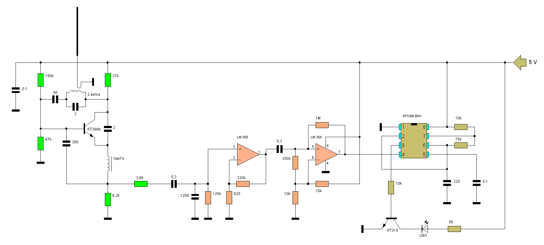
Принципиальная схема приемника |
Его настройка сводится к подбору емкостей между коллектором и эмитером транзистора и емкости и индуктивности колебательного контура и катушки связи с антенной. Контролировать сигнал принятый приемником можно с выхода первого ОУ ( 1 нога LM 358 ) подключив туда вход контрольного УНЧ .
Второй ОУ входящий в состав микросхемы – пороговое устройство , с него на таймер идет уже цифровой сигнал. Таймер восстанавливает по приходу высокого уровня несущую частоту 36 кГц и управляет транзистором, зажигающим ИК светодиод.
|