Что-то не так?
Пожалуйста, отключите Adblock.
Портал QRZ.RU существует только за счет рекламы, поэтому мы были бы Вам благодарны если Вы внесете сайт в список исключений. Мы стараемся размещать только релевантную рекламу, которая будет интересна не только рекламодателям, но и нашим читателям. Отключив Adblock, вы поможете не только нам, но и себе. Спасибо.
Как добавить наш сайт в исключения AdBlockРеклама
Запись и последующее воспроизведение сигналов с пультов ДУ
Запись
и последующее воспроизведение
сигналов с пультов ДУ
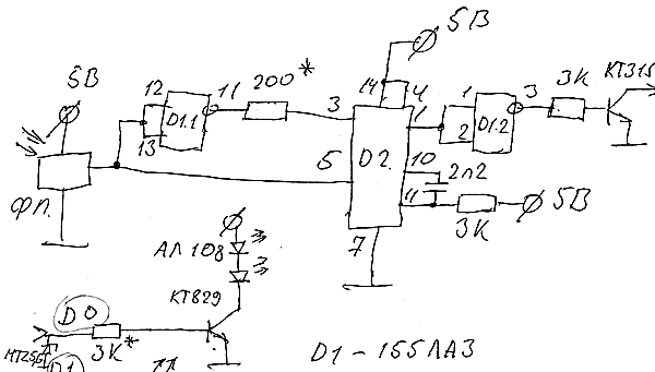
Начну с описания схемы. Состоит она из трёх блоков. Первый это питание, его схему недаю, соберёте сами. Схема может быть любая. Главное - на выходе должно быть 5 вольт. Второй это преобразователь сигналов пульта. Он состоит из фотоприёмника, (Взял трёхногий, монолитный, какая марка не знаю. Он может быть любой.) преобразователя фронтов в импульсы (Он собран на 155ла3 и 155аг1. Нужен он для преобразования каждого фронта входного сигнала в импульс. Так-как LPT порт понимает только отрицательные фронты. Схема тоже может быть любой.) и выходного усилителя (Сигнал с линии D0 порта через транзистор идёт на инфрокрасные светодиоды.). Тонкостей в сборке и насторйке нет никаких. Если собрали правильно - должно работать. Ёмкостью между 10 и 11 ногами D2 подбирается ширина выходного импульса. Смотрите по осцилографу - он должен быть гораздо уже чем единичный импульс с пульта и его должно хватать для надёжного сробатывания. На схеме (Кстати прошу прощения за её качетво) для особо пугливых я нарисовал два стабилитрона MTZ 5,6 на ногах порта ACK и D0 (Можно не ставить). Светодиод на линии D1 просто индикатор. Теперь о программе. Сначала об ограничениях. Работает только в ДОСе, должна быть мышь (в ДОСе),номер прерывания должен быть IQR5 порт 378H. При запуске программа спрашивает - создать новый фаил или открыть имеющийся. При выборе нового , спросит как его назвать (Расширение вводить не надо). После ввода имени вы увидите пустой экран с мигающим курсором (Это режим записи). Нажмите кнопку на пульте ДУ на экране (если всё правильно собрали) должно высветится удвоенное количемтво импульсов в посылке. Если их нечётное количество - значит произошла ошибка. Если ошибка нажмите кнопку 'c' и повторите попытку. Если ошибки нет нажмите кнопку 'r' это конец записи. На экране вы увидите массив записанных зачений ширины импульсов посылки. Если нажать кнопку 'g' то можно посмотреть её осцилограмму. Выход из графического режима левая кнопка мыши. А если нажать кнопку 'p' то посылка которую вы записали воспроизведётся на светодиод. Если телевизор (пульт от которого вы записываете) стои рядом - он должен среагировать. Если всё вас устраивает нажмите кнопку 's' вас спросят под каким именем сохранить посылку, введите имя инажмите ввод. А если что-то не так нажмите 'c' и проделайте всё с начала. При нажатии кнопки 'L' вы поподаете в список сохранённых кнопок, выхд 'пробел'. Если вы в начале выбрали открыть имеющийся фаил. На экране появятся все файлы из текущего каталога с расширением '.rcc'. Кликните мышкой по одному из них. Откроется список кнопок пульта ду хранящихся в этом файле. Если кликнуть левой кнопкой - выбранная посылка будет воспроизводится, а если правой появится окно редактирования списка. Вход в режим записи кнопка 'c', выход 'пробел', выход из программы тоже 'пробел'. Совет, если что-то пойдёт не так узнать где бяка можно при запущенной программе в режиме запись позамыкать контакт LPT порта ACK на корпус , если на монеторе будут меняться цифры значит вы правильно сконфигурировали порт. Ну дальше сами знаете - ответственности ни за что не несу. Удачи в сборке. Если проблемы мыльте kirhaus (at) tvcom.ru правда я там ненадолго - бабки кончаются. Или звоните Раб. Тел. 76-03-57 г.Тверь. Кир. На днях выйдет новая версия. |
