Что-то не так?
Пожалуйста, отключите Adblock.
Портал QRZ.RU существует только за счет рекламы, поэтому мы были бы Вам благодарны если Вы внесете сайт в список исключений. Мы стараемся размещать только релевантную рекламу, которая будет интересна не только рекламодателям, но и нашим читателям. Отключив Adblock, вы поможете не только нам, но и себе. Спасибо.
Как добавить наш сайт в исключения AdBlockРеклама
RF – модули своими руками
|
Сергей ( г. Кременчуг). |
Иногда возникает ситуация , когда имеются в наличии ПАВ-резонаторы на те частоты, на которые промышленность не выпускает приемные модули . Да и не секрет , что стоимость промышленных микросборок около 7 уе ( RX 5000 )способно отбить охоту экспериментировать у кого угодно. Современная элементная база позволяет собрать и передатчик и приемник самостоятельно с характеристиками , как минимум , не худшими, чем у промышленных модулей.
- Скачать файл принципиальной схемы в формате lay
Передатчик данных.
![]() |
![]() |
Стандартная схема , испытанная многими радиолюбителями. Состоит из управляемого задающего генератора и усилителя мощности.
Мощность около 10 мВт , потребляемый ток 15 мА . Ток задающего генератора около 2 мА . Потребляемый ток и мощность оконечного каскада можно регулировать резисторами смещения . Следует помнить при этом , что ток оконечного каскада свыше 50 мА способен вывести из строя транзистор применяемый в данной конструкции .
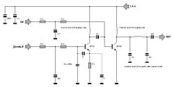
Приемник данных .
Приемник – сверхрегенератор с чувствительностью около 1 мкв . Сохраняет работоспособность от 3 до 6 вольт никуда при этом не «уезжая» по частоте . Связь сверхрегенератора с антенной индуктивная , что позволяет избежать пагубного влияния наводок и сильных сигналов на работу сверхрегенеративного каскада . Настройка приемника производится сдвиганием и раздвиганием витков катушки в цепи коллектора . Применение емкостей параллельно коллекторной катушке нежелательно т к это ухудшает добротность контура . На частоту 423,2 МГц контур имеет 9 витков .
![]() |
![]() |
В проведенных многочисленных испытаниях выяснилось , что применение УВЧ совместно с правильно настроенным приемником подобного , типа ничего не дает в плане улучшения чувствительности , а лишь ухудшая динамику сверхрегенератора допускает некоторую небрежность его настройки . АМ сигнал , принятый приемником , имеет очень малую амплитуду, поэтому он сначала усиливается а затем подается на вход компаратора ( порогового устройства ). На выходе компаратора появляется лог 1 , если уровень напряжения на его входе превышает определенный уровень .
В процессе настройки приемника сигнал , излучаемый передатчиком , удобно контролировать еще в аналоговой форме после первого усилителя ( вывод 1 LM 358 ) , подсоединив туда вход обычного УНЧ .
- Скачать файл принципиальной схемы в формате lay



