Что-то не так?
Пожалуйста, отключите Adblock.
Портал QRZ.RU существует только за счет рекламы, поэтому мы были бы Вам благодарны если Вы внесете сайт в список исключений. Мы стараемся размещать только релевантную рекламу, которая будет интересна не только рекламодателям, но и нашим читателям. Отключив Adblock, вы поможете не только нам, но и себе. Спасибо.
Как добавить наш сайт в исключения AdBlockРеклама
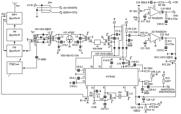
Новый одноплатный радиотракт трансивера на 174ХА2 (К174ХА2)
Новый одноплатный радиотракт трансивера
Поводом для разработки данной схемы была успешная эксплуатация ранее разработанного тракта с конца 1993 года /1, 2. Однако предыдущая схема была построена как заменитель основной платы трансивера «Радио-76», повторяя тем самым её недостатки:
Предлагаемая плата свободна от указанных недостатков и не содержит цепей механической коммутации высокочастотных сигналов. (Принципиальная схема - щелкните мышью для получения большого изображения) Схема, как и прототип, разработана на основе микросхемы 174ХА2, содержащей в себе регулируемый усилитель промежуточной частоты, балансный смеситель и гетеродин. Пройдем по схеме по порядку. В режиме приема сигнал, через полосовые фильтры ПФ, подается на первый смеситель тракта, выполненный по кольцевой схеме. На один из входов смесителя подается сигнал с первого гетеродина. Далее, сигнал промежуточной частоты выделяется на контуре L1C2, являющимся частью смесителя вместо второго трансформатора. Данная схема включения контура позволяет несколько уменьшить потери в смесителе. Затем сигнал ПЧ усиливается в реверсивном усилителе (аналогичный узлу, используемом в трансивере «Слобода-М»). Используя свойство полевого транзистора быть «обратимым», для переключения направления усиления данного каскада достаточно только сменить полярность питающего напряжения. Усиленный сигнал, выделяясь на контуре L4C4, подается далее на кварцевый фильтр или ЭМФ, выделяющий требуемую боковую полосу. Затем, с контура L8C6, через катушку связи L7, сигнал ПЧ подается на УПЧ микросхемы. Регулировка усиления каскада осуществляется подачей напряжения АРУ в пределах 0 – 2 вольта через развязывающий диод VD13 на 9 ножку микросхемы. Усиленный в УПЧ сигнал выделяется на контуре L9C15 и подается далее на смеситель, куда подается и сигнал с опорного гетеродина, собранного на этой же микросхеме. НЧ-сигнал выделяется на резисторе R3 и подается далее, через регулятор громкости R7, на УНЧ, собранном на половине двухканального усилителя TDA2822M. В режиме приема питание на 15 и 16 выводы смесителя подается через развязывающие диоды VD8 и VD10, отключая контур L8C6 от смесителя. В режиме передачи подается питание на электретный микрофон, запирается УПЧ подачей на вывод 9 микросхемы через диод VD14 управляющего напряжения около 3 Вольт, подается питание на смеситель через диоды VD7 и VD9, подключая контур L8C6, на котором выделяется двухполосный сигнал и отключая НЧ-выход. Далее, через кварцевый фильтр/ЭМФ и первый УПЧ, сформированный однополосный сигнал подается на кольцевой смеситель и через полосовые фильтры на усилитель мощности. На вывод 3 микросхемы подается сигнал ALC – automatic level control, дабы не «перекачать» УМ. Переключение режимов прием/передача осуществляется переключателем SA1. Сигнал АРУ снимается с НЧ-выхода смесителя микросхемы и, через второй канал TDA2822M, подается на детектор АРУ (диоды VD11, VD12) и далее на вывод 9 микросхемы 174ХА2. Примененные детали. Разумеется, что микросхему 174ХА2 можно заменить на зарубежный аналог. Вместо кварцевого фильтра (/3/, двухкристальный фильтр) можно применить любой другой фильтр или ЭМФ. Вместо стабилитронов КС113А с худшими результатами можно применить резисторы сопротивлением около 820 Ом, подобрав их таким образом, чтобы падение напряжения на них (при коммутации их на «землю») составляло 1,3 – 1,9 вольта. Диоды КД922 в кольцевом смесителе допустимо заменить на КД503. Параметры контурных катушек давать не буду, они зависят от примененной ПЧ. Однако для частот 8,86 МГц или 500 кГц (последнее будет применимо и к 455 кГц при увеличении количества витков на 10%) данные возможно взять из /2/. Трансформатор ТР1 выполнен на ферритовом кольцевом магнитопроводе Ф600 внешним диаметром 10 – 12 мм и содержит 20 – 30 витков скрученного втрое провода ПЭЛ-0,1. Катушки L5 – L7 намотаны проводом ПЭЛ-0,1 и содержат по 20 витков поверх соответствующих контурных катушек. Если нет желания мотать еще одну катушку, то можно конструкцию L1 C2 L2 L3 заменить трансформатором, аналогичным Тр1, просто, по моему мнению, лишняя фильтрация сигнала должна быть нам только на руку… Катушка L11 содержит 20 – 50 витков ПЭЛ-0,1 и подстроечный сердечник для установки частоты генерации (возможно использовать каркасы от контуров ПЧ ламповых телевизоров серии УНТ). Не рассматривая вопросы настройки самодельных кварцевых фильтров, что рассмотрено в отдельной публикации /3/, остальное налаживание схемы достаточно просто. Проверка работоспособности УНЧ возможна как на слух, так и осциллографом. Затем подгоняют частоту кварцевого гетеродина катушкой L11 до требуемой (точка -20 дБ на скате кварцевого фильтра). Контуром L10С28 устанавливаем максимальную амплитуду генерации (поможет осциллограф или ВЧ-милливольтметр). Затем грубо устанавливаем чувствительность тракта поочередной настройкой контуров L9C15, L8C6, L4C5 и L1C2 по максимальному шуму в громкоговорителе. Потом можно точнее настроить контура при приеме сигналов с эфира, либо использовать ГСС. Уровень срабатывания АРУ регулируется резистором R12. Далее переходим в режим передачи. Переменным резистором R6 устанавливаем минимум напряжения несущей после смесителя (используем осциллограф или милливольтметр). Затем с помощью контрольного приемника подбираем резистор R13 до получения качественной модуляции. Резистором R1 устанавливаем порог срабатывания системы ALS. Дальнейшая модификация тракта может включать в себя установку ФНЧ в цепи регулятора громкости и микрофона как для улучшения частотных характеристик радиотракта, так и для уменьшения наведенных ВЧ-излучений. Данные ФНЧ (даже простейшего однозвенного) можно взять из книги В.Т.Полякова «Трансиверы прямого преобразования». Вместо электретного микрофона можно использовать и обычный динамический с дополнительным каскадом УНЧ и компрессором, подавая на этот узел питание с точки «В», отключая его, таким образом, на время приема. В этом случае резистор R13 из схемы исключается. При необходимости ввести в тракт формирование телеграфного сигнала, то сам манипулятор можно собрать на кварце (или даже на трехточке, если ПЧ не выше 1 МГц), подавая сформированный сигнал через катушку связи (2-10 витков) на контур L8 C6. В этом случае необходимо предусмотреть коммутацию питания из точки «В» раздельно на микрофонный УНЧ и телеграфный манипулятор (просто еще один тумблер по питанию). В качестве ГПД, ПФ, УМ и ФВЧ автор рекомендует установить блоки от трансивера «Дружба-М», которые возможно приобрести у Сергея Тележникова, RV3YF (E-mail rv3yf (at) online.debryansk.ru). Это поможет значительно сократить время сборки полноценного вседиапазонного аппарата (при условии применения КФ на частоту 8,86 МГц, можно заказать там же). Также нужно учесть, что упомянутая плата ФВЧ, выпущенная до декабря 2005 года, уже имеет выход для системы ALC. Более поздние серии плат ФВЧ к сожалению выхода ALS не имеют, хотя нет никаких трудностей в ведении требуемой доработки (обычный выпрямитель с потенциометром, аналогично узлу VD11 VD12 R12). Литература.
|
