Что-то не так?
Пожалуйста, отключите Adblock.
Портал QRZ.RU существует только за счет рекламы, поэтому мы были бы Вам благодарны если Вы внесете сайт в список исключений. Мы стараемся размещать только релевантную рекламу, которая будет интересна не только рекламодателям, но и нашим читателям. Отключив Adblock, вы поможете не только нам, но и себе. Спасибо.
Как добавить наш сайт в исключения AdBlockРеклама
РАДИОПРИЁМНИК - ВОЛШЕБНЫЙ ГЛАЗ
РАДИОПРИЁМНИК - ВОЛШЕБНЫЙ ГЛАЗ
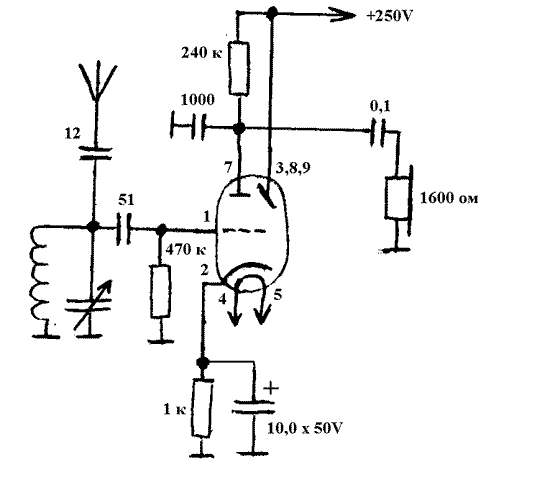
Эта схема была выкопана в каком-то старом справочнике для радиолюбителей.
Кострукция очень простая, но предоставляющая широкие возможности для экспериментов.
Где брать +250 и ~6,3 вольт вы, думаем, разберетесь сами. В нашем случае
под рукой была старая радиола "Соната", откуда все и бралось. Для начала
вход схемы был просто подключен к входному контуру. Получился простой
приемник 0-V-0 (прием велся на наушники), конечно с невысокой чувствительностью,
но красивый в работе. Причем, раз тут нет сиситемы АРУ, то и сужение светящегося
сектора было разное в зависимости от мощности принимаемой р/станции. Поскольку
радиолу было жалко ломать, да и на наушники не особо наслушаешься, то
решено было применить эту схему вместо детектора радиолы. Вместо - сказано
громко, поскольку штатный диодный детектор оставался на месте и выполнял
исключительно функции АРУ. А вот наша схема занималась двумя делами -
детектированием и иллюминацией :). К сожалению, из-за работы системы АРУ
сужение сегмента стало почти одинаковым при настройке на разные радиостанции,
НО: 1) качество детектированного сигнала улучшилось (не знаю почему, вроде
сеточный детектор, должны быть искажения); 2) чувствительность возросла
(опять же - сеточный детектор!); 3) новая фича приемника - индикатор настройки
(дети так радовались...). Конечно, можно было ради иллюминации применить
просто схему индикатора, но жалко деталь использовать так неполно. Уж
лучше несколько функций сразу. Если есть под рукой лампа 6Е5С, то общий
шарм повысится из-за настоящей аналогии глаза. Если есть 6Е3П - то будет
несколько авангардно ;). В любом случае красиво |
