Что-то не так?
Пожалуйста, отключите Adblock.
Портал QRZ.RU существует только за счет рекламы, поэтому мы были бы Вам благодарны если Вы внесете сайт в список исключений. Мы стараемся размещать только релевантную рекламу, которая будет интересна не только рекламодателям, но и нашим читателям. Отключив Adblock, вы поможете не только нам, но и себе. Спасибо.
Как добавить наш сайт в исключения AdBlockРеклама
1-V-1 НА ОДНОМ ТРАНЗИСТОРЕ
1-V-1 НА ОДНОМ ТРАНЗИСТОРЕ
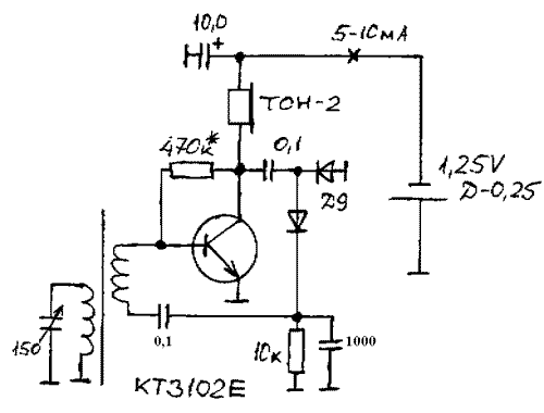
Эта схема была выкопана в старом номере журнала "Юный техник". Основной идеей, приведшей к изумительной простоте схемы, было следующее. Приемник собран по схеме 1-V-1, как рефлекс он должен предполагать наличие высокочастотной нагрузки в виде ВЧ-дросселя. Такая фишка заставляет разносить приемную антенну и этот дроссель подальше, дабы не было возбуда, а также снижать общую чувствительность. НО: если мы применяем головные телефоны, то вспомним их конструкцию - внутри уже есть катушка, которая уже имеет достаточную индуктивность. Так давайте использовать эту катушку на полную катушку (скверная шутка...)! Ежли так, то дроссель нам не нужен, ВЧ-нагрузка располагается за пределами приемника вообще, так что корпус можно сделать исключительно маленьким. Что было сделано? С аккумулятором типа Д-0,25 и конденсатором настройки КПК-2 емкостью 150 пФ приемник получился чуть больше спичечного коробка! причем выключатель питания не требуется - вынул разьем наушников и питание отключено. Резистором 470кОм устанавливается ток коллектора. Учтите, что КТ3102 допускает ток коллектора в 30 мА, так что возможности регулировки достаточные. Лучше, конечно, применять транзисторы с буквами Д и Е, у них коэффициент усиления больше - до 1000. Данные антенны: стержень диаметром 8 мм длиной 45 мм. 90 витков для контурной катушки и 10 для катушки связи, провод ПЭЛ-0,1. Провода для зарядки аккумулятора проще подвести к болту крепления конденсатора настройки и к внешнему выводу розетки для подключения телефонов (как ее правильно распаять решайте сами). Если настроить приемник на одну радиостанцию, то его можно вообще выполнить неразборным. Была замечена интересная фишка. Если исключить
диод детектора между конденсатором 0,1 мкФ и массой, то работоспособность
приемника сохранится, но потребляемый ток увеличится. Почему - не думал, скорее
всего эмиттерный переход играет роль некоего диода, на котором выделяется
напряжение, несколько прикрывающее транзистор при сильном сигнале (типа АРУ).
Этим надо пользоваться - ставьте два диода по схеме удвоения, как показано на
схеме. И получайте удовольствие!
|
