Что-то не так?
Пожалуйста, отключите Adblock.
Портал QRZ.RU существует только за счет рекламы, поэтому мы были бы Вам благодарны если Вы внесете сайт в список исключений. Мы стараемся размещать только релевантную рекламу, которая будет интересна не только рекламодателям, но и нашим читателям. Отключив Adblock, вы поможете не только нам, но и себе. Спасибо.
Как добавить наш сайт в исключения AdBlockРеклама
БЛОК УНЧ ДЛЯ ПРОСТОГО ТРАНСИВЕРА
БЛОК УНЧ ДЛЯ ПРОСТОГО ТРАНСИВЕРА
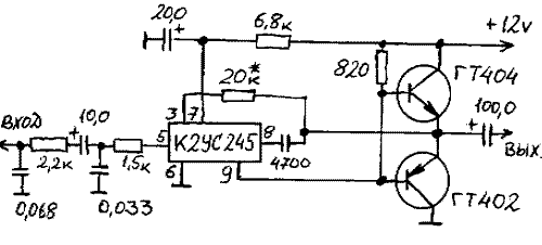
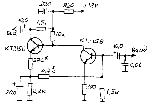
Схема микрофонного усилителя Жила-была промышленная радиостанция "Нива", аналог "Недра" и "Карат". Так вот, когда понадобилось применить для простого трансивера оконечный УНЧ и микрофонный усилитель, то, не мудрствуя лукаво, решено было слизать схему подчистую.
Схема оконечного услилителя ЗЧ Схема состоит из двух частей. Обе они достаточно хорошо повторяемы и имеют хорошие температурные параметры. Конечно, оконечный УНЧ с применение К2УС245 собран недостаточно корректно, нет привязки напряжения на базах транзисторов, но усилитель прост и обеспечивает достаточное качество. Для настройки оконечного УНЧ необходимо подобрать резистор 20 кОм между базами и выводом 3 м/с для получения половины напряжения питания на эммитерах транзисторов. В микрофонном усилителе, выполненном на транзисторах КТ315Б, резистором 4,7 кОм устанавливается половина напряжения питания на коллекторе выходного транзистора, а резистором 270 Ом устанавливается общий коэффициент усиления схемы. Разумеется, можно применить более современные транзисторы, но если под руками достаточно старого барахла - то не выбрасывать же его... В качестве микрофона можно применить любой
доступный динамический, сама схема изначально была рассчитана на капсюль ДЭМШ. Я
использовал ее без переделок с МД-47, имеющим повышающий трансформатор. Головка
громкоговорителя может иметь сопротивление 50-8 Ом. Конечно, большее
сопротивление лучше - меньше искажений и меньше энергопотребление. Выход
микрофонного и вход оконечного УНЧ рассчитаны на подключение непосредственно к
балансному модулятору на 4-х диодах, как в "Радио-76". Раздельное выполнение
схемы позволяет применить VOX (поскольку микрофонный УНЧ можно включить
напостоянку) или сэкономить на энергопотреблении, отключая блоки в соответствии
с режимом работы. Плата при достаточно свободном расположении деталей имеет
размеры 60 на 36 мм.
|
