Что-то не так?
Пожалуйста, отключите Adblock.
Портал QRZ.RU существует только за счет рекламы, поэтому мы были бы Вам благодарны если Вы внесете сайт в список исключений. Мы стараемся размещать только релевантную рекламу, которая будет интересна не только рекламодателям, но и нашим читателям. Отключив Adblock, вы поможете не только нам, но и себе. Спасибо.
Как добавить наш сайт в исключения AdBlockРеклама
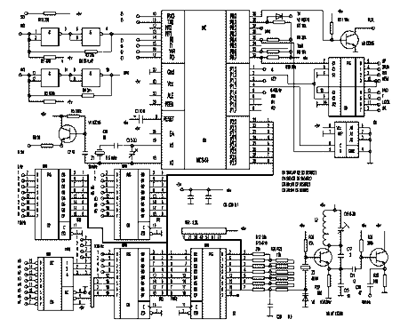
Блок управления для радиостанции Р-134.
Блок управления для радиостанции Р-134
Радиостанция Р-134 является одним из немногих устройств , перекрывающих все низкочастотные радиолюбительские диапазоны . Это трансивер с тройным преобразованием частоты . Первая ПЧ - 73 мГц , вторая -7 мГц . В трактах обеих ПЧ применяются кварцевые фильтры . Диапазон перестройки частоты составляет 1.5-29.999 мГц . Чувствительность приемника составляет 1 мкв , выходная мощность - 80 вт . Имеются два недостатка - большой шаг перестройки (1 кГц) и отсутствие нижней боковой полосы . Описываемое ниже устройство устраняет эти недостатки. Доработки сводятся к введению расстройки во второй гетеродин и смене частоты третьего гетеродина при приеме нижней боковой полосы . После переделки радиостанция получает следующие возможности :
Управление радиостанцией построено по привычному для КВ аппаратуры , интуитивно понятному принципу и не вызывает ощущения работы на вычислительной машине . Рис 1. Схема - щелкните мышью для увеличения Основу схемы составляет однокристальный микроконтроллер АТ89с51 фирмы ATMEL из семейства MCS-51. На микросхеме D1 собран формирователь сигналов валкодера . На микросхеме D9 собран формирователь сигналов клавиатуры . Микросхема D8 - энергонезависимая память . D2-D7 - формирователи управляющих кодов синтезатора . На транзисторах V6,V7 собран второй гетеродин на частоту 40 мГц . Управление по частоте осуществляется при помощи ЦАП на резисторах R12-R25 . На транзисторе V1 собран формирователь сигнала третьего гетеродина . При помощи ключа на транзисторе V3 производится управление реле , переключающего третий гетеродин . Рис. 2. Блок управления - щелкните мышью для увеличения К блоку управления можно подключить 3 различных схемы индикации. Все 3 типа поддерживаются программой блока управления . Выбор типа индикации зависит от установленой перемычки на общий провод с выводов I0 или I1 блока управления . Первый вариант , занимающий все 5 линий управления I0-I4 , выполнен на 555ИД7, 176ИД2 и индикаторе Орловского производства ИБ-9 . Это 9-ти разрядный индикатор , динамического типа , имеющий цоколевку идентичную АЛС318 и символы размером около 1см . В случае отсутствия ИБ-9 можно набрать 7 одиночных индикаторов , подходящих по проводимости . В данной схеме на сегменты подается плюс , на общие выводы - минус . Перемычка для этого варианта не устанавливается . Имеется большое количество импортных индикаторов идентичных по параметрам ИБ-9 . Второй вариант - квазистатическая индикация на 561ИР2 и индикаторах АЛС324 . В данном варианте задействованы для управления только линии I2,I3 . Линия I1 используется для подключения перемычки на корпус . Третий вариант - широко распространенный 10-ти разрядный жидкокристаллический индикатор со встроенной схемой управления СТ1611М10 или аналогичный ему , применяемый в АОНах . Подключение выполняется также по двум линиям управления I2,I3 . Линия I0 используется для подключения перемычки , идентифицирующий этот тип индикации . С точки зрения помехозащищенности предпочтительнее 3-й вариант . Микромощные сигналы по цепям управления практически не создают помех . Валкодер представляет из себя вал с ручкой , на который насажен оптический диск с прорезями . Количество прорезей может быть от 20 до 60 . В качестве оптопары можно использовать раздельные пары светодиод/фотодиод либо применить спаренный фотодиод подобный применяемым в компьютерных мышках . Необходимо обеспечить сдвиг фотодиодов относительно друг друга , чтобы обеспечить правильную работу валклдера . В случае спаренного фотодиода сдвиг получается автоматически . В некоторых мышках применяются фотодиоды , на общий провод которых подается не корпус , а напряжение питания . В этом случае нужно резисторы R1 и R3 переключить на корпус , и подобрать их номиналы для уверенного и четкого срабатывания . Обычно номинал этих резисторов лежит в пределах 5-10 кОм. Номиналы резисторов R2 и R4 выбираются в 10 раз большими (50-100 кОм) . Клавиатура представляет из себя 8 нормально разомкнутых кнопок . Управление блоком производится при помощи команд , подаваемых с клавиатуры и валкодера . В режиме расстройки в синтезатор подается сигнал с тангенты радиостанции для обеспечения разноса частот приема и передачи . Ниже описаны команды , использующиеся для работы :
Эта группа команд относится к работе с ячейками памяти. В данной схеме используется энергонезависимая память , позволяющая организовать 100 ячеек памяти , по 10 на каждый диапазон . На каждом диапазоне 2 из них отводятся под текущее значение частоты гетеродина (VFO A B) . Оставшиеся 8 используются как обычные ячейки памяти для запоминания различных полезных или важных частот. Деление это несколько условное и связано со способом записи и хранения информации в них . Номер ячейки памяти отображается слева от частоты в виде цифры от 0 до 9 . Специальная команда - удержание кнопки [MEM] в течение более 2 сек переключает режим работы с VFO и с ячейками памяти . В режиме работы с VFO кнопка [MEM] переключает VFO A и B , при этом номер соответственно отображает 0 или 1 . В режиме работы с памятью номер будет 2...9 . Отличие при работе в этих режимах заключается в том , что изменение частоты произведенное в процессе работы в VFO A B запоминается при смене режимов работы , смене диапазона , выключении питания , а частота записанная в ячейки 2...9 специальной командой записи является исходной при любой смене режима работы . Изменение частоты , произведенное в процессе работы никак не отражается на содержимом этих ячеек памяти . Запись в ячейки памяти производится из режима VFO . Последовательное нажатие кнопок [F],[MEM] переводит систему в режим записи частоты текущего VFO в ячейку памяти . Дальнейшее нажатие кнопки [MEM] циклически переключает номер ячейки памяти , в которую будет произведена запись . Процедура заканчивается нажатием кнопки [F] . Находясь в режиме работы с памятью ,(на индикаторе отображается номер 2..9) можно загрузить один из VFO содержимым текущей ячейки памяти нажав [F],[MEM] .
Дублирование этих двух команд позволяет исключить кнопки [LOCK] и [U\D] , применив всего 6 кнопок вместо 8-ми . Остальные команды используются для начальной инициализации во время настройки блока управления . Для того , чтобы в процессе работы случайно не изменить важные параметры настройки , доступ к этим командам осуществляется через включение питания . К примеру для инициализации памяти нужно выключить питание , нажать и удерживать кнопку [МЕМ] , включить питание , отпустить кнопку [МЕМ] не раньше чем через 3 сек после включения .
Блок управления выполнен на односторонней печатной плате .
Катушка L2 выполнена на каркасе диаметром 5 мм с подстроечным ферритовым сердечником . Катушка намотана проводом ПЭЛ 0.22 и содержит 9 витков . Блок управления устанавливается в корпусе блока 2-4 радиостанции . Предварительно удаляются все платы и провода . Плата блока управления устанавливается на имеющиеся наплывы корпуса в нижней части . В верхней части закрепляется клавиатура и валкодер . На разъемы Ш1 и Ш2 распаиваются выводы блока управления согласно таблице
Вход <ТХ> блока управления подключается при помощи контактов дополнительного реле на корпус в режиме передачи . В качестве дополнительного реле можно использовать реле РЭС-60 . Обмотка реле может быть подключена одним концом через резистор 5-6 кОм на вывод 8 разъема Ш13 блока 1-1 , вторым концом на корпус . В этом случае в режиме приема реле будет включено , а в режиме передачи обесточено . Выход гетеродина 40 мГц подается тонким коаксиальным кабелем на вход блока 3-1 вместо сигнала , подаваемого с блока 3-3. Коммутация третьего гетеродина 7.5 - 6.5 мГц осуществляется при помощи дополнительного реле РЭС-60 , закрепленного со стороны жгутов над блоком 5-1 . Обмотка реле подключается одним концом к +12в , вторым концом к выходу <RU/L> блока управления . Пара проводов , по которым напряжение третьего гетеродина 7.5 мГц подавалось на блок 5-1 с синтезатора (блок 2) , отключается от блока 5-1 и подается на нормально разомкнутые контакты реле . На один из нормально замкнутых контактов реле подается сигнал <6.5 мГц> блока управления . Центральные контакты реле подключаются на вход блока 5-1 . Для нормальной работы радиостанции с новой частотой гетеродина нужно внести изменения в схему блока 5-1 . Удаляется конденсатор С3 и резистор R2 , разрывается связь между контактом 5 трансформатора L7 и контактом 5 контура Ко1 , устанавливается перемычка между выводом 1 трансформатора L2 и выводом 5 трансформатора L7 . Настройка блока управления выполняется после установки в блок 2-4 , перед закреплением на блоке 2 . При помощи конденсатора С3 устанавливается частота на выходе <6.5 мГц> - 6503000 Гц . Настройка второго гетеродина выполняется в следующей последовательности . При первом включении блока управления нужно произвести инициализацию ПЗУ . Нажимая и удерживая кнопку <МЕМ> включается питание блока управления (+5в) . Через 3-4 сек кнопку можно отпустить , индикация должна отключиться . После этих действий ПЗУ будет инициализировано начальными значениями взятыми из ПЗУ программ контроллера . Затем нужно запустить режим настройки напряжения ЦАП . Нажимая и удерживая кнопку <UP> включается питание блока управления . Через 3-4 сек. кнопка отпускается .При этом на дисплее отображается следующая информация <000 127> . Слева расположена частота 0-950 Гц с шагом 50 Гц , справа код ЦАП в диапазоне 0-127 . Каждой частоте соответствует свой код и соответственно напряжение , подаваемое на варикап . После начальной инициализации каждой частоте присваивается начальное значение кода , которое нужно подкорректировать в процессе настройки . Нужно установить на дисплее частоту 000 Гц и код 127 . При этом напряжении частота гетеродина должна быть 40000000 Гц . Если она отличается от требуемой , нужно подстроить ее при помощи конденсатора С16 и сердечника катушки L2 . Установив код ЦАП - 000 нужно проверить что частота понизилась примерно на 500 Гц . Если частота понизилась намного больше , нужно установить последовательно с кварцевым резонатором емкость , для уменьшения диапазона перестройки . При этом нужно заново выставить частоту для кода 127 . Далее на дисплее устанавливается частота 050 Гц , код подбирается таким , чтобы частота второго гетеродина была равна 39999975 Гц ( на 25 Гц ниже ) . Следующим шагом устанавливается 100 Гц , код подбирается таким , чтобы частота второго гетеродина была 39999950 Гц ( еще на 25 Гц ниже ) . Подобным образом подбираются коды для всех 20 шагов в диапазоне 0-950 Гц .
После окончания подборки кодов нужно вернуться к первому шагу и проверить все значения частоты еще раз , при необходимости подкорректировать коды ЦАП , при этом все коды лучше записать на бумаге . В дальнейшем они могут потребоваться при инициализации ПЗУ . Достаточно просто ввести эти коды и не проводить повторно процедуру настройки напряжения . В схеме второго гетеродина возможно использовать кварцевый резонатор на 10 мГц . Для этого нужно настроить колебательный контур в коллекторе V6 на частоту 10 мГц . Сигнал 10 мГц нужно подавать на вход блока 3-3 , где происходит учетверение частоты . Процедура настройки в этом случае не отличается от вышеописанной , но контролировать частоту 40 мГц нужно на выходе блока 3-3 . Будут вопросы - пишите на мой емайл |



