Что-то не так?
Пожалуйста, отключите Adblock.
Портал QRZ.RU существует только за счет рекламы, поэтому мы были бы Вам благодарны если Вы внесете сайт в список исключений. Мы стараемся размещать только релевантную рекламу, которая будет интересна не только рекламодателям, но и нашим читателям. Отключив Adblock, вы поможете не только нам, но и себе. Спасибо.
Как добавить наш сайт в исключения AdBlockРеклама
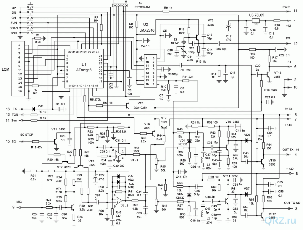
Двухдиапазонный функциональный модуль – синтезатор “S2B2007”
Основные отличия от предыдущего варианта:
Цифровая часть вместо примененных ранее 3-х микросхем выполнена на одном процессоре ATMEGA8 с внутрисхемным программированием. Благодаря значительно меньшему уровню наводящихся полей от цифровой части стало возможным расположить ГУНы прямо на плате синтезатора, и получить законченный модуль с ВЧ выходами для приемника и передатчика. Схема ГУНов оптимизирована для применения ЧИП индуктивностей. Это позволило применить простой по конструкции плоский П-образный экран, и значительно уменьшить влияние мощных полей передатчика. Микрофонный тракт модернизирован с учетом глубокой регулировки чувствительности в обе стороны, и имеет переключение 50 и 100% от установленного уровня. Переключается так же и мощность в обоих диапазонах, а положения запоминаются при выключении.
Технические характеристики:
- Напряжение питания 6-14 в.
- Выходная мощность 40 мвт.
- Диапазон частот по умолчанию 144-146 Мгц и 430-440 Мгц.
- Промежуточная частота 10,7 Мгц, опорный генератор 10245 Кгц
- Измеритель уровня сигнала с градациями 3 ДБ до 9+46 ДБ
- Пошаговая или ускоренная перестройка кнопками
- Минимальный шаг 2,5 Кгц
- Звуковое подтверждение нажатия кнопок
- 35 каналов памяти в каждом диапазоне (каждый может быть репитерным с любым разносом частот и в любую сторону)
- Режим “реверс” на любом репитерном канале
- Режим CTCSS поддержки репитеров (38 стандартных частот)
- Сканирование по частоте или по каналам памяти
- 4 режекторных канала для пропуска частот при сканировании (значения пропускаемых частот устанавливаются в каналах 36 - 39)
- Переключение чувствительности микрофона 50-100%
- Переключение мощности передатчика
- Тональная посылка 1750 Гц, для открывания некоторых репитеров
- Режим “SPLIT” для спутников
Размер платы 37 Х 106 мм.
Назначение кнопок согласно расположению:
- “FUN” - функция “UP” - перестройка вверх
- “BND” - диапазон “DN” - перестройка вниз
- “CH” - каналы памяти “SC” - сканирование
Настройка функций синтезатора:
Настройки можно производить независимо для каждого диапазона, поэтому нужно сначала кнопкой “BND” выбрать требуемый диапазон, затем настроить в нем все необходимое.
Установка границ диапазона
Нажать кнопку “FUN”, затем “BND”. Появится надпись “BandLOWlimit” – нижняя граница диапазона. Кнопками перебора частот “UP”, “DN” установить значение. Снова нажать “FUN”, появится надпись “BandHIGHlimit” – верхняя граница. Так же установить значение кнопками “UP”, “DN”. Для выхода из настройки снова нажать “FUN”.
Установка границ сканирования
Нажать кнопку “FUN”, затем “SC”. Появится надпись “ScanLOWlimit” – нижняя граница сканирования. Установить значение теми же кнопками перебора частот. Нажать снова “FUN”, появится “ScanHIGHlimit” – верхняя граница. После установки значения – выход “FUN”. Запуск сканирования производится кнопкой “SC”, а остановить сканирование можно повторным нажатием “SC”, или нажатием клавиши передачи.
Настройка каналов памяти
Нажать кнопку “FUN”, затем “CH”. Появиться надпись “Channelselect” – выбор канала. Выбрать номер настраиваемого канала (01, 02…10 и. т. д.) кнопками “UP”, “DN”. Последующими нажатиями на “FUN”, в меню выбирается настраиваемый параметр, то есть: “RX frequency” - частота прима, “TXfrequency” - частота передачи, “SubTone” - частота CTCSS. Кнопками перебора частот, устанавливаем каждое значение. Для выхода нажать кнопку “CH” или в положении “Channelselect” перейти к настройке следующего канала. Отображаются и участвуют в работе только настроенные каналы. Если частота прима и передачи установлены разные, то канал отображается как репитерный и обозначается буквой R рядом с номером канала. Если так же включен суб тон, то дополнительно появится маленькая “t”. Для исключения из работы любого канала, нужно набрать в нем значение выходящее за пределы установленных границ частот. Если требуется пропустить частоту с помехой при сканировании, то ее значение записывается в канал 36-39. Указывается только частота приема.
Реверс
В любом канале памяти настроенном как репитерный, с разносом частот прием-передача можно оперативно частоты менять местами. Для этого нажать кнопку “CH” и удерживать ее около 2 сек. При переключении на индикаторе перед значением частоты появится маленькая буква r. При переходе обратно, она исчезает. Этот режим служит только для контроля, и в памяти не сохраняется.
Установка шага перестройки
Нажать кнопку “FUN”, затем “UP”, или “DN”. Появится надпись “Stepselect” – выбор шага. Кнопками перебора частот устанавливаем шаг. Выход – “FUN”.
SPLIT (режим для спутников)
При длительном нажатии на “BND” включается режим SPLIT, то есть прием на одном диапазоне, а передача на другом. Перед значением частоты появляется буква S. Если SPLIT включался на 144, то передача будет на 430. И наоборот. Частоты будут те, которые набраны предварительно.
Переключение уровня мощности и микрофона
В режиме передачи нажимая “UP” выбираем по длине верхней линейки на дисплее мощность, а по нижней нажимая “DN” выбираем уровень микрофона.
Для того, что бы стереть все настройки, следует включить станцию с нажатой кнопкой FUN, и отпустить через 1-2 сек. Все настройки сотрутся и станут по умолчанию – границы диапазона 144-146 Мгц, границы сканирования 144500 – 145800, шаг 25Кгц, стартовая частота 145300.0, канал 01- 145300.0, остальные выключены. Для 430 стартовая частота 435300 диапазон 430-440 Мгц
Для внутрисхемного программирования имеется разъем установленный с внутренней стороны платы. Сигналы: клемма 1 – VCC, 2 – GND, 3 – RST, 4 – SCK, 5 – MISO, 6 – MOSI.
Примечание:
При указанных номиналах ГУНы в настройке не нуждаются, а захват-удержание с запасом в каждом диапазоне. Следует лишь выставить опорником правильную частоту. ЧИП индуктивности имеют типоразмер 1210. Экран выполняется из полоски белой жести шириной 23 мм, и загибаются бортики, так что бы получилась П-образная крышка 23 Х 23 мм. Высота 4 мм. Для подпайки на корпус предусмотрены 4 площадки без маски. Варикапы запаиваются вплотную к плате на площадки без отверстий, поэтому нужно предварительно загнуть выводы, и обкусить по высоте корпуса. Индикатор WH1602B крепится к плате через втулки высотой 4 мм, и пропаивается перемычками. В зависимости от конкретного типа, возможно, понадобится подобрать номинал контрастности R1 в пределах 1к – 8,2 к.
Конструкция и схемотехника: Шатун Александр Николаевич (UR3LMZ)
62300 Харьковская обл. г. Дергачи, пер. Октябрьский 16
телефон в Дергачах 3-21-18. моб +38-095-121-00-86
Программное обеспечение: Денисов Александр Юрьевич (RA3RBE)
Г. Москва



