LAB599.RU — интернет-магазин средств связи
EN FR DE CN JP

Синтезатор частоты

Синтезатор частоты

Л.РИВАНЕНКОВ (UA3LDW), 214036, г.Смоленск, ул.Попова, 80 - 16.
Радиолюбитель. KB и УKB. N6, 2000, с.24-26.

 

 

В последнее время повысились требования к стабильности частоты гетеродинов трансиверов, особенно при цифровой связи, RTTY и т.д. Появился ряд публикаций с описанием синтезаторов частоты. В основном это сложные устройства, иногда - с применением программируемых импортных микросхем. Зачастую эти устройства громоздки, потребляют большой ток и создают помехи тракту приема трансивера. Детали при этом, как правило, дефицитны. Автор разработал и изготовил простой синтезатор из широкодоступных деталей; при этом его параметры (прежде всего, стабильность частоты) не уступают сложным синтезаторам на импортных микросхемах, а простота и наглядность могут послужить хорошим пособием для изучения подобных устройств многими радиолюбителями. Блок-схема синтезатора частоты приведена на рис.1. В синтезаторе имеется гетеродин, управляемый напряжением (ГУН), средняя частота которого в зависимости от диапазона устанавливается переключателем. В контур ГУН включен реактивный элемент (РЭ) - варикап. Напряжение частоты ГУН подается на управляемый делитель частоты, коэффициент деления которого устанавливается из регистра установки коэффициента деления. Состояние этого регистра (число) устанавливается генератором настройки. Сигнал ГУН после делителя подается на частотно-фазовый детектор (ЧФД), где он сравнивается по частоте с частотой опорного генератора (в данном варианте - 512 Гц). С ЧФД сигнал ошибки установки частоты подается через фильтр нижних частот (ФНЧ) на реактивный элемент (РЭ).

sint-61.gif
Рис.1

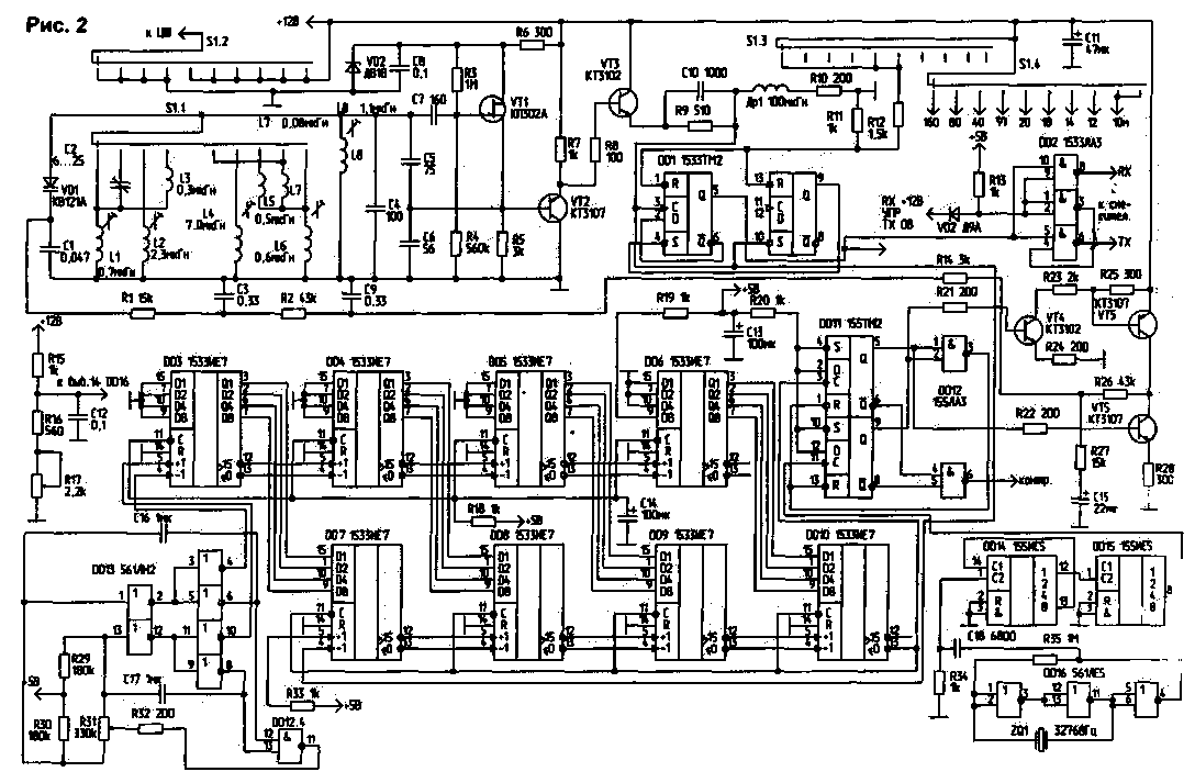
Таким образом осуществляется подстройка частоты ГУН. Сигнал с ГУН подается на первый буферный каскад (БК-1), в котором частота ГУН либо делится на 2, либо просто без деления проходит на выход БК-1 (в зависимости от диапазона и необходимой частоты гетеродина). Второй буферный каскад (БК-11) просто переключает напряжение необходимой частоты гетеродина или на смеситель приема (RX), или на смеситель передачи (ТХ). Как видно из принципиальной схемы (рис.2), ГУН выполнен на транзисторе VT1. В его контур включен варикап VD1.

sint-62.gif

Переключение средней частоты ГУН осуществляется переключателем S1-1, который параллельно основной индуктивности (L8) подключает дополнительные (L1 ...L7) или С2. Через эмиттерные повторители VT2, VT3 сигнал подается на первый буферный каскад (DD1). Коэффициент деления микросхемы К1533ТМ2 устанавливается (в зависимости от диапазона) переключателем S1-3. S1-2 переключает предустановку величины промежуточной частоты в цифровой шкале, в зависимости от того, выше или ниже частота гетеродина по сравнению с рабочей частотой трансивера. В трансивере автора промежуточная частота равна 8 МГц, а частоты гетеродина на различных диапазонах приведены в табл.1.

Диапазон

Fраб.тр.

fвых.синт.

KD1

fгет

fгет.ср

KD7-10 ср

160

1.8...2.0

9,8...10,0

2

19.6...20

19,8

38800

80

3.5...3.8

11,5...11,8

1

11.5...11.8

11,65

22800

40

7.0...7.1

15,0...15,1

1

15.0...15.1

15,05

29350

30

10.1...10.15

18.1...18.15

1

18.1...18.15

18.125

35400

20

14...14.35

6.0...6.35

2

12.0...12.7

12,35

24000

18

18.068...18.318

10,068...10,318

2

20.13...20.64

20,386

39800

14

21.0...21.45

13.0...13.45

1

13.0...13.45

13,225

25900

12

24,89...25,14

-6,89...17,14

1

16,89...17,14

17,0

33200

10-1

28,0...28,8

20,0...20,8

1

20,0...20,8

20,4

39900

10-2

28,8...29,7

20,8...21,7

1

20,8...21,7

21,25

41500


S1-4 осуществляет электронное переключение диапазонов (полосовых фильтров) в трактах трансивера. Управляемый делитель частоты выполнен на элементах DD7...DD10. Это микросхемы К1533ИЕ7. Как видно из схемы, сигнал с VT3 подается на вывод 4 DD7. При достижении в счете нуля во всех разрядах, сигнал с вывода 13 DD10 установит все элементы делителя в состояние, заданное с регистра, на входах "D" микросхем DD7...DD10. После этого произойдет счет на "уменьшение" до нулевого состояния повторно. Таким образом осуществляется деление частоты в соответствии с заданной на входах "D" величиной. Величина коэффициента деления устанавливается в регистре DD3... DD6 генератором настройки, собранным на микросхеме DD13 и DD12.4. Управляется генератор потенциометром R31. Если его подвижный элемент стоит в среднем положении - генератор не работает. Если его переместить вверх - начнется генерация на нижних по схеме трех элементах DD13. При этом с выхода 10 DD13 сигнал поступит на вход +1 (вывод 5), DD3 и начнется пошаговое переключение регистра на увеличение записанного в нем числа, а значит, начнется увеличение коэффициента деления частоты делителя, и система автоподстройки увеличит частоту ГУН при каждом импульсе на 512 Гц. Величина частоты импульсов генератора настройки (частота перестройки) зависит от того, до какой степени мы в данном случае переместим R31 "вверх", и может меняться от 0,5 Гц (медленная пошаговая перестройка) до 1000 Гц - быстрая перестройка. То есть чем больше перемещен движок потенциометра R31 вверх-тем быстрее перестройка. Для уменьшения частоты движок потенциометра R31 перемещают вниз; заработает генератор на трех верхних элементах DD13, и регистр "пойдет на уменьшение". Таким образом и осуществляется настройка. Это нетрадиционный способ, но к нему можно быстро привыкнуть. Генератор опорной частоты выполнен на микросхемах DD14...DD16. На DD16 выполнен кварцевый генератор. Кварц использован от электронных часов. Для подстройки частоты кварца, а значит, и частоты гетеродина в пределах "шага сетки", используется метод изменения напряжения питания на DD16 с помощью цепочки R15...R17. При этом достигается плавная перестройка ГУН на 1 кГц. Частота кварцевого генератора делится на 64 с помощью микросхем DD14, DD15 и подается на один из входов ЧФД, выполненного на DD11, DD12. Туда же подается напряжение с выхода управляемого делителя частоты. Сигнал ошибки с выхода ЧФД через ФНЧ (R1, R2. R26, С1, С3, С9) подается на варикап. Цепочка R27, С15 стабилизирует режим работы при переключении частоты, и устраняет характерные для систем с подобным ЧФД "кваканье и цивканье" при настройке. Цепочка R18, С14 служит для начальной установки регистра в состояние 32768 (при включении трансивера). БК-И - простой переключатель сигнала на логических элементах. Выполнен синтезатор единым блоком на плате с размерами 125х120 мм. На плате с помощью алюминиевого уголка крепятся элементы настройки S1, R17, R31. Катушки индуктивности не критичны к параметрам, и можно применять любые диаметром 6...7 мм, подстройка - латунными сердечниками. Потенциометр R31 - типа СП-1. Переключатель S1 - типа ПГ3-11П4Н, малогабаритный. Микросхемы желательно применять серии 1533, хотя возможно применение и серии 155, но при этом потребляемый ток возрастет с 350 до 550 мА по источнику +5 В. Потребляемый ток по напряжению 12В - 25 мА. Автор применял плату с односторонним печатным монтажом (рис.3), поэтому на стороне с деталями много проволочных перемычек. Можно выполнить плату и в других вариантах.


Генератор 512 Гц автор выполнил на микросхемах DD14...DD16 и часовом кварце. Можно применять и другие варианты с другими кварцами, но частота на выходе должна быть в пределах 400...650 Гц. Настройка заключается в следующем: 1. Проверяем работу генератора настройки. В среднем положении R31 (сектор примерно -45°) генерация должна отсутствовать; если она имеется, или мал или велик сектор отсутствия генерации - это устраняется подбором R29, R30. При крайних положениях R31 частота генерации должна быть около 1 кГц. 2. Проверяется работа как самого кварцевого генератора, так и его делителей. Частота на выходе DD15 (вывод 8) должна быть 512 Гц (при использовании часового кварца). 3. Далее настраивается ГУН. Для этого правый (по принципиальной схеме) вывод R1 отпаивается от платы, и на него с делителя напряжения (можно использовать потенциометр 5...30 кОм) подается напряжение +6,5 В. Включается диапазон 20 м. Вращая сердечник L8, следует добиться необходимого значения частоты fгет.ср (согласно табл.1); далее включаем диапазон 160 м и настраиваем fгет.ср. c помощью сердечника L1. Включаем диапазон 30 м и, подбирая витки L3, настраиваем fгет.ср (L3, L5, L7 намотаны на сердечниках диаметром 3 мм и смонтированы прямо на S1). Включаем диапазон 80 м и с помощью С2 настраиваем fгет.ср. Включаем диапазон 14 м и сердечником L4 настраиваем fгет.ср. Диапазон 10 м разбит на два отдельных поддиапазона: I - 28,00...28,8 МГц и II - 28,8...29,7 МГц. Включаем второй поддиапазон 10 м и сердечником L6 устанавливаем его fгет.ср. Далее включаем первый поддиапазон 10 м и подбором витков L7 настраиваем его fгет.ср. Она в нашем случае примерно равна fгет.ср для диапазона 18 м. Включаем диапазон 12 м и подбором витков L5 настраиваем его fгет.ср. Конечно, можно использовать данную схему синтезатора и для трансивера с другой промежуточной частотой, а не 8 МГц. Тогда для начала нужно пересчитать табл.1 под иную промежуточную частоту, а далее произвести некоторые изменения в схеме переключения диапазонов ГУН. 4. Производится комплексная проверка работы синтезатора - включается любой диапазон (перед этим необходимо впаять в схему R1) и определяется рабочая частота гетеродина (или трансивера по цифровой шкале). Если она больше или меньше частоты диапазона - поворотом до упора в соответствующую сторону R31 устанавливаем ее сначала в пределах диапазона, а затем поворотом R31 на небольшой угол от середины (плавная настройка) устанавливаем нужную частоту. Так проверяется работа трансивера на всех диапазонах. Время перестройки с диапазона на диапазон при некотором навыке - не более 10с. Если в процессе настройки какие-то операции идут с отклонением от нормы - значит, есть или ошибки в монтаже, или неисправные детали. В целом синтезатор показал себя надежным, исключительно стабильным, не создающим помех другим цепям и трактам трансивера. К сожалению, схему могут повторить лишь опытные радиолюбители, знакомые с цифровой техникой. В целом описание может составить интерес и с точки зрения некоторых "НОУ-ХАУ", в частности, применения оригинальной схемы на 1533ТМ2 (DD1), которая, в зависимости от поданных на входы "R" напряжений, делит на 2 или просто транслирует сигнал; схемы генератора настройки и т.д.


Литература
1. Шило В.Л. Популярные цифровые микросхемы. - 1988.
2. Белянский А. Синтезатор частоты. - Радиолюбитель. KB и УKB.1998.N4, 5.

 


Партнеры