Термостат
перевод А.Анкудинов (UA3VVM)
Источник http://www.electronics-lab.com |
Контролирует домашнюю и уличную температуру.
Простое и надежное устройство
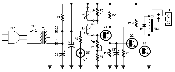
Детали:
P1 - 1K Линейный потенциометр
R1 - 10R 1/4W Резистор
R2 - 1K 1/4W Резистор
R3 - 3K3 @ 20°C n.t.c. Термистор
R4 - 2K2 @ 20°C n.t.c. Термистор
R5 - 10K 1/2W Подстроечный резистор
R6 - 3K3 1/4W Резистор
R7, R9 - 4K7 1/4W Резистор
R8 - 470K 1/4W Резистор
R10 - 10K 1/4W Резистор
C1,C2 - 470µF 25V Электролитический конденсатор
C3 - 1µF 63V Электролитический конденсатор
D1,D2,D4 - 1N4002 100V 1A Диоды
D3 - Красный светодиод 3 или 5мм.
Q1 - BC557 45V 100mA P-N-P Транзистор
Q2 - BC547 45V 100mA N-P-N Транзистор
Q3 - BC337 45V 800mA N-P-N Транзистор
RL1 - Реле 2A @ 220V контакты
Обмотка реле 12V. Сопротивление обмотки 200-300 Ом
J1 - двухштырьковый выходной разъем
SW1 - Выключатель переменного тока
T1 - 220V Первичная обмотка, 12 + 12V Вторичная 3VA сетевой трансформатор
PL1 - Сетевая вилка со шнуром

Назначение устройства:
Эта схема используется для температурного контроля или поддержания
постоянной температуры в помещении при значительных изменениях температуры
окружающей среды.
Для работы устройства необходимы два датчика; один располагается вне дома
и фиксирует
внешнюю температуру, а другой расположен на водопроводной трубе центрального
отопления как можно ближе к паровому котлу (бойлер). Выход схемы связан с
реле контакты которого управляют нагревательным элементом котла (старт-стоп
контроль). Схема проста и надежна.
Описание схемы:
Когда напряжение на базе транзистора Q1 меньше половинного напряжения питания
(задается резисторами R7 и R9) к резистору R8 прикладывается напряжение которое
открывает драйвер реле на транзисторах Q2, Q3 и реле переключается в режим "включено".
Когда напряжение на базе транзистора Q1 больше половинного напряжения питания
причиной чего является изменение сопротивления одного из термисторов при
увеличении температуры (при повышении температуры сопротивление термистора
уменьшается), напряжение на резисторе R8 уменьшается, что приводит к переходу
реле в режим "выключено".
Конденсатор C3 подавляет помехи влияющие на включение реле. Переменный резистор
P1
устанавливает контролируемую температуру.
Примечания:
1. R3 внешний датчик температуры, R4 внутренний датчик температуры.
2. Термистор R3 номиналом 3К3 можно заменить на номинал 4К3 с соответствующей
компенсацией подстроечным резистором R5.
3. Резистором R5 устанавливается режим включения реле при внешней температуре
+10°C и ниже. Чем больше сопротивление R5, тем более высокий порог внешней
температуры вызывающей включение реле и наоборот.
4. Существующий термостат устанавливается на широкие пределы установки
температуры,
что сделано для нашего удобства.
5. Эта схема может работать как простой точный термостат исключив термистор
R3.
|