Что-то не так?
Пожалуйста, отключите Adblock.
Портал QRZ.RU существует только за счет рекламы, поэтому мы были бы Вам благодарны если Вы внесете сайт в список исключений. Мы стараемся размещать только релевантную рекламу, которая будет интересна не только рекламодателям, но и нашим читателям. Отключив Adblock, вы поможете не только нам, но и себе. Спасибо.
Как добавить наш сайт в исключения AdBlockРеклама
Простой термостат
Простой термостат
Простой термостат можно использовать для поддержания постоянной температуры в пространстве с ограниченным объемом, например для эксплуатации РЭА в холодном помещении зимой
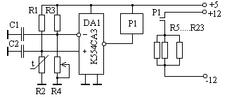
Контроллер термостата Термостат устройства выполнен в виде сдвоенного герметичного металлического корпуса, снабженного автоматом подогрева. Пространство между внутренней и внешней оболочками корпуса заполнено минеральным веществом, обеспечивающим накопление и удержание тепла (имеет хорошую теплоемкость), равномерное распределение тепла по объему, пожаробезопасность и пр. Во внутреннем пространстве корпуса находятся электронные схемы критичные к понижению температуры окружающего воздуха. Контроллер термостата состоит из термодатчика и компаратора К554СА3. Нагревательный элемент выполнен из резисторов МЛТ-1, сгруппированных в нагревательные блоки и размещенных в между внешней и внутренней оболочками корпуса. Документация на микросхему К554СА3 Микросхемы изготовлены по биполярной технологии и представляют собой компаратор напряжения. Благодаря малым входным токам и большому коэффициенту усиления могут подключаться к высокоомным датчикам, использоваться в прецизионных преобразователях сигналов, генераторах импульсов. Предусмотрена возможность совместной работы с ЭСЛ-, ТТЛ- и МОП- схемами, для чего напряжение питания на коллектор выходного транзистора подается от внешнего источника в зависмости от типа логики. Корпус типа 201.14-1, масса не более 1 г.
Рис. 3. Электрическая схема Электрические параметры
|
| 1 | Напряжение питания U cc1 U cc2 |
13,5...16,5 В -13,5...-16,5 В |
| 2 | Значение статического потенциала | 200 В |
| 3 | Максимальное входное дифференциальное | 30 В |
| 4 | Синфазное входное напряжение | + 15 В |
| 5 | Температура окружающей среды | -45...+85 °C |
Зарубежные аналоги - LM311N
Литература
- Интегральные микросхемы и их зарубежные аналоги: Справочник. Том 2./А. В. Нефедов. - М.:ИП РадиоСофт, 1999г. - 640с.:ил.
- Отечественные микросхемы и зарубежные аналоги Справочник. Перельман Б.Л.,Шевелев В.И. "НТЦ Микротех", 1998г.,376 с. - ISBN-5-85823-006-7
- Chipinfo.ru


