Что-то не так?
Пожалуйста, отключите Adblock.
Портал QRZ.RU существует только за счет рекламы, поэтому мы были бы Вам благодарны если Вы внесете сайт в список исключений. Мы стараемся размещать только релевантную рекламу, которая будет интересна не только рекламодателям, но и нашим читателям. Отключив Adblock, вы поможете не только нам, но и себе. Спасибо.
Как добавить наш сайт в исключения AdBlockРеклама
Автомат включения освещения
Автомат включения освещения
Как-то один очень хороший человек попросил сделать ему устройство что
бы он, например идет домой, заходит с улицы в общий коридор, оно бы свет
ему включило и выключило после того как он закроет входную дверь, дойдет
до своей двери и зайдет домой. Потом можно и погасить свет. Но чтобы еще
было и просто как обычно светом пользоваться. Да чтобы еще оно и простое
было и к тому же без источника питания (это он так понимает когда ни тебе
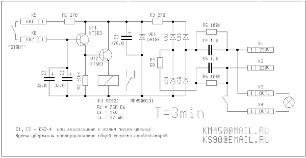
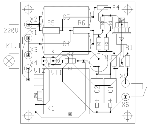
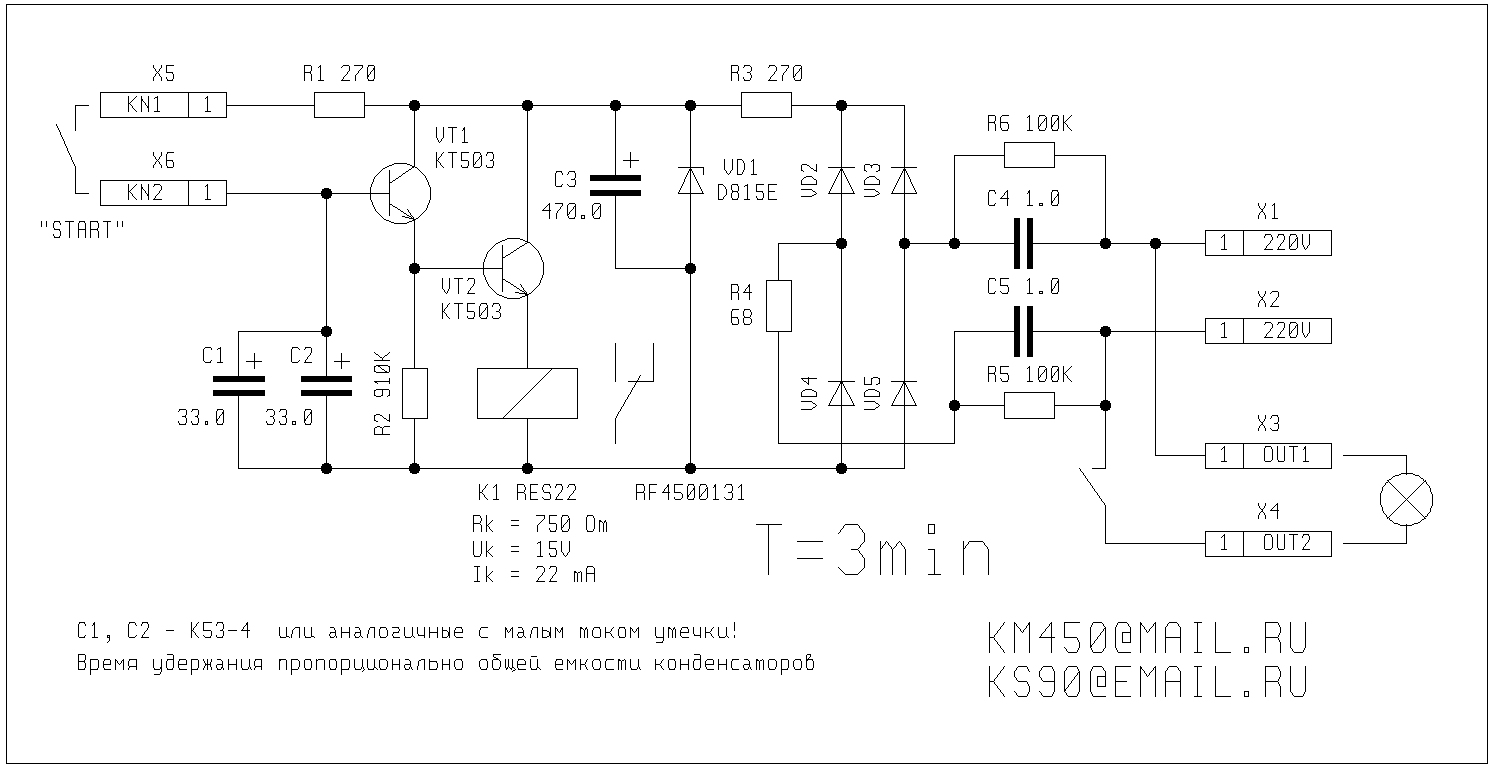
трансформатора, ни выключателя, ни корпуса). Рис.1. Принципиальная схема автомата включения освещения с задержкой выключения на три минуты (щелкните мышью для увеличения) На двери устанавливаем концевой выключатель и параллелим его с обычным. Когда дверь открывается через резистор R1 открываются транзисторы, заряжаются конденсаторы С1 и С2, срабатывает реле и нам светло. Закрываем дверь, конденсаторы С1 и С2 разряжаются и свет продолжает гореть примерно три минуты. Сам подбирал как было заказано. Применил К53-4 две штуки для уменьшения габаритов. Другие типы имеют большие токи утечки и как следствие малое время включения. Если бумажные ставить так это же какие размеры будут. Короче, какое нужно время срабатывания и какие размеры - такие конденсаторы и ставить. Питается схема от простейшего выпрямителя с гасящими конденсаторами C4 и C5 емкостью 1мкф на 250 вольт. Часто в телефонных розетках такие стоят. Параметры реле указаны на схеме. Напряжение стабилизации определяется напряжением срабатывания реле. При эксплуатации учесть - под напряжением сети! Хороший человек остался доволен, мне заплатил хотя и немного. Все собирался себе в общем коридоре сделать, но никто за это денег не дает а за бесплатно для всех так руки и не дошли. Рис.2. Рисунок печатной платы и расположение деталей, (печатка одностороняя) (щелкните мышью для увеличения) |

