Что-то не так?
Пожалуйста, отключите Adblock.
Портал QRZ.RU существует только за счет рекламы, поэтому мы были бы Вам благодарны если Вы внесете сайт в список исключений. Мы стараемся размещать только релевантную рекламу, которая будет интересна не только рекламодателям, но и нашим читателям. Отключив Adblock, вы поможете не только нам, но и себе. Спасибо.
Как добавить наш сайт в исключения AdBlockРеклама
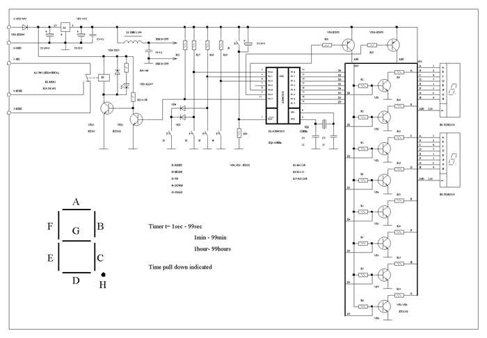
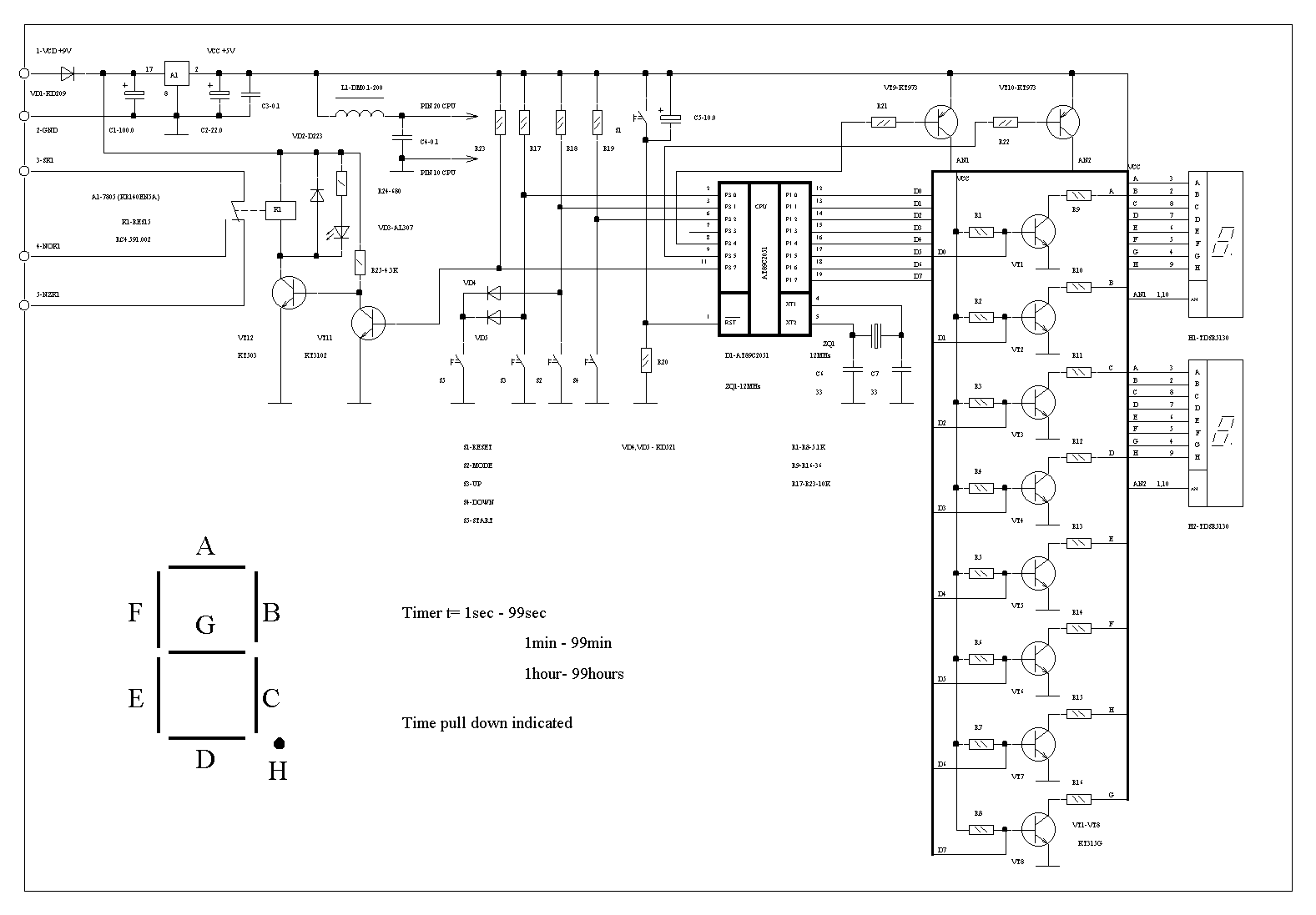
Таймер на микроконтроллере AT89C2051
Таймер на микроконтроллере AT89C2051
Таймер создавался для дозирования времени физиотерапевтических процедур. При этом ставилась задача обеспечить простоту и удобство управления и индикации при минимальной цене таймера. Схема таймера: Индикаторы с общим анодом. Их включение через ключи обеспечивает хорошую яркость цифр. Вначале нажатием S1 сбрасываем таймер, затем S2 выбираем режим: если секунды, то точки мигают часто, если минуты, то точки мигают редко, если часы, то совсем не светятся. Затем нажатиями S3 набираем на индикаторах нужное время, если перебор, то нажатиями на S4 уменьшаем время. Когда нужное время установлено, нажимаем S5 "Старт". При этом срабатывает реле. По окончании выдержки времени реле отпускает. Включение реле дублируется светодиодом. Если установлено время 2 и более минут, то последняя минута индицируется в секундах. Если установлено время 2 часа и более, то последний час индицируется в минутах, а последняя минута в секундах. Таким образом возможна установка времени в трех диапазонах: 1-99 секунд, 1-99 минут и 1-99 часов. При разработке таймера использованы материалы: www.qsl.net/dg5dbz/ Печатная плата таймера:
Plot - файл PCAD 8.5 схемы + программа печати Plot - в Windows: timer2.zip
|

