Что-то не так?
Пожалуйста, отключите Adblock.
Портал QRZ.RU существует только за счет рекламы, поэтому мы были бы Вам благодарны если Вы внесете сайт в список исключений. Мы стараемся размещать только релевантную рекламу, которая будет интересна не только рекламодателям, но и нашим читателям. Отключив Adblock, вы поможете не только нам, но и себе. Спасибо.
Как добавить наш сайт в исключения AdBlockРеклама
Широкополосный датчик падающей и отраженной волны
Широкополосный датчик падающей и отраженной волны
(Радиолюбитель. – 2006. – № 8. – С. 44–48) Скачать всю статью в одном файле (PDF) Технические характеристики датчика:
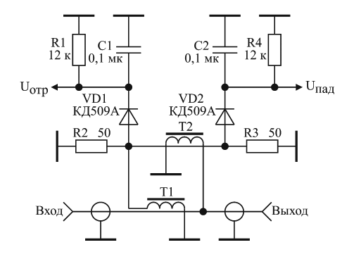
Датчики падающей и отраженной волны используются в устройствах защиты полосовых усилителей мощности радиопередатчиков от перегрузки по входу и от рассогласования по выходу и устройствах стабилизации их выходной мощности [1–4]. Строятся рассматриваемые датчики на основе направленных ответвителей, выполненных в виде двух связанных четвертьволновых линий, и имеют полосу рабочих частот не превышающую половины октавы [4]. В настоящее время интенсивно развивается новая область техники – сверхширокополосные радиосистемы, в которых необходимым функциональным элементом являются сверхширокополосные усилители мощности [5]. Для повышения коэффициента полезного действия сверхширокополосных усилителей мощности и их защиты от перегрузки по входу и от рассогласования по выходу используются датчики выходного напряжения и выходного тока [6]. Однако настройка усилителя с использованием датчиков напряжения и тока затруднена их взаимным влиянием и необходимостью выравнивания их характеристик. Указанный недостаток может быть устранен благодаря применению широкополосного датчика падающей и отраженной волны, включаемого между выходом усилителя и нагрузкой. На рис. 1 приведена схема широкополосного датчика падающей и отраженной волны, выполненного на основе использования датчика высокочастотного тока описанного в [7].
Рис.1 Датчик содержит детектор отраженной волны на диоде VD1, детектор падающей волны на диоде VD2, и широкополосный направленный ответвитель, состоящий из первого Т1 и второго Т2 трансформаторов и резисторов R2 и R3. Трансформаторы Т1 и Т2 выполнены на ферритовых кольцах ФМ20ВН-3 (типоразмер К20*10*5). Первичными обмотками трансформаторов являются полосковые линии передачи, проходящие сквозь ферритовые кольца. На рис. 2 приведена фотография датчика, поясняющая его конструктивное выполнение. Вторичные обмотки трансформаторов выполнены в виде 6 витков изолированного медного провода диаметром 0,6 мм намотанного на кольца.
Рис. 2 Выбор указанного типоразмера ферритовых колец обусловлен требуемой мощностью сигнала проходящего через датчик. В рассматриваемом датчике, при мощности сигнала превышающей 80 Вт, происходит перегрев ферритовых колец и изменение характеристик датчика. При мощности сигнала 40 Вт нагрев колец не превышает 45…50°С. Если мощность сигнала составляет 2…3 Вт, достаточно использовать кольца диаметром 6 мм. Полоса рабочих частот такого датчика расширяется до 1…1,3 ГГц при условии замены диодов КД509А на диоды 2А202А и использовании высокочастотных колец типа 20ВЧ [8]. ЛИТЕРАТУРА
|
|

