Что-то не так?
Пожалуйста, отключите Adblock.
Портал QRZ.RU существует только за счет рекламы, поэтому мы были бы Вам благодарны если Вы внесете сайт в список исключений. Мы стараемся размещать только релевантную рекламу, которая будет интересна не только рекламодателям, но и нашим читателям. Отключив Adblock, вы поможете не только нам, но и себе. Спасибо.
Как добавить наш сайт в исключения AdBlockРеклама
FM стерео тюнер на микросхеме TEA5711 с синтезатором частоты и с управлением на микроконтроллере PIC16F628
FM стерео тюнер на микросхеме TEA5711 с синтезатором частоты и с управлением на микроконтроллере PIC16F628
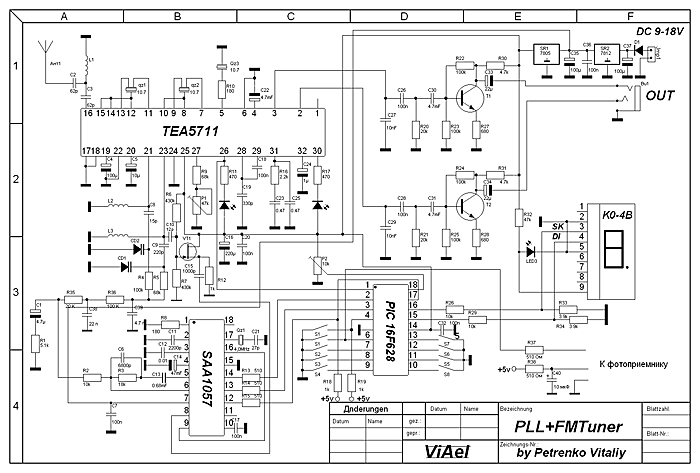
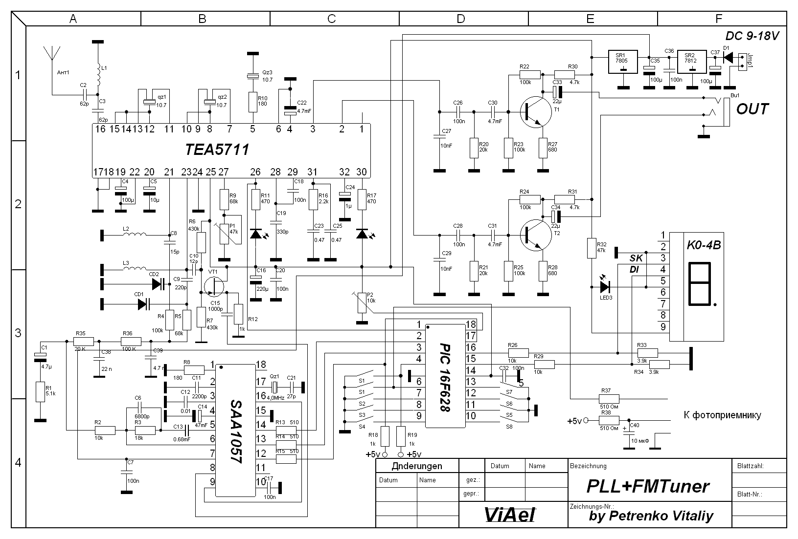
В данное время сложилась такая ситуация, что высококачественные цифровые FM тюнеры имеются только в составе дорогих магнитол. Из тех немногочисленных конструкций, найденных на просторах Интернета ничего достойного внимания не было. Данный приемник был разработан с целью восполнить этот пробел. Приемник представляет собой функционально законченный блок с линейным выходом, подключаемым к усилителю мощности НЧ. Предназначен для приема сигналов стереовещания с системой “пилот-тон. Приемник в авторском исполнении имеет габариты 106х36х20 мм. Напряжение питания - 9...18 (В). Ток потребления - 45 (мА). Реальная чувствительность – не хуже 3 мкВ. Амплитуда выходного НЧ сигнала – 250 мВ. Рис.1. Щелкните мышью для получения большого изображения Как правило , реализовать подобные преимущества единственно возможно только при правильно организованном и выполненном монтаже. Давно подмечено, чем аккуратнее относишься к реализации высокочастотных узлов приемопередающей аппаратуры , тем выше получаемые параметры. Для сборки необходимо использовать только двухсторонний фопьгированный стеклотекстолит высокого качества . Одна сторона платы сплошная и не вытравливается , зенкуются только отверстия под выводы элементов , "земляные" точки и общей шины питания (минус источника) тщательно пропаиваются с двух сторон. Немаловажно следующее - разводка и расположение элементов смесителя на плате должны производиться с максимальной симметрией для исключения разбаланса . Собственно сам приемник собран на микросхеме фирмы “Philips” TEA5711. Для улучшения избирательности применены два последовательно включенных полосовых фильтра. Для увеличения выходного уровня НЧ сигнала применен усилитель на транзисторах. Для управления работой приемника используется микропроцессор фирмы “Microchip” 16F628 и синтезатор частот фирмы “SANYO” SAA1057, благодаря которым приемник имеет следующие сервисные функции:
В качестве индикатора используется широко распространенный ЖКИ фирмы Holtek HT-1611. На индикаторе отображается номер канала, частота, а также режим “моно/стерео”(светодиод). Для перестройки по частоте в приемнике применяются варикапы КВ109. При этом приемник перестраивается в пределах 28 МГц (от 80 до 108 МГц). Для расширения пределов перестройки можно применить варикапы КВ132. Количество витков в катушках подбирается экспериментально, т. к. зависит от разводки платы, от монтажа, от типа применяемых элементов.
Приемник осуществляет следующий функциональный алгоритм:
- Прошивка микроконтроллера PIC16F628
|

