Что-то не так?
Пожалуйста, отключите Adblock.
Портал QRZ.RU существует только за счет рекламы, поэтому мы были бы Вам благодарны если Вы внесете сайт в список исключений. Мы стараемся размещать только релевантную рекламу, которая будет интересна не только рекламодателям, но и нашим читателям. Отключив Adblock, вы поможете не только нам, но и себе. Спасибо.
Как добавить наш сайт в исключения AdBlockРеклама
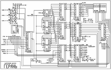
Цифровая шкала ";Герань";
Цифровая шкала "Герань"
Скачать в одном Word-файле (26 кб) Направление в конструировании радиолюбительских устройств с применением однокристальных ЭВМ не ново. Их применение упрощает конструкцию и повышает ее надежность и потребительские свойства. Одним из возможных применений является ниже приведенная конструкция. Благодаря применению в ней ОЭВМ фирмы ATMEL AT89с2051 стало возможным сочетание в одном устройстве нескольких функций, часто необходимых радиолюбителям. Основные технические характеристики:Количество разрядов…………………………6 Данная цифровая шкала pic.2 сочетает в себе функции универсального частотомера с тремя входами, системы цифровой автоподстройки частоты ГПД, автоматического телеграфного ключа с памятью, индикатора расстройки по частоте, а также часов. Применение в составе устройства энергонезависимой памяти, позволило сохранить значение частоты ПЧ трансивера, если нет возможности или желания ее измерять дополнительными входами. В этой же памяти организованы 8 страниц телеграфного текста, который можно записать при помощи манипулятора, подключаемого к шкале. Там же сохраняются значение скорости телеграфного ключа, отношение точек к тире, а также номер выбранной страницы. Несмотря на множество функций, шкала управляется всего двумя кнопками без фиксации, причем одна из них нужна только для работы с телеграфным ключом и памятью текстов. Собственно частотомер состоит из входных формирователей VT1 – VT3 мультиплексора D1, счетчиков D2 - D4 и порта ввода на мультиплексорах D5 – D6. Под управлением ОЭВМ цикл измерения начинается со сброса счетчиков и одновременной записи информации в порт цифроаналогового преобразователя на микросхеме D9. Далее через мультиплексор подключается один из входов и ОЭВМ формирует измерительный интервал, длительностью 10 миллисекунд, после чего мультиплексор переводится на вход «3», который подключен к общему проводу и посредством мультиплексоров, через шину, подключенную к порту Р1 ОЭВМ, производиться чтение информации со счетчиков. Далее цикл повторяется, но уже для другого входа. После измерений частот со всех трех входов, ОЭВМ производит арифметические операции с полученными значениями. В зависимости от состояния входа «±ПЧ», шкала либо складывает все значения и значение частоты ПЧ, записанное в памяти, либо вычитает из значения частоты на входе 0 значение частоты на входе 1 и значение частоты на входе 2, а затем значение частоты ПЧ, записанное в памяти. Таким образом, шкалу можно использовать как в одновходовом режиме с записанной ПЧ, так и в трехвходовом режиме со значением ПЧ в памяти равным нулю, причем никаких переключении при этом делать не надо. Система ЦАПЧ позволяет многократно повысить стабильность ГПД, так как позволяет поддерживать неизменной частоту, путем изменения напряжения на варикапе, подключенного к контуру ГПД. Система включается коротким нажатием на одну из кнопок. При этом запоминается значение частоты на индикаторе и начинает мигать точка в младшем разряде, сигнализируя включенную ЦАПЧ. Выключается таким же коротким нажатием на кнопку или в следующих случаях:
Чтобы автоматическое отключение ЦАПЧ не было неожиданностью, если напряжение на выходе ЦАПЧ уйдет за пределы ±25% от среднего значения на шкале погаснут разделительные точки. Это явится сигналом того, что частота поддерживается, но система находится в неустойчивом состоянии. Во время работы ЦАПЧ шкалу можно перевести в режим индикации расстройки по частоте. Это делается подачей логического нуля на соответствующий вход шкалы. При этом на индикаторе появится надпись “r i t” и значение разницы в частоте между запомненным и текущим. Индицируется также и знак направления рассторойки. Если эта разница превышает 9.9 кГц вместо цифр индицируютя прочерки, а знак направления расстройки сохраняется. Когда включен этот режим, напряжение на выходе ЦАПЧ запоминается и не изменяется. Автоматический телеграфный ключ является логической моделью ключа, разработки RA3AO. То есть имеет функцию запоминания текущего передаваемого знака. Если, напрмер, во время формирования тире, замкнуть и отпустить ключ в сторону точек, то после окончания формирования тире и паузы после него будет сформирована точка. Работает ключ параллельно с работой шкалы и какого-то отдельного режима для этого включать не нужно. Выход ключа – транзистор VT5, включенный по схеме отрытого коллектора и позволяющий подключать нагрузку, например, реле с током срабатывания до 100 мА и напряжением до 20В. Как уже было сказано, в шкале имеется память телеграфных текстов. Она разбита на восемь страниц. Для работы с этой памятью есть режимы выбора страницы, режим записи текста в нее и режим воспроизведения. Последний включается коротким нажатием на другую кнопку, что повышает оперативность работы. В шкале имеется возможность проконтролировать частоты, присутствующие на входах шкалы, для этого предусмотрен специальный тестовый режим, в котором шкала по очереди измеряет и выводит на индикатор значения частот. По каждому включению запускается программа самодиагностики, которая обнаруживает неисправности счетчиков и цепей управления ими. Шкала собрана на плате размерами 80х80 мм, к ней подпаяна плоским жгутом длинной 100мм плата с индикаторами размерами 80х20мм pic.1.На плате шкалы есть место для установки интегрального стабилизатора КР142ЕН5В, а на плате индикаторов есть место для установки малогабаритных кнопок. Для часов предусмотрено резервное питание. Если оно подключено, то по пропаданию основного питания шкала переходит в режим пониженного энергопотребления от резервного источника. Ток не превышает при этом 3 мА. Рис.1 (Щелкните мышью для увеличения) Рис.2 (Щелкните мышью для увеличения) Будут вопросы, пожелания, предложения - пишите.Владимир - ur1mi (at) zfs.lg.ua |

