Что-то не так?
Пожалуйста, отключите Adblock.
Портал QRZ.RU существует только за счет рекламы, поэтому мы были бы Вам благодарны если Вы внесете сайт в список исключений. Мы стараемся размещать только релевантную рекламу, которая будет интересна не только рекламодателям, но и нашим читателям. Отключив Adblock, вы поможете не только нам, но и себе. Спасибо.
Как добавить наш сайт в исключения AdBlockРеклама
Синтезатор частот SM-1201
Синтезатор частот SM-1201
Область применения:Синтезатор отличается высокой экономичностью и малыми размерами. Поэтому основная область применения - портативные радиостанции диапазона 144 - 152 МГц. Синтезатор выполнен в виде отдельного экранированного модуля и может применяться как для модернизации действующих радиостанций, так и для применения в собственных разработках.
Технические характеристики:
Органы управления и индикации:
Возможности:
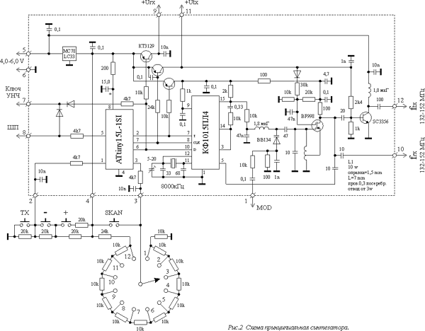
Рис.2 Принципиальная схема (щелкните мышью для увеличения) Синтезатор осуществляет следующий функциональный алгоритм:При подаче питания на синтезатор, устанавливается частота, соответствующая положению переключателя. Переход на другие каналы памяти осуществляется переключателем. Установка частоты осуществляется кратковременным нажатием кнопок “ - ” или “ + ”. При длительном удержании кнопки “ - ” или “ + ” осуществляется ускоренный перебор частоты. Экономный режим работает следующим образом. В режиме приема если не наблюдается принимаемая станция (нет сигнала на входе ШП) в течение 5 сек, то синтезатор переходит из обычного в экономный режим. Это означает, что с периодичностью в 1.2 сек синтезатор включается на короткое время (0.09 сек), а также подает питание 3,6 V на приемник. Синтезатор остается в экономном режиме до тех пор, пока не появится принимаемая станция (есть сигнал на входе ШП), либо не нажмется одна из кнопок, либо не переключится переключатель. Затем процесс повторится. Кратковременное нажатие кнопки "SKAN" запускает сканирование по каналам памяти. Нажатие кнопки "SKAN" более 1 сек запускает сканирование по частотному диапазону. При сканировании, если отсутствует принимаемая станция, нажатие кнопки "TX" осуществляет передачу на канале, на котором стоит переключатель. При сканировании, если принимаемая станция присутствует, нажатие кнопки "TX" осуществляет передачу на остановившемся канале или частоте. В экономном режиме работы синтезатора сканирование осуществляется следующим образом: сканируются все каналы памяти или каналы частотного диапазона (каждый сканируемый канал занимает время 0.06 сек), затем происходит выключение станции на 1.2 сек, затем снова сканируются все каналы, и процесс повторяется. При выборе обычного режима работы синтезатора сканирование осуществляется только пошагово. Запись частоты в канал памяти: Переключателем установить записываемый канал памяти. Кнопками “ - ” или “ + ” выбрать соответствующую частоту (проконтролировать частотомером при передаче). Нажать и удерживать одновременно кнопки “ - ” и “ + ”. При отпускании кнопок через 2 - 6 сек частота запишется в канал. При отпускании кнопок через 6 - 15 сек частота запишется в канал как репитерная (с разносом 600 кГц). При отпускании кнопок через 15 сек и более в канал запишется частота 145000 кГц. Запись сканируемых каналов памяти и границ сканируемого частотного диапазона: При включении питания, если нажата кнопка "SKAN", то записывается:
Изменение шага сетки 12,5 или 25 кГц: При включении питания удержать кнопку “ + ”. Изменение обычный или экономный режим работы: При включении питания удержать кнопку “ - ”. Изменение обычный или просмотровый способ сканирования: При включении питания удержать кнопку "SKAN" и “ + ”. При выключении питания все установленные данные сохраняются. Рис.3 Схема подключения (щелкните мышью для увеличения)
|


