LAB599.RU — интернет-магазин средств связи
EN FR DE CN JP

USB интерфейсный кабель для YAESU VX-2R

USB интерфейсный кабель для YAESU VX-2R

Илья Пономарев, RN4HCI
Email rn4hci (at) mail.ru

После приобретения YAESU VX-2R передо мной первым делом встал вопрос о приобретении или изготовлении интерфейсного кабеля, дабы использовать чудесную программу Джима Митчелла “VX Commander”, которая умеет не только забивать ячейки памяти, но и менять установки радиостанции и даже делать “software mod”, то есть раскрывать и закрывать диапазон на передачу без вскрытия корпуса.

USB интерфейсный кабель для YAESU VX-2R

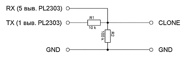
Автор программы рекомендует «7-и транзисторный дизайн» схема которого известна многим владельцам YAESU. Однако, кому-то может быть лень паять, или на компьютере нет COM-порта. В таком случае самый простой выход – использовать USB кабель от мобильного телефона с небольшой доработкой. Наиболее подходящим, на мой взгляд, является кабель на базе чипа PL2303HX который формирует буферизованный сигнал TTL с уровнем 3,3В, что необходимо для VX-2. Необходимая доработка сводится к развязке линии RX от буферизованного сигнала TX.

USB интерфейсный кабель для YAESU VX-2R

В случае нестабильной работы номиналы резисторов можно немного уменьшить. В соответствии с рекомендациями автора VX Commander уменьшите размер буферов FIFO в свойствах виртуального COM-порта, соответствующему кабелю, до минимального значения. ВНИМАНИЕ! В случае неудачной загрузки файла в радиостанцию, ни в коем случае не отключайте питание – повторите загрузку. Наполовину загруженный файл может вызвать серьезный сбой процессора трансивера.

Документы


Партнеры