Что-то не так?
Пожалуйста, отключите Adblock.
Портал QRZ.RU существует только за счет рекламы, поэтому мы были бы Вам благодарны если Вы внесете сайт в список исключений. Мы стараемся размещать только релевантную рекламу, которая будет интересна не только рекламодателям, но и нашим читателям. Отключив Adblock, вы поможете не только нам, но и себе. Спасибо.
Как добавить наш сайт в исключения AdBlockРеклама
Коммутатор-усилитель для 144 и 430 МГц
|
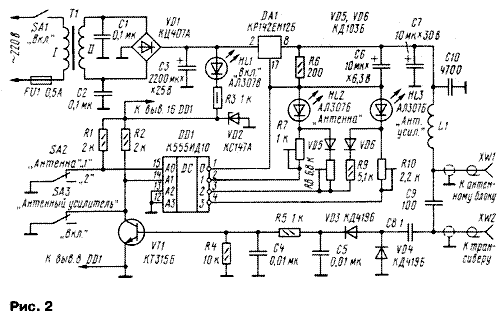
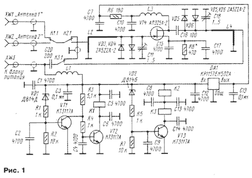
С помощью описываемого устройства можно осуществлять коммутацию двух антенн и антенного усилителя (АУ). Оно состоит из двух блоков — антенного и управляющего. При переходе на передачу, АУ автоматически отключается. Схема антенного блока показана на рис. 1. Его размещают вблизи от антенн. Питают блок по кабелю снижения, а управление им осуществляется изменением питающего напряжения, поступающего на гнездо XW3 и далее через дроссель L1 — на узел управления (VT1 —VT3) и на УВЧ (VT4). Если питающее напряжение отсутствует или не превышает 1,5 В, реле К1—КЗ будут обесточены, а трансивер через их контакты подключен к антенне 1 (гнездо XW1). АУ при этом не работает.
Чтобы подключить антенну 2, на блок подают напряжение питания около 7 В. При этом открывается транзистор VT2, срабатывает реле К1. Для того чтобы включить АУ, на устройство подают напряжение 11 или 15В. Если трансивер должен работать с антенной 2, подают напряжение 11 В. При этом откроется транзистор VT3, реле К2 и КЗ сработают и подключат АУ. При переходе в режим передачи питающее напряжение автоматически уменьшается до 7 В и АУ отключается. Если трансивер работает с антенной 1, то при включении АУ подают напряжение 15 В. Откроется транзистор VT1, а VT2 закроется. Реле К1 обесточится, поэтому будет подключена антенна 1 и АУ. При переходе в режим передачи питающее напряжение уменьшится до 1,2 В, поэтому АУ отключится (антенна 1 останется подключенной). АУ собран на малошумящем полевом транзисторе и обеспечивает усиление около 12 дБ на диапазоне 430 МГц при полосе пропускания примерно 10 МГц. На входе и выходе транзистора установлены согласующие LC-контуры на полосковых линиях и защитные диоды. Напряжение питания АУ стабилизировано микросхемой DA1. В предлагаемом варианте блока описан усилитель на диапазон 430 МГц, но взамен него можно установить усилитель диапазона 144 МГц, немного изменив печатную плату (см. статью "Антенный усилитель диапазона 2 метра" в "Радио", 2000, № 1, с. 62, 63.)
Схема блока питания показана на рис. 2, а алгоритм его работы приведен в таблице. На трансформаторе Т1, диодном мосте VD1 и конденсаторе СЗ собран выпрямитель с выходным напряжением 23...25 В. Микросхема DA1 — управляемый стабилизатор напряжения. Диоды VD3 и VD4 — детектор ВЧ напряжения. Блок подключают к трансиверу через разъем XW2, а кабель снижения — к XW1. Переключают режимы тумблерами SA2 и SA3. В режиме работы с антенной 1 и выключенном антенном усилителе (как показано на рис. 1 и рис. 2) на входах дешифратора низкий логический уровень, он же присутствует на выходе 0 DD1, на выходе микросхемы DA1 напряжение 1,2 В. Если перевести тумблер SA2 в положение "2", то на вход АО дешифратора DD1 поступит высокий уровень. Состояние дешифратора изменится, выходное напряжение блока увеличится до 7В и загорится светодиод HL2. Тумблером SA3 включают АУ. При переходе в режим передачи ВЧ сигнал трансивера выпрямляется диодами VD3, VD4 и поступает на транзистор VT1. Он открывается и устанавливает на входе А1 дешифратора низкий уровень. Это приведет к тому, что АУ будет отключен. Иными словами, блок питания позволяет осуществлять независимое переключение антенн и включение АУ.
Налаживание устройства сводится к настройке входного и выходного контуров усилителя на центральную частоту диапазона. Для повышения устойчивости работы усилителя на вывод стока рекомендуется нанести немного поглощающего материала на основе карбонильного железа. Макет антенного блока имел следующие параметры: вносимые потери в режиме передачи были 0,35 (144 МГц) и 0,45 дБ (430 МГц), а КСВ соответственно 1,15...1,2 и не более 1,1. Затухание сигнала со стороны неподключенной антенны составило -36 и -30 дБ. В блоке питания транзистор VT1 можно заменить на КТ3102 с любым буквенным индексом или транзистор серии КТ312 с индексами А—В. Диодный мост VD1 — любой с допустимым обратным напряжением не менее 100 В и током не менее 100 мА. Светодиоды можно применить любые с рабочим током до 15...20 мА и падением напряжения не более 3 В. Полярные конденсаторы — К50-6, К50-16 или аналогичные импортного производства, остальные — К10-17, причем С4, С5, С8—С10 должны иметь выводы минимальной длины. Дроссель L1 аналогичен дросселю L1 антенного блока. Подстроечные резисторы — СПЗ-19, постоянные — МЛТ, С2-33. Тумблеры SA1—SA3 — МТ-1 или аналогичные. Часть деталей блока питания размещена на печатной плате из двусторонне фольгированного стеклотекстолита толщиной 1,5 мм, эскиз которой показан на рис. 4. По периметру платы обе стороны соединены друг с другом фольгой. Остальные детали можно смонтировать произвольно, в том числе и навесным монтажом. Микросхему DA1 необходимо разместить на теплоотводе площадью около 100см2. Налаживание блока питания сводится к установке требуемых значений выходного напряжения в соответствии с таблицей. При этом сигнал передатчика можно имитировать установкой резистора сопротивлением 10 кОм между катодом стабилитрона VD2 и базой транзистора VT1. Радио №1, 2002 |
Большинство деталей антенного блока размещены на печатной плате из двусторонне фольгированного стеклотекстолита толщиной 1,5 мм, эскиз которой показан на рис. 3. Обе стороны соединены друг с другом по краю платы с помощью фольги, кроме того, они соединены и через отверстия в плате. Плату размещают в металлическом корпусе, на одной из стенок которого устанавливают гнезда XW1—XW3. Гнезда надо применить блочнокабельные. В АУ можно применить транзисторы VT1—VT3 серий КТ3102 с буквенными индексами А—Е, КТ312В, КТ503Б, КТ503Г; VT4 — АП324А-2, АП324Б-2, АП343А-2. Стабилитрон VD1 — любой маломощный с напряжением стабилизации 14...16 В, , VD2 — 9...11 В. В усилителе диапазона 144 МГц диоды VD3—VD6 можно заменить на КД522Б. Подстроечные конденсаторы — КТ4-25, постоянные желательно применить К10-17 или другие малогабаритные с выводами минимально возможной длины. Реле К1—КЗ — РЭК-43 с напряжением срабатывания около 5 В. Дроссели L1 и L3 намотаны проводом ПЭВ-2 0,4 на оправке диаметром З...3,5 мм и содержат 8. .10 витков (12...15 витков для диапазона 144 МГц).