LAB599.RU — интернет-магазин средств связи
EN FR DE CN JP

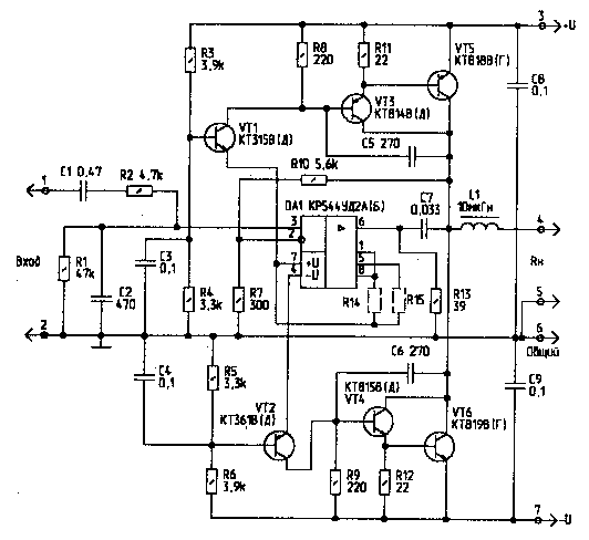
УНЧ на 20 Вт (40 Вт)




УНЧ на 20 Вт (40 Вт)
 УНЧ на 20 Вт (40 Вт)

  УНЧ на нагрузке 8 Ом/ 4 Ома обеспечивает 20 Вт/40 Вт при коэффициенте гармоник 0,01%. DA1 питается через VT1, VT2, снижающие напряжения питания всего усилителя +U=30 В и -U-30 В до допустимых для ОУ ±14 В и одновременно передающие изменения тока потребления ОУ, пропорциональные входному напряжению, на резисторы R8, R9 (их подбирают при налаживании таким образом, чтобы в режиме покоя на резисторах R11, R12 обеспечивалось падение напряжения 0,35...0,4 В), задающие ток выходных транзисторов. АЧХ усилителя при неравномерности 2 дБ простирается от 15 до 30000 Гц. Номинальное входное напряжение 0,7 В. Входное сопротивление не менее 47 кОм. Транзисторы VT3-VT6 необходимо установить на общий изолированный теплоотвод площадью 500 см2.

Радиолюбитель №4, 1999, с.18-19
Источник: shems.h1.ru

Партнеры