LAB599.RU — интернет-магазин средств связи
EN FR DE CN JP

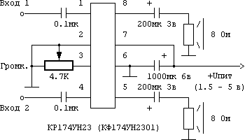
Усилитель с питанием 1,5 В на 174УН23




Усилитель с питанием 1,5 В на 174УН23

 Усилитель  с питанием 1,5 В на 174УН23

  Выходная мощность каждого из каналов достигает 240 мВт. Благодаря низкому напряжению питания усилитель может быть использован в разнообразных переносных устройствах, например, в радиостанциях. Переменный резистор имеет линейную характеристику. Полоса пропускания 20-20000 Гц.

Источник: shems.h1.ru

Партнеры