LAB599.RU — интернет-магазин средств связи
EN FR DE CN JP

Усилитель на TDA2004 (К174УН25)




Усилитель на TDA2004 (К174УН25)

 Усилитель на TDA2004 (К174УН25)

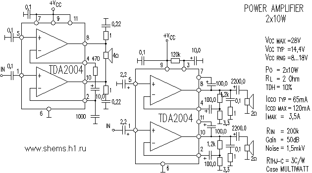
  Микросхема идеально подходит для домашнего кинотеатра или автомобильного усилителя и поражает своими характеристиками. Так, например, диаппазон питающего напряжения лежит в предал 8 - 28 В (рекомендуемое значение 14 В). В любом случае микросхему нужно устанавливать на радиатор. Его площадь зхависит от питающего напряжения и выходной мощности. Отечественны аналог TDA2004 - К174УН25. Схему также можно собрать на 2-х микросхемах в стереофоническом варианте (мостовом включении). Выходная мощность в таком случае достигает 19Вт на канал при питании 12В!
Источник: shems.h1.ru

Партнеры