Что-то не так?
Пожалуйста, отключите Adblock.
Портал QRZ.RU существует только за счет рекламы, поэтому мы были бы Вам благодарны если Вы внесете сайт в список исключений. Мы стараемся размещать только релевантную рекламу, которая будет интересна не только рекламодателям, но и нашим читателям. Отключив Adblock, вы поможете не только нам, но и себе. Спасибо.
Как добавить наш сайт в исключения AdBlockРеклама
Увеличение выходной мощности автомагнитолы
|
Иногда бывает так, что приобретенная в свое время автомагнитола перестает удовлетворять возросшим требованиям владельца. Некоторые поступают просто: покупают новую. Между тем зачастую можно улучшить и старую. Хочу познакомить читателей с опытом замены двухканального УМЗЧ автомагнитолы на более мощный четырехканальный. В моей автомагнитоле "Toshiba TX-20" установлен двухканальный УМЗЧ TDA7394. Его максимальная выходная мощность - 15 Вт на канал. Понятно, что синусоидальная мощность этого усилителя значительно меньше, поэтому даже на средней громкости заметны нелинейные искажения. Со временем возникло желание умощнить магнитолу, а заодно сделать ее четырехканальной.
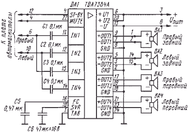
Для этого решил заменить имеющуюся в магнитоле микросхему TDA7394 на микросхему TDA7384A, обеспечивающую максимальную мощность 40 Вт в каждом из четырех каналов. Подобные характеристики имеет большинство современных автомагнитол. При мощности 4 Вт на канал коэффициент гармоник не превышает 0,15 %, что вполне достаточно для не очень взыскательного слушателя. Более подробно с характеристиками этой микросхемы можно ознакомиться в статье "Усилитель мощности ЗЧ TDA7384A", опубликованной в этом номере журнала . Схема подключения микросхемы показана на рисунке. Номера рядом с черными точками соответствуют выводам ранее установленной микросхемы TDA7394. Сначала из платы магнитолы демонтируют старую микросхему УМЗЧ. Новую микросхему можно прикрепить к задней стенке с использованием теплопроводной пасты, а соединения выполнить проводом МГТФ. Аналогично эту микросхему можно установить и в другие автомагнитолы. Баланс между левым и правым каналом регулируют обычным образом с передней панели магнитолы. При желании можно сделать регулировку баланса между передними и задними громкоговорителями. В процессе эксплуатации магнитолы со старой микросхемой и экспериментов с новой оказалось, что звучание высоких частот оставляло желать лучшего. Причиной этого недостатка, как выяснилось, были конденсаторы емкостью 2200 пФ, шунтирующие входы УМЗЧ. Удалив их, удалось повысить уровень высоких частот, что сделало звучание автомагнитолы более сочным и приятным. О. Долгов |