LAB599.RU — интернет-магазин средств связи
EN FR DE CN JP
QRZ.RU > Каталог схем и документации > Схемы наших читателей > Дайджест радиосхем > Сопряжение звуковой карты с музыкальным инструментом

Сопряжение звуковой карты с музыкальным инструментом




Сопряжение звуковой карты с музыкальным инструментом
 Сопряжение звуковой карты с музыкальным инструментом

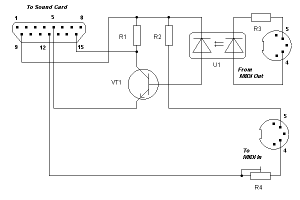
R1 - 4.3 кОм; R2,R3 - 200 Ом; R4 - 470 Ом (подстраивается под конкретную звуковую карту) VT1 - КТ312,КТ315,КТ3102 и т.п. U1 - АОД101

  Если Вы увлекаетесь MIDI музыкой, тогда вам обязательно должна пригодиться указанная ниже схема сопряжения звуковой карты компьютера с клавишным музыкальным инструментом. Устройство испытано на соединении инструмента YAMAHA PSR-510 с звуковой картой ESS1698.
Источник: shems.h1.ru

Партнеры