Что-то не так?
Пожалуйста, отключите Adblock.
Портал QRZ.RU существует только за счет рекламы, поэтому мы были бы Вам благодарны если Вы внесете сайт в список исключений. Мы стараемся размещать только релевантную рекламу, которая будет интересна не только рекламодателям, но и нашим читателям. Отключив Adblock, вы поможете не только нам, но и себе. Спасибо.
Как добавить наш сайт в исключения AdBlockРеклама
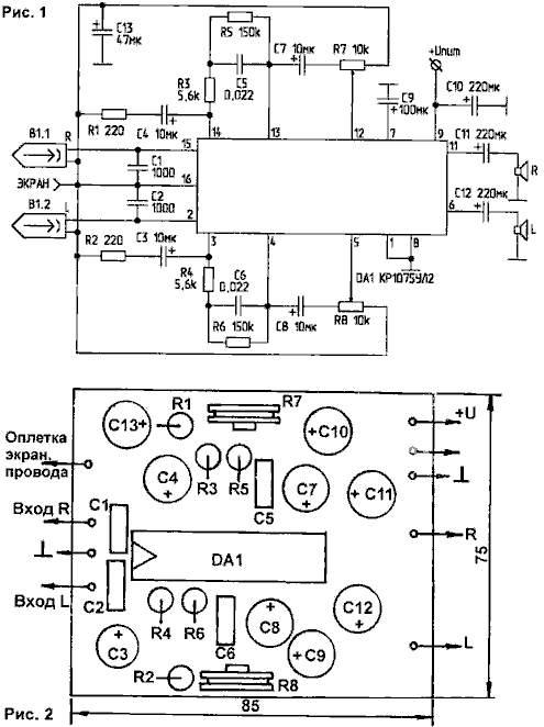
Усилитель стереоплейера
|
Схема включает в себя двухканальный усилитель воспроизведения с выходом на стереотелефоны, корректор тона и усилитель мощности низкой частоты с максимальной мощностью 2х0,07 Вт на нагрузке 2х32 Ом на ИМС КР1075УЛ2. Предназначен для применения в малогабаритных воспроизводящих магнитофонах (плейерах)высокого класса. Схема усилителя приведена на рис.1, а расположение деталей на плате — на рис.2. Указания по подключению и наладке: головка магнитофона соединяется с модулем экранированным проводом; конденсаторы С6 и С5 желательно ставить сТКЕ не хуже М1500; подбором конденсаторов С1 и С2 можно изменять частотные характеристики блока с конкретной головкой магнитофона; головка магнитофона может иметь индуктивность в пределах 100...200 мГн.
|