LAB599.RU — интернет-магазин средств связи
EN FR DE CN JP

Регулятор громкости и тембра - КР174ХА54




Регулятор громкости и тембра - КР174ХА54

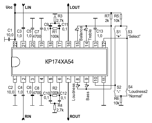
  Микросхема КР174ХА54 выполняет функции регулятора громкости, тембра и баланса в стереофонических системах и предназначена для применения в низковольтной малогабаритной звуковоиспроизводящей аппаратуре с кнопочным управлением.

 Параметры

 Регулятор громкости и тембра - КР174ХА54
(162 Кб)

Источник: shems.h1.ru

Партнеры