Что-то не так?
Пожалуйста, отключите Adblock.
Портал QRZ.RU существует только за счет рекламы, поэтому мы были бы Вам благодарны если Вы внесете сайт в список исключений. Мы стараемся размещать только релевантную рекламу, которая будет интересна не только рекламодателям, но и нашим читателям. Отключив Adblock, вы поможете не только нам, но и себе. Спасибо.
Как добавить наш сайт в исключения AdBlockРеклама
Разветвитель видео и аудиосигналов
|
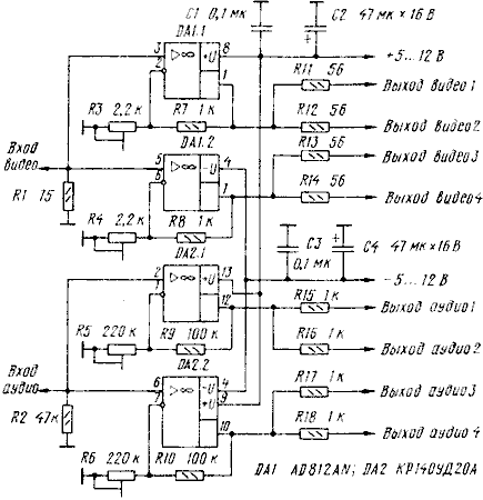
Проблема распределения сигналов от их источников на несколько потребителей в последнее время часто встает перед пользователями видео- и аудиоаппаратуры. Для повышения качества воспроизведения автор публикуемой статьи предлагает делать это по низкой частоте, раздельно для видео- и аудиосигналов. Источников и потребителей видео и аудиосигналов в квартирах становится все больше и больше. Это - телевизоры, видеомагнитофоны, спутниковые ресиверы, видеокамеры, проигрыватели и т. д. Часть из них традиционно соединяют между собой по высокой частоте (радиочастоте). Сигналы с видеомагнитофонов и ресиверов (обычно в диапазоне ДМВ) поступают на телевизор по коаксиальному кабелю. При наличии в квартире двух-трех телевизоров сигналы приходится делить и передавать на расстояния до нескольких десятков метров, что приводит к заметному их ослаблению. Кроме того, приходится применять дополнительные усилители ВЧ. К тому же не всякий кабель подойдет для передачи сигналов в диапазоне ДМВ. Возникает и такая проблема, как подача нескольких сигналов на телевизор, если он имеет один антенный вход, и поэтому нужно использовать сумматоры. Причем нередко появляются взаимные помехи между радиосигналами эфирных телестанций и радиосигналом от видеомагнитофона или ресивера, что ухудшает качество приема как тех, так и других. В таких случаях целесообразно передавать отдельно видео- и аудиосигналы по низкой частоте, что обеспечит более высокое качество воспроизведения, хотя для этого и потребуются два экранированных кабеля. Однако они могут быть самыми дешевыми, так как сигналы передаются на сравнительно низких частотах. К тому же один проводник (для аудиосигнала) может быть невысокочастотным, вполне достаточно обычного микрофонного кабеля. Когда же источник раздельных видео- и аудиосигналов только один, а потребителей несколько, необходим разветвитель, который и предлагается собрать самим радиолюбителям. Его принципиальная схема изображена на рис. 1. Он выполнен на двух микросхемах. Одна из них (DA1) - быстродействующий (1600 В/мкс) двухканальный мощный ОУ AD812A. Его отличительные параметры - широкая полоса усиливаемых частот (до 100 МГц), линейная фазочастотная характеристика, выходной ток до 50 мА и относительно невысокая стоимость (3...4 долл.). Такие параметры позволяют реализовать на нем усилитель видеосигнала, который хорошо согласуется с коаксиальным кабелем и способен одновременно работать на два-три потребителя. Общее число потребителей может достигать шести (по три на каждый канал).
С источника видеосигнал поступает на "Вход видео", к которому для согласования подключен резистор R1 (его номинал равен волновому сопротивлению соединительного коаксиального кабеля). Сигнал приходит одновременно на два канала видеоусилителя, и в каждом из них подстроечным резистором (R3 или R4) можно получить требуемый коэффициент передачи. Такое построение позволяет индивидуально установить наиболее подходящий уровень видеосигнала для каждого потребителя. АЧХ обоих каналов видеоусилителя линейна до частоты 10 МГц. Тракт усиления аудиосигналов собран по аналогичной схеме на двухканальном ОУ КР140УД20.Коэффициент передачи в каждом канале также устанавливают своим подстроечным резистором (R5 или R6). АЧХ обоих каналов усилителя ЗЧ линейна до 20 кГц. Все детали устройства размещены на печатной плате из одностороннего фольгированного стеклотекстолита. Чертеж печатных проводников на плате представлен на рис. 2. Внешний вид разветвителя показан на рис. 3.
В устройстве вместо AD812A возможно применение микросхем AD817A, AD818A (с изменением печатной платы). Однако они - менее быстродействующие и к тому же одноканальные. Их целесообразно использовать там, где число потребителей не превышает трех. Подойдет также микросхема AD813A, имеющая три ОУ в корпусе (но печатную плату тоже нужно изменить). Подстроечные резисторы в устройстве - малогабаритные СП3-19а, а при изменении платы и другие, большего размера. Остальные резисторы - МЛТ, С2-33 (все они, кроме R9 и R10, установлены перпендикулярно плате). Конденсаторы С1, С3 - КМ, КЛС, К10-77, а С2, С4 - оксидные К50-35 или аналогичные. Для питания устройства применим двуполярный стабилизированный блок питания с выходным напряжением от 5 до 15 В. Ток, потребляемый при отсутствии нагрузки, примерно равен 15 мА, а при нагрузке он возрастает до 70...100 мА. Приступая к налаживанию разветвителя, нужно предварительно установить движки всех подстроечных резисторов в крайнее левое по схеме положение, а затем при подключенных потребителях, пользуясь резисторами, добиться наиболее подходящего уровня сигналов. Число выходов устройства можно увеличить до шести. Для этого к выходу каждого ОУ дополнительно подключают резистор соответствующего номинала: 56 Ом - для видеоусилителя, 1 кОм - для усилителя аудиосигналов. Радио №1, 1999 |