LAB599.RU — интернет-магазин средств связи
EN FR DE CN JP

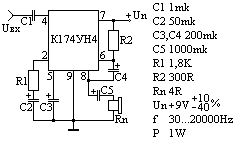
Усилитель низкой частоты на К174УН4




Усилитель низкой частоты на К174УН4
 К174УН4
Источник: shems.h1.ru

Партнеры