LAB599.RU — интернет-магазин средств связи
EN FR DE CN JP
QRZ.RU > Каталог схем и документации > Схемы наших читателей > Дайджест радиосхем > Регулятор громкости, баланса и тембра на TDA1524A

Регулятор громкости, баланса и тембра на TDA1524A




Регулятор громкости, баланса и тембра на TDA1524A

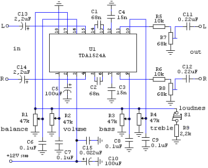
 Схема


 Плата
Технические характеристики регулятора: Полоса частот 20-20 000Hz Регулировка тембра на частоте 40Hz (bass) -19/+17db Регулировка тембра на частоте 16Khz (treble) -15/+15db Регулировка баланса -40db Входное сопротивление 10-60K Выходное сопротивление 300Om Регулировка громкости не менее -80/+21,5db Коэффициент гармоник не более 0,3% Относительный уровень шумов не более -80db Напряжение питания 6-18V


  Данная схема реализована на интегральной микросхеме фирмы Philips TDA1524A (А1524А - аналог фирмы RFT). Микросхема представляет собой двухканальный (стереофонический) регулятор громкости, баланса и тембра низких и высоких частот. Также есть loudnes (частотная компенсация). Переменные резисторы можно использовать любые, т.к. регулировка громкости, баланса и тембра в данной микросхеме осуществляется электронным способом. Подстрочными резисторами R7 и R8 регулируется усиление выходного сигнала, кнопка S1, включающая частотную компенсацию регулятора громкости (на схеме выключена), должна быть с фиксацией. Для тех, кто хочет постоянно использовать частотную компенсацию без возможности отключения, могут исключить из схемы элементы S1 и R9. В процессе работы микросхема нагревается. Приклейте к ней (например, клеем "Момент") небольшой П-образный радиатор из алюминия. Это повысит надежность работы и срок службы микросхемы.

  На приведенной здесь печатной плате размерами 50Х31 мм, кроме регулятора громкости, баланса и тембра находиться усилитель мощности, описанный в статье Усилитель мощности на TDA1552Q. Устройства разделены на плате красной пунктирной линией. Слева расположен регулятора громкости, баланса и тембра на TDA1524A, справа - усилитель мощности на TDA1552Q. Элементы усилителя R1 C3 припаиваются со стороны печатных проводников.
Источник: shems.h1.ru

Партнеры